EasyManua.ls Logo

National Instruments M Series - Page 344

National Instruments M Series
411 pages
Print Icon
To Next Page IconTo Next Page
To Next Page IconTo Next Page
To Previous Page IconTo Previous Page
To Previous Page IconTo Previous Page
Loading...
Appendix B Timing Diagrams
© National Instruments Corporation B-21 M Series User Manual
Analog Output Timing Diagrams
The analog output timing can be broken into the following three sections:
Input Timing—The timing for external signals to enter the M Series
device and be available on the internal signal buses
Internal Analog Output Timing—The timing specifications of the
analog output unit itself, to and from internal signals
Output Timing—The timing of exported signals going to the M Series
device external terminals
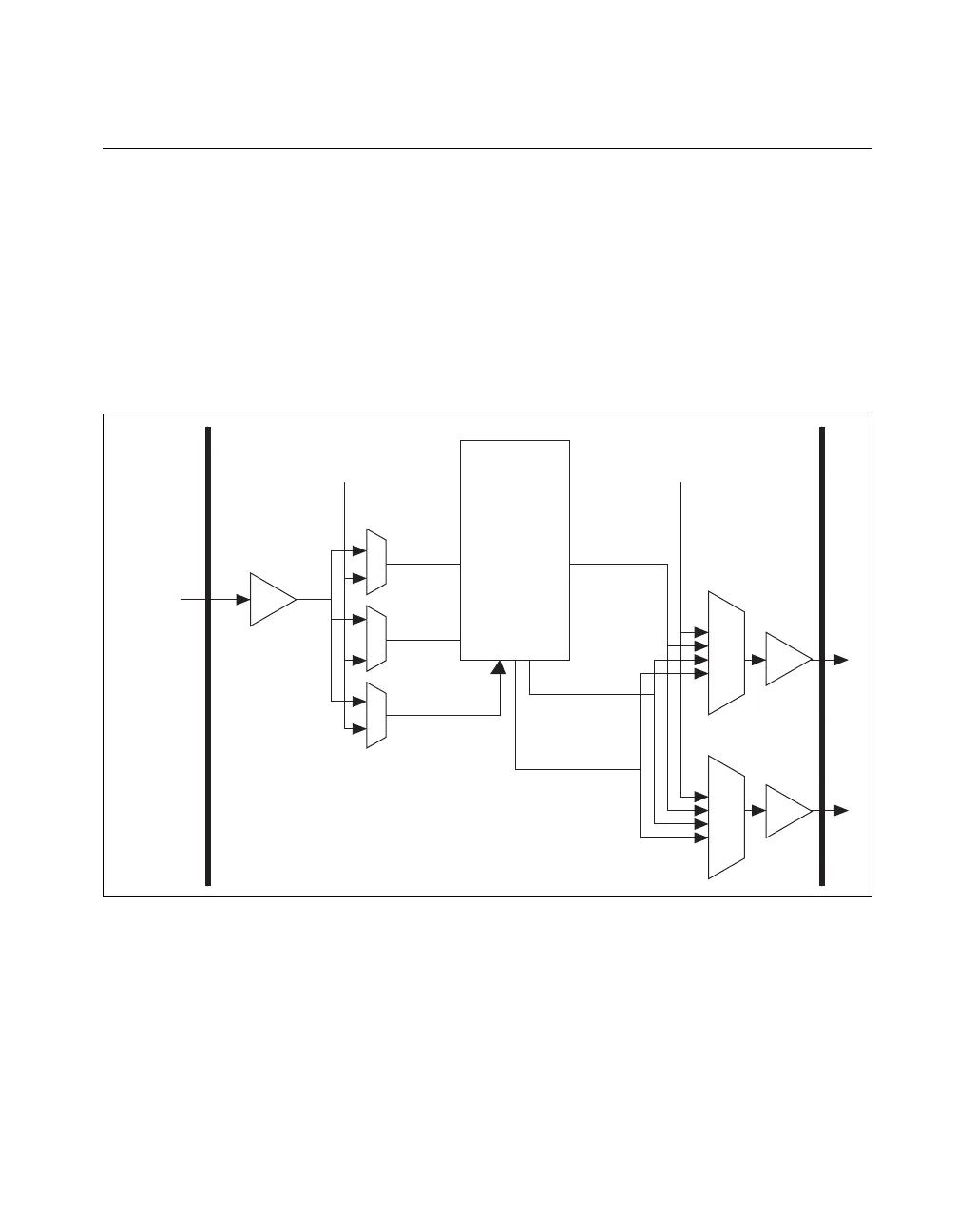
Figure B-22 gives an overview of analog output timing.
Figure B-22. M Series Analog Output Timing
The following signals are used in Figure B-22 and in the following
sections:
Sample Clock—This signal multiplied by the digital to analog
conversions. This signal is routed to the DAC, and in every pulse, the
DAC will perform a data conversion. This signal can come directly
from an external signal or can be the result of dividing down the
Sample Clock Timebase using the UI counter.
STAR_TRIG,
RTSI, or
PFI
STAR_TRIG_i,
RTSI_i, or
PFI_i
Internal
Sources
Sample
Clock
Timebase
Selected Pause
Selected
STA R T
Other
Internal
Sources
PFI
RTSI
Pause Trigger
START Trigger
Sample Clock
AO TIMER

Table of Contents

Related product manuals