EasyManua.ls Logo

NCE NCE1DBT - Electrical Connections

NCE NCE1DBT
24 pages
Print Icon
To Next Page IconTo Next Page
To Next Page IconTo Next Page
To Previous Page IconTo Previous Page
To Previous Page IconTo Previous Page
Loading...
Aux in
R (Red)
L (White)
16
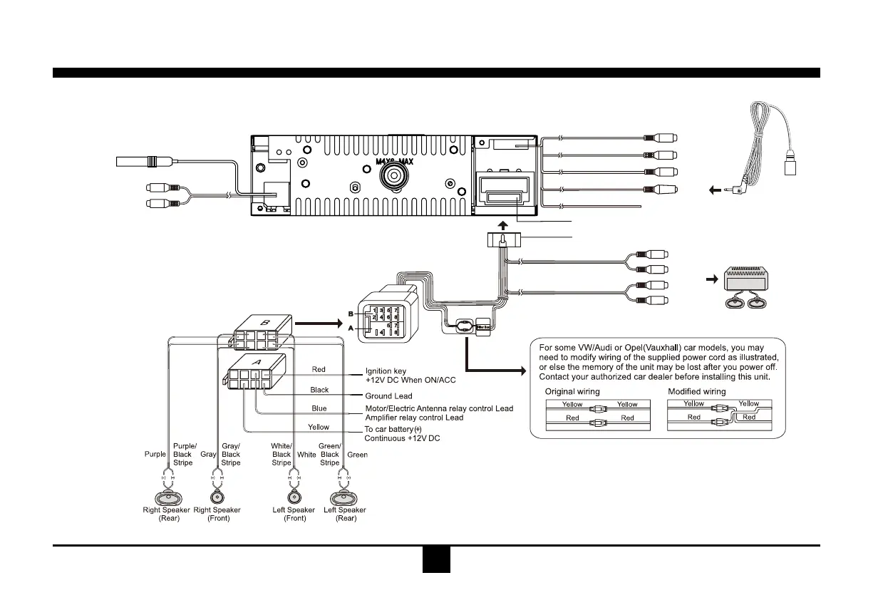
Electrical Connections
Wiring Diagram
ISO Connector
Amplifier
Connector
Fuse 15A
Rear Line-out (Gray)
L(White)
R(Red)
Front Line-out (Brown)
L(White)
R(Red)
Video out 1
2
(Yellow)
(Green)
Subwoofer out
(Black)
Antenna
Video out
(Yellow)
Bluetooth Antenna
(Grey)
Bluetooth MIC in
(Black)
External Mic

Related product manuals