EasyManua.ls Logo

Necta Brio 250 - Hydraulic System

Default Icon
44 pages
Print Icon
To Next Page IconTo Next Page
To Next Page IconTo Next Page
To Previous Page IconTo Previous Page
To Previous Page IconTo Previous Page
Loading...
23
© by NECTA VENDING SOLUTIONS SpA 0301 162-00
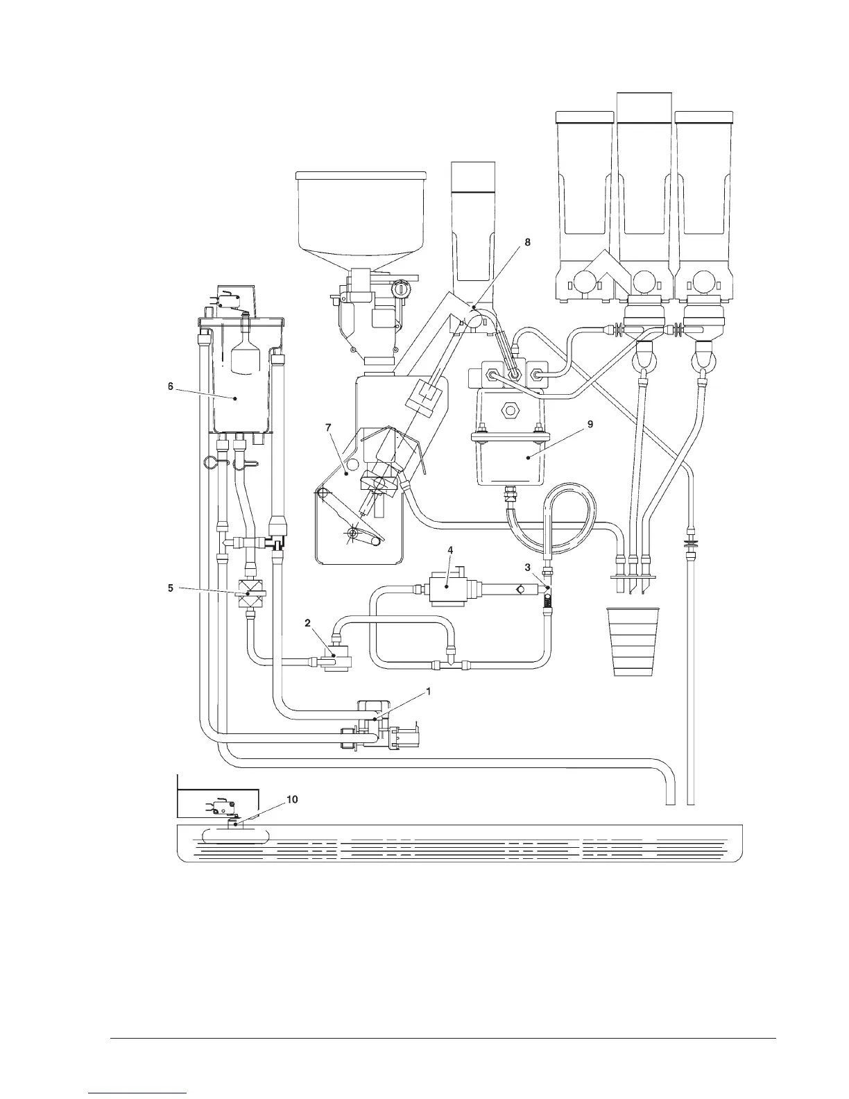
HYDRAULIC SYSTEM
1 - Water inlet solenoid valve
2 - Volumetric counter
3 - By-pass
4 - Vibration pump
5 - Mechanical filter
6 - Air-break
7 - Coffee unit
8 - Decaffeinated doser device (some models only)
9 - Boiler
10 - Liquid waste tray overflow float

Table of Contents

Related product manuals