EasyManua.ls Logo

Necta Canto Plus Espresso - Page 64

Necta Canto Plus Espresso
72 pages
Print Icon
To Next Page IconTo Next Page
To Next Page IconTo Next Page
To Previous Page IconTo Previous Page
To Previous Page IconTo Previous Page
Loading...
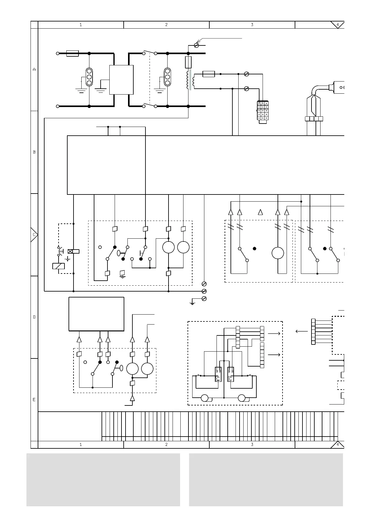
230 V TRANSFORMER
CMSB CUP RELEASE MOTOR CAM
DOOR DOOR CONNECTOR
EEA WATER INLET SOLENOID VALVE
EVT TANK SOLENOID VALVE
EX EXECUTIVE COIN MECH CONNECTORS
FA RADIO INTERFERENCE SUPPRESSOR
ICR DRIP COVER SWITCH
IP DOOR SWITCH
IPF FULL WASTE SWITCH
ITB CUP SHIFT ARM SWITCH
IVB EMPTY CUP SWITCH
KS1-2 SAFETYCUTOUT
KS3-4 PUMPSAFETYCUTOUT
LF LAMP
MC1-.. STIRRERCOLUMNMICRO
MSB CUP RELEASE MOTOR
FA
T15A
L
N
IP
IP
T2A
230V
T6,3A
F 230V
N 230V
230V
6
6 7
7
30
01 3 1
6
24V-6A
0
0
SM1
90
0
2
J6
14
J6
15
J6
3
P4A
3
P4A
1
J20
SUC
1
2
1
5
J14
SUC
3
9
2
1
2
90
J7
3
J7
2
J7
1
30
J16
3
J16
1
93
30
EX
J15
3
8
45
PM
EEA
KS3
IVB
0
5
30
J6
15
J6
2
10
1
J15
5
2
30
0
1
CMSB
PSB
7
7
6
1
6
MSB
6
MSCB
7
28
28
J15
6
J15
4
71
VENT
J17
1
3
1
2
+
-
6
90
J17
2
2
4
0
J6
4
97
ITB
6
0
J6
5
7
ICR
5
J6
15
0
MSV
J19
7
-
+
2
J19
1
2 1
TRASLATORE BICCHIERI 1
1 3
J19
10
J19
9
8
EVT
-
+
0
J18
7
7
MC1
0
J18
6
6
MC2
J18
12
0
MSP
J19
4
-
+
J19
3
2 1
SGANCIO PALETTE/ZUCCHERO
J6
6
IPF
J6
15
346
0
J6
10
96
Mvuoto
5
7 8
F230V
1
1
J14
1
J15
1
J8
SM1
8 6
1
PS1
7
3
PS2
1 9
7
3
7
45
KS
VAR
PM
PM
KS
VAR
SCIROPPI
45
0
6
PB
45
6
1
PB
10 80
600
9
92
8
SM2
1
J1
93
2
J2
2
J2
3
97
3
J2
4
87
6
J2
5
70
1
6
7 9
1
8
45
N 230V
F 230V
J2
1
1
UPS/SCIROPPI/RISC.
1
2
J3
SM1
3
4
5
F 230V
Door connector
1 2
16
10
9
11
4
3
1
2
15
8
7
3
+
-
LF
P52
P53
1 3
41
Sled
P21A
1
P21A
4
22
230V
T3,15A
8,5V
3A
T200mA
230V
1
2
R
1
2
R
1
2
R
1
2
R
1
2
R
1
2
R
1
2
R
1
2
R
RISC.
8
9
7
6
7
MSB2
MSCB2
TRASLATORE BICCHIERI 2
3
12
+
-
J19
8
MSV
2
5
ITB2
9
J18
3
0
4
2 3
10
4
11
9 96 2
SM1
0
70
93
97
6
MSCB
MSB
6
3
4
CMSB2
1
8
7
IVB2
22
J6
15
J18
2
N 230V
J6
11
80
2 8 1
14
6
7
J2-3 SM2
J2-2 SM2
*
FOR AUSTRALIA 230-240V 50-60Hz
FOR BRASIL AND KOREA 220-230V 60Hz
*
*
*
*
*
*
*
*
*
*
R1
M1
P1
P2
R2
M2
PTC PTC
1
2
J2
SM1
3
4
J1
SM1
7
6
5
4
3
2
1
2
3
4
5
6
1
SCIROPPI 24Vdc
7
0
8
2
L2 U1
N4 U3
45
1 2 3 4
1
4
7
10
13
2
5
8
11
14
3
6
9
12
15
UPS
1 2 3
1 2 3
5
9 1
CAN
BUS
CANTO
-
SCHEMA ELETTRICO
ALIMENTAZIONE
03/06/2008
608548503
BREMBILLA
MONGUZZI
A
-
A3
T
h
is drawing contains confidential information and is
the property of the
holding company of N&W or one of its
subsidiaries,without whose permission it may not be
copiedor discosed to third parties of otherwise used.
This drawing has to be returned promptly upon request
to N&W.
6
9
8
7
5
4
3
2
1
0
6
9
8
7
5
4
3
2
1
0
6
9
8
7
5
4
3
2
1
0
6
9
8
7
5
4
3
2
1
0
6
9
8
7
5
4
3
2
1
0
LEGENDA
CHECKEDPREPAREDSHEETDATE
DEFINITIONMODEL
BLANCO
GRIS
ROSA
ROSA
AZUL CLARO
OSCURO
VERDE
AMARILLO
NARANJA
ROJO
MARRON
NEGRO
WEISS
GRAU
LILLA
ROSA
HELLBLAU
BLAU
GRUEN
GELB
ORANGE
ROT
BRAUN
SCHWARZ
BLANC
GRIS
ROSE
ROSE
BLEU CIEL
BLEU
VERT
JAUNE
ORANGE
ROUGE
MARRON
NOIR
WHITE
GREY
VIOLET
PINK
LIGHT BLUE
BLUE
GREEN
YELLOW
ORANGE
RED
BROWN
BLACK
BIANCO
GRIGIO
VIOLA
ROSA
AZZURRO
BLU
VERDE
GIALLO
ARANCIO
ROSSO
MARRONE
NERO
1/1
VERSIONPART NUMBER
SX 6085 485 03
This drawing contains conī°dential informa-
tion and is the property of the holding compa-
ny of N&W or one of its subsidiaries, without
whose permission it may not be copied or
disclosed to third parties of otherwise used.
This drawing has to be returned promptly
upon request to N&W

Related product manuals