EasyManua.ls Logo

Nera Inmarsat-c - Page 28

Nera Inmarsat-c
228 pages
Print Icon
To Next Page IconTo Next Page
To Next Page IconTo Next Page
To Previous Page IconTo Previous Page
To Previous Page IconTo Previous Page
Loading...
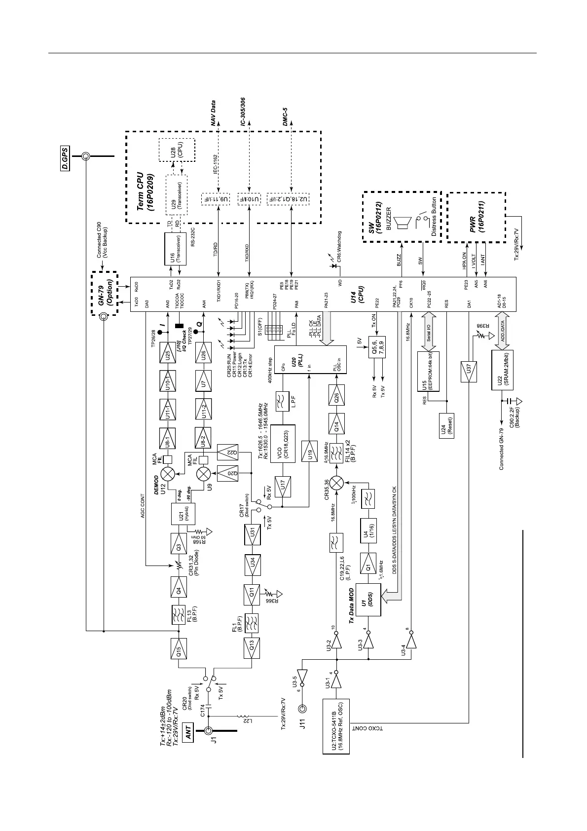
2.3 Terminal unit, IC-215
2-8
Fig.2.3.3 Block diagram of RF CON/CPU board

Table of Contents