EasyManua.ls Logo

Nera Inmarsat-c - TERM CPU Board (16 P0209)

Nera Inmarsat-c
228 pages
Print Icon
To Next Page IconTo Next Page
To Next Page IconTo Next Page
To Previous Page IconTo Previous Page
To Previous Page IconTo Previous Page
Loading...
2.3 Terminal unit, IC-215
2-19
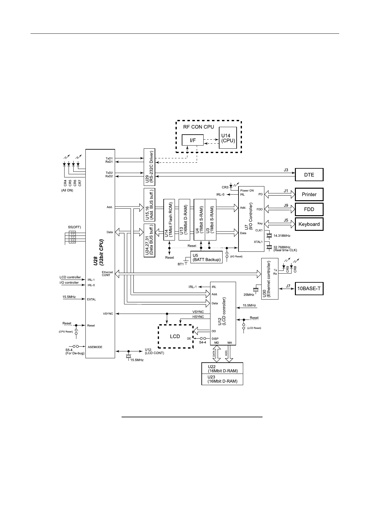
2.3.2 TERM CPU board (16P0209)
printer, a keyboard, FDD, Ethernet and DTE (PC).
Fig.2.3.14 shows the block diagram of the TERM CPU board.
Fig.2.3.14 Block diagram of TERM CPU board
TERM CPU board, which is the same as the terminal unit of Nera C 12, controls LCD, a

Table of Contents