EasyManua.ls Logo

Nera Inmarsat-c - Default Chapter; PWR Board (16 P0211)

Nera Inmarsat-c
228 pages
Print Icon
To Next Page IconTo Next Page
To Next Page IconTo Next Page
To Previous Page IconTo Previous Page
To Previous Page IconTo Previous Page
Loading...
2.3 Terminal unit, IC-215
2-29
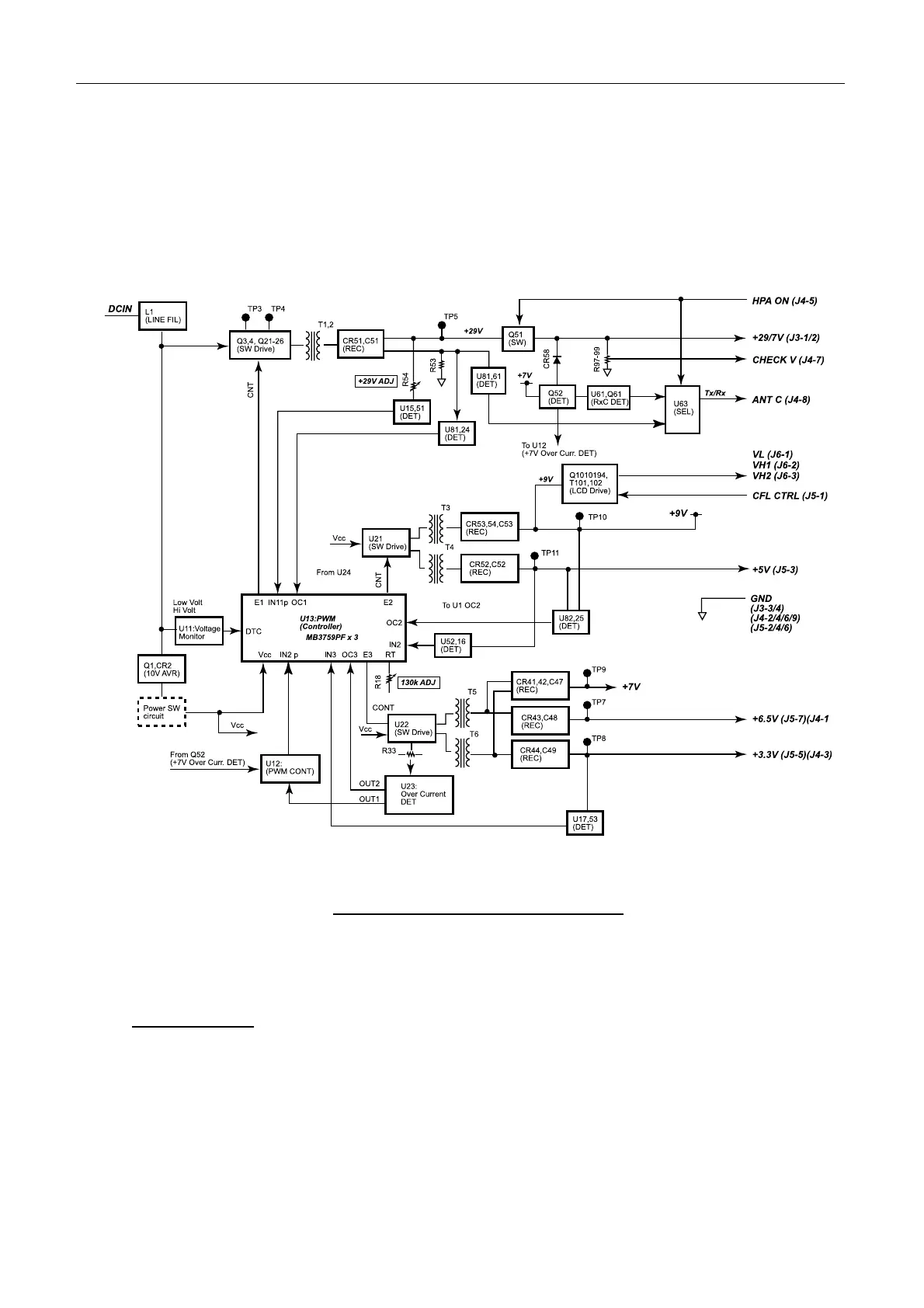
2.3.4 PWR board (16P0211)
The input voltage of this switching power supply is from 10.8 V to 31.2 V. The maximum
output current is 13 A when the input voltage is 10.8 V.
Fig.2.3.16 shows the block diagram of the PW board.
Fig.2.3.16 Block diagram of PW board
Output voltage
- +29V (TX: 3A)/+7V (RX:0.2 A): Antenna unit power supply (Controlling by the HPA ON
signal from RF CON/CPU board.)
- +6.5V, +3.3V and +5.0V
- VH1 and VH 2: Power supply for LCD (Controlling CFL CTRL signal from TERM CPU
board.)

Table of Contents