EasyManua.ls Logo

Nera Inmarsat-c - Page 33

Nera Inmarsat-c
228 pages
Print Icon
To Next Page IconTo Next Page
To Next Page IconTo Next Page
To Previous Page IconTo Previous Page
To Previous Page IconTo Previous Page
Loading...
2.3 Terminal unit, IC-215
2-13
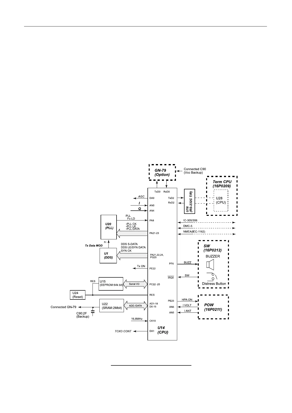
3) CPU
CPU, HD64F7065 is 32 bit single tip microcomputer with DSP function. It consists of ROM
(256 kbyte), RAM (8 kbyte), A/D (8 channels), D/A (2 channels), Timer (8 channels),
watch-dog timer (1 channel) and Serial communication I/F (3 channels).
RF CON/CPU board communicates with TERM CPU board by TD and RD signals which
are I/F of RS-232C.
- Controlling communication protocol of Inmarsat C.
- TX/RX Signal processing - Changing TX and RX circuit
- AGC controlling - Controlling PLL and DDS circuit
- Communicating with TERM CPU - Handling of NMEA data
- Controlling the IC-305 and the IC-306
- Monitoring SYN, V CHK and I ANT signals
Fig.2.3.10 shows the CPU connecting signal.
Fig.2.3.10 CPU connecting signal

Table of Contents