EasyManua.ls Logo

Nibe FIGHTER 640P - Page 31

Nibe FIGHTER 640P
40 pages
Print Icon
To Next Page IconTo Next Page
To Next Page IconTo Next Page
To Previous Page IconTo Previous Page
To Previous Page IconTo Previous Page
Loading...
29
FIGHTER 640P
For the Installer
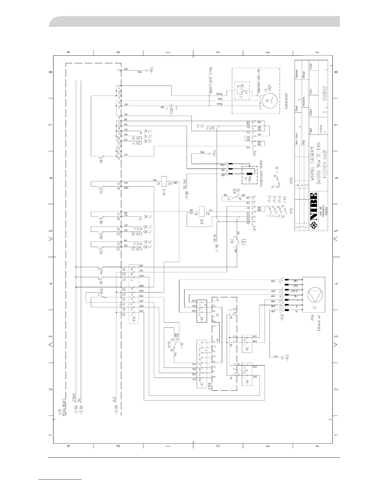
Electrical circuit diagram

Table of Contents

Related product manuals