EasyManua.ls Logo

Nice 7251 - Page 59

Nice 7251
82 pages
Print Icon
To Next Page IconTo Next Page
To Next Page IconTo Next Page
To Previous Page IconTo Previous Page
To Previous Page IconTo Previous Page
Loading...
7251 / 7351 Slide Gate Operator
INSTALLATION AND PROGRAMMING MANUAL
59
DISPLAY
6. Sun Volt
DISPLAY
7. Motor Volt
DISPLAY
8. Service
DISPLAY
9. Motor
DISPLAY
------------
DISPLAY
------------
DISPLAY
------------
DISPLAY
------------
DISPLAY
------------
DISPLAY
------------
DISPLAY
10. Motor 1
DISPLAY
11. Motor 2
DISPLAY
12. Charger
DISPLAY
13. Diagnosc
DISPLAY
14. Last Reset
SUN VOLT
24.6V
MOTOR VOLT
24.7V
SERVICE
Total 6
SERVICE
Paral 0
SERVICE
Maint. 10,000
OK
OK
OK
OK
OK
OK
OK
OK
OK
OK
OK
OK
OK
Connued from last page
OK
OK
OK
PRESS &
HOLD
CLEAR
COUNT
CLEAR
COUNT
PRESS &
HOLD
50,000
1,000
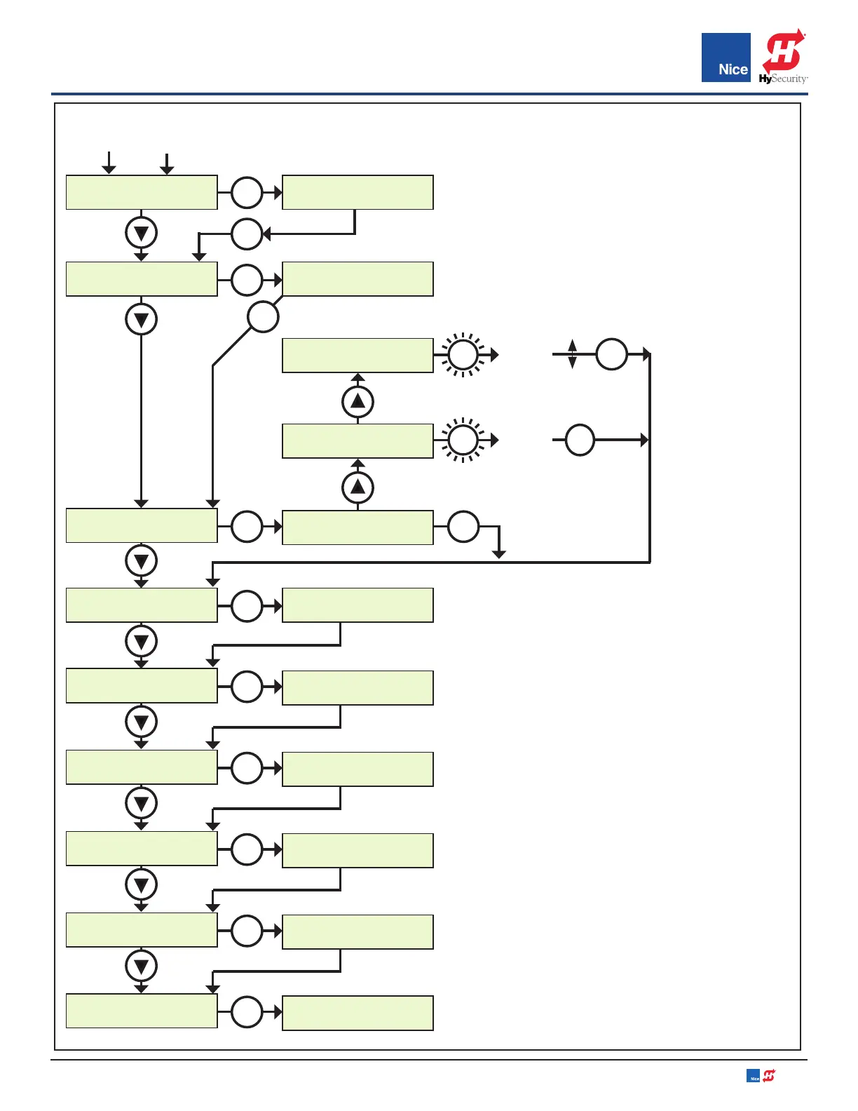
DISPLAY BUTTON MENU (CONT.):
Sun Volt: Displays the solar panel input voltage in
volts DC.
Motor Volt: Displays the voltage at the motor in
volts DC.
Service: The following information is recorded
and viewable about the operating history of the
gate:
Total: Displays the total number of open-close
cycles (non- Settings ).
Partial: Display the total number of partial cycles.
Reset by pressing the “OK” button for several
seconds.
Maint: Display the number of cycles before ser-
vice is required. Settings from 1000 to 50000 cy-
cles in increments of 1000 cycles.
Motor: Used only for commercial operators. Dis-
plays the Motor position, voltage, and current for
the MOTOR output.
Motor 1: Used to view position, voltage, and cur-
rent for Motor1 (primary actuator).
Motor 2: Used to view position, voltage, and cur-
rent for Motor2 (secondary actuator).
Charger: Displays the battery charger voltage and
current.
Diagnostic: Factory use only.
Last Reset: Factory use only.
DISPLAY BUTTON (CONT.):
www.ApolloGateOpeners.com | (800) 878-7829 | Sales@ApolloGateOpeners.com

Table of Contents

Other manuals for Nice 7251

Related product manuals