EasyManua.ls Logo

Nidec F600 - Page 13

Nidec F600
46 pages
Print Icon
To Next Page IconTo Next Page
To Next Page IconTo Next Page
To Previous Page IconTo Previous Page
To Previous Page IconTo Previous Page
Loading...
F600 Step By Step Guide 12
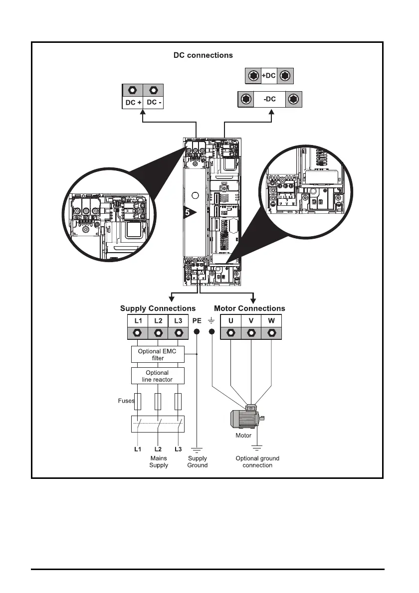
Figure 6-3 Size 5 power and ground connections

Related product manuals