EasyManua.ls Logo

Nilfisk-Advance Advance SC750 ST

Nilfisk-Advance Advance SC750 ST
133 pages
To Next Page IconTo Next Page
To Next Page IconTo Next Page
To Previous Page IconTo Previous Page
To Previous Page IconTo Previous Page
Loading...
Service Manual: SC750, SC800, SC 750 ST, SC800 ST
Form Number 56043150 Page 62

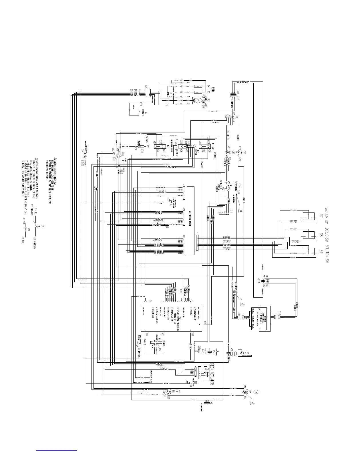
The rst page is a “complete” view. When viewing on a computer it can be enlarged to be legible while retaining the con-
venience of a single page. The following pages are the same diagram enlarged on mulple pages so that they are legible
when printed. There is overlap across the pages. When printed they can be lined up and taped together.

Table of Contents

Related product manuals