EasyManua.ls Logo

Nilfisk-Advance Advance SC750 ST

Nilfisk-Advance Advance SC750 ST
133 pages
To Next Page IconTo Next Page
To Next Page IconTo Next Page
To Previous Page IconTo Previous Page
To Previous Page IconTo Previous Page
Loading...
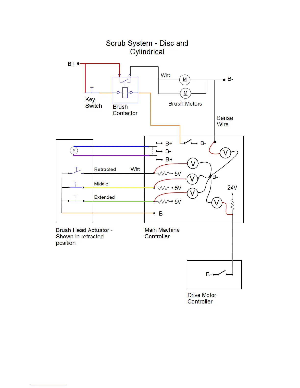
Service Manual: SC750, SC800, SC 750 ST, SC800 ST
Form Number 56043150 Page 95

Table of Contents

Related product manuals