EasyManua.ls Logo

Norcool Cu-450 Split - Page 21

Norcool Cu-450 Split
Print Icon
To Next Page IconTo Next Page
To Next Page IconTo Next Page
To Previous Page IconTo Previous Page
To Previous Page IconTo Previous Page
Loading...
6
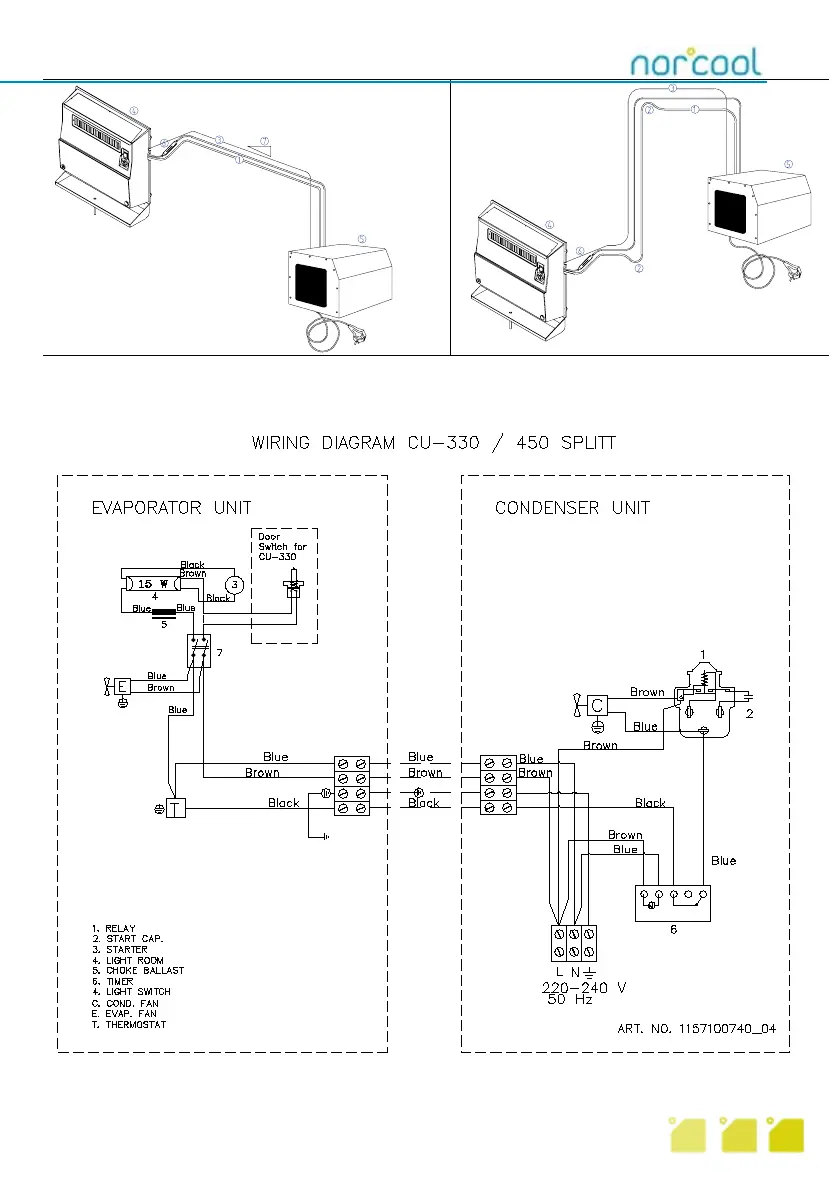
Alternativ 1
1. Sugningsrör 4. Kall del
2. Oljelås 5. Varm del
3. Elektrisk kabel 3 6. Filter
plusjord 7. Fall
Elektriska anslutningar och koppling
Koppla en plusjord med tre ledare (för min. 10 A) från radklämmorna på förångardelen till radk-
lämmorna på kondensatordelen. Kopplingsschemat sitter bakom en panel i kondensatordelen.
Alternativ 2

Table of Contents

Related product manuals