EasyManua.ls Logo

Norcool Cu-450 Split - Sähköinen Kytkentä Ja Liitäntä

Norcool Cu-450 Split
Print Icon
To Next Page IconTo Next Page
To Next Page IconTo Next Page
To Previous Page IconTo Previous Page
To Previous Page IconTo Previous Page
Loading...
6
Vaihtoehdossa 1
Vaihtoehdossa 2
1. Imuputki 4. Kylmä osa
2. Öljylukko 5.Lämmin osa
3. Sähkökaapeli 6. Suodatin
3 plus maa 7. Pudotos
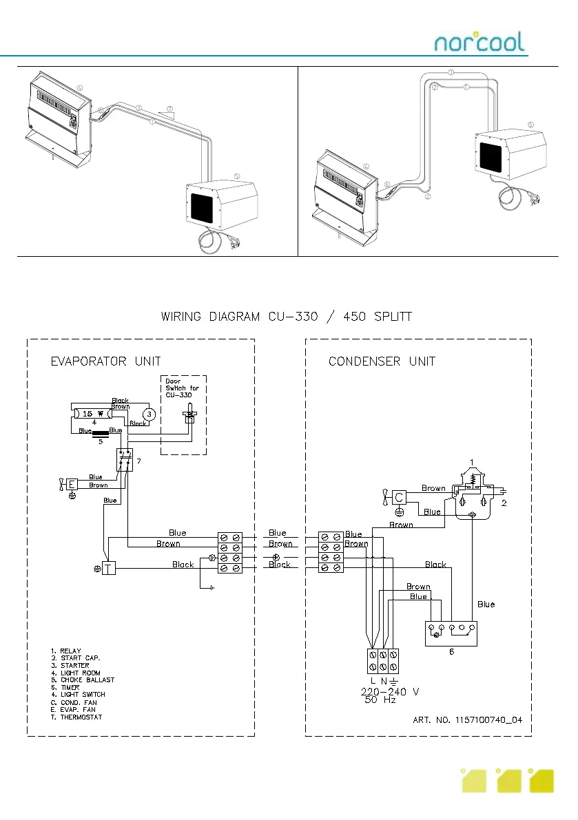
Sähköinen kytkentä ja liitäntä
Vedetään 3-sähköjohto plus maa (vähintään 10 A:n johto) höyrystinosan riviliittimestä kondensaat-
toriosan riviliittimeen. Kytkentäkaavio on sijoitettu kondensaattoriosan kannen sisäpuolelle.

Table of Contents

Related product manuals