EasyManua.ls Logo

Notifier AFP-200 - Page 95

Notifier AFP-200
120 pages
Print Icon
To Next Page IconTo Next Page
To Next Page IconTo Next Page
To Previous Page IconTo Previous Page
To Previous Page IconTo Previous Page
Loading...
AFP-200 Instruction PN 15511:F2 10/11/99 95
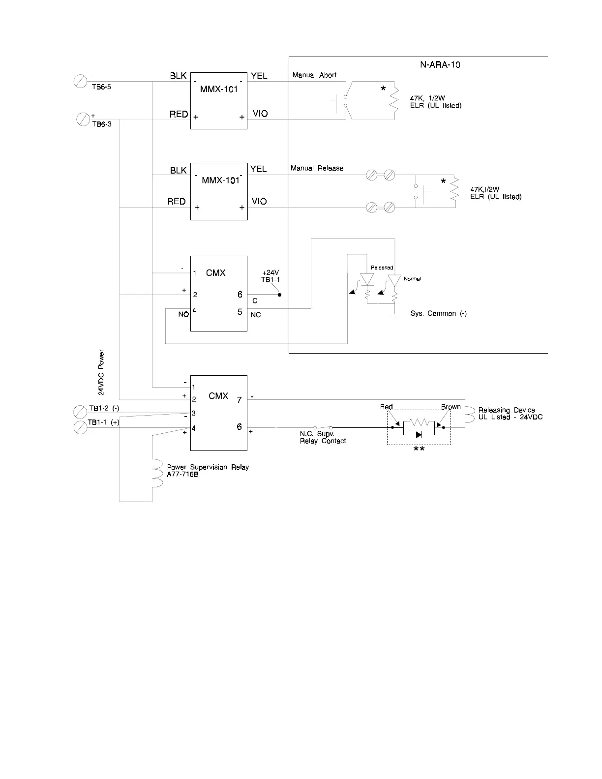
Figure D-4 Employing N-ARA-10 Agent Release-Abort Station
Notes:
1. For releasing applications use an end-of-line device (part number REL-47K) with the CMX module. Use an
end-of-line device (part number REL-4.7K) with the control panel releasing circuit (one of the four NACs).
2. All wiring for releasing circuits is supervised against open and shorts.
3. Connect the end-of-line device as shown in Figure D-4.
4. Program the module or NAC for REL CKT ULC type code.
SLC to AFP-200
AFP-200, TB1-2
from AFP-200
AFP-200
* ELR model R-47K
Supervised and Power-limited
See Doc no. 15453 for additional information
** End-Of-Line Device REL - 47K
Alarm polarity shown

Other manuals for Notifier AFP-200

Related product manuals