EasyManua.ls Logo

ODES UTV Desertcross 1000cc-3 - STARTING SYSTEM; Starter motor

ODES UTV Desertcross 1000cc-3
230 pages
Print Icon
To Next Page IconTo Next Page
To Next Page IconTo Next Page
To Previous Page IconTo Previous Page
To Previous Page IconTo Previous Page
Loading...
10. ELECTRICAL SYSTEM
10-
9
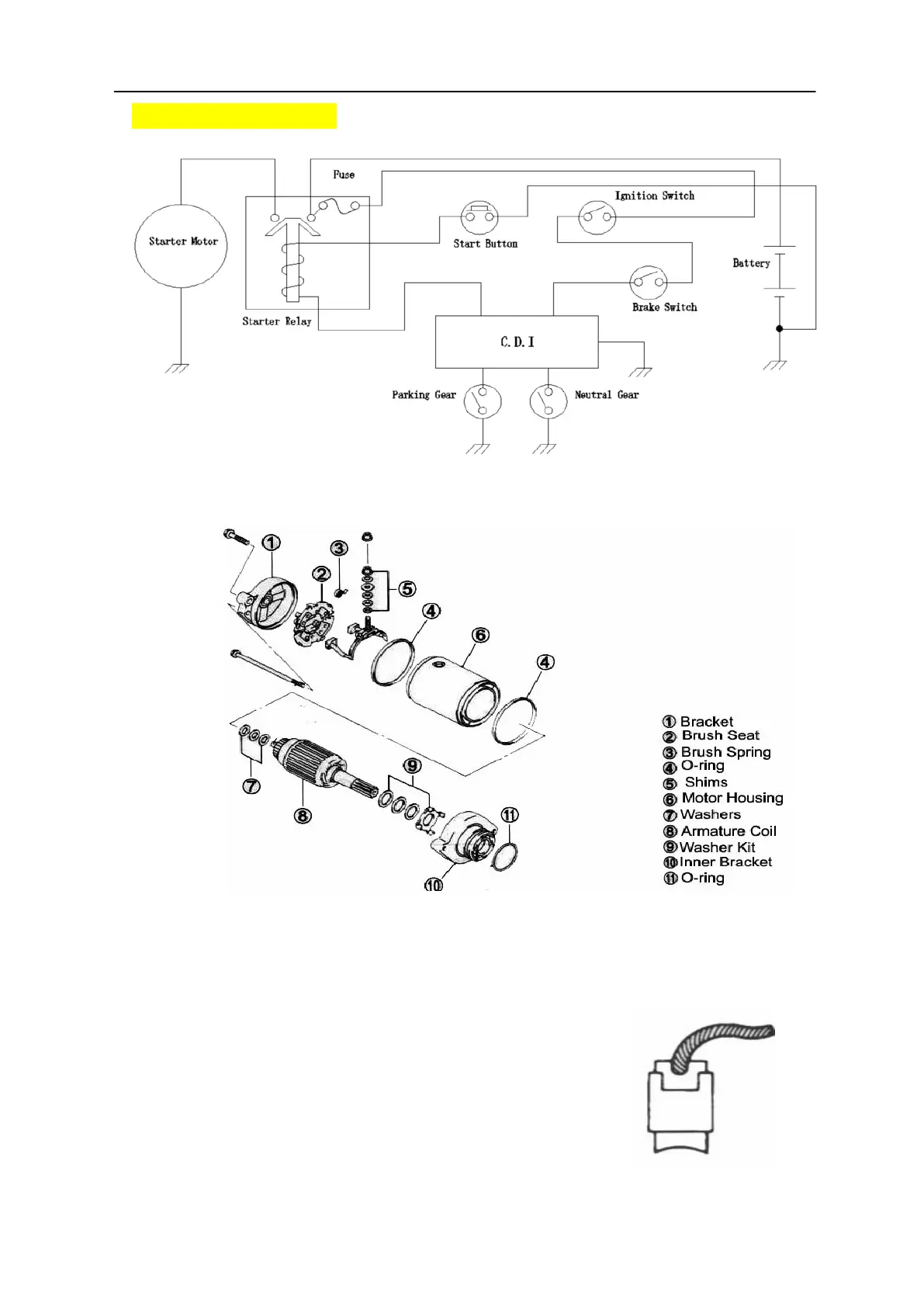
STARTING SYSTEM
Starter motor
Brush
Z Check the brush on the brush holder whether it
is worn abnormal, cracked or not smooth.
Worn, cracked, or not smooth: → Replace

Related product manuals