EasyManua.ls Logo

ODES UTV Desertcross 1000cc-3 - RADIATOR

ODES UTV Desertcross 1000cc-3
230 pages
Print Icon
To Next Page IconTo Next Page
To Next Page IconTo Next Page
To Previous Page IconTo Previous Page
To Previous Page IconTo Previous Page
Loading...
3. ENGINE
3-
10
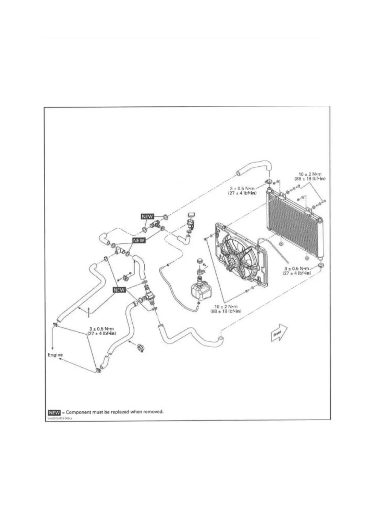
COOLING SYSTEM
RADIATOR
1000R Engine

Related product manuals