EasyManua.ls Logo

Oki ES8473 - Page 254

Oki ES8473
271 pages
Print Icon
To Next Page IconTo Next Page
To Next Page IconTo Next Page
To Previous Page IconTo Previous Page
To Previous Page IconTo Previous Page
Loading...
Oki Data CONFIDENTIAL
45850101TH Rev.1
6-3
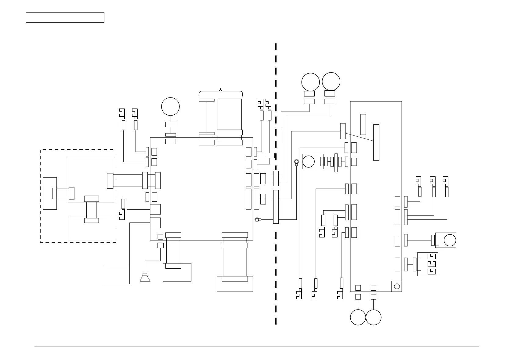
6. CONNECTION DIAGRAMS
(2) Scanner section
USB
MEM
IC_CARD
FDCL
(AMP 2P)
AMP 2P
Feed
Clutch
Regist
Clutch
AMP 2P
Document width detect
1
Document width detect
2
Document width detect
3
RGCL
(AMP 2P)
(AMP 3P)
REG
DFS
TX
SCN
SETCOV
HOP
PSIZLDFSRX
PSIZEW
REV
ADFMOT
SUIF (JST 34P)
ADF relay board
(Board-6RL)
(AMP 6P)
AMP 6P
AMP 3P
AMP 3P
AMP 3P
AMP 3P
AMP 3P
Regist sensor
Scan sensor
Reverce sensor
Document set
ADF top cover open close detect
(AMP 8P)
(JST 4P)
(JST 7P)
JST 7P
(JST 6P)
JST 6P
JST 5P
(AMP 5P)
AMP 5P
JST 5P
DFSRX
(AMP 4P)
(JST 5P)
ADFWS
JST 6P
JST 6P JST 6P
Document double
feed sensor board (Tx)
(Board-6JC)
Document double feed
sensor board (Rx)
(Board-6JD)
ADF paper width sensor board
(Board-6WB)
JST 6P
(JST 3P)
JST 4P
AMP 3P
AMP 3P
AMP 3P
Hopping sensor
Document length detect1
Document length detect2
JST 34P
DFSTX
JST 3P
JST 3P
AMP 3P
AMP 3P
AMP 3P
Relay connector
JST 26p
(JST 26p)
Flatbed
motor
ADF feed
motor
ADF
hopping
motor
Scanner board
(Board-6SU)
Core
AMP 4P
AMP 3P
AMP 3P
AMP 3P
AMP 3P
(AMP 3P)
(JST 3P)
(JST 4P)
(AMP 3P)
AMP 3P
AMP 3P
AMP 3P
(JST 3P)
JST 3P
(JST 8P)
ADFM
ADF_SU
FBS
OPN_R
ADF_OPEN_R sensor
Home position sensor
JST 4PJST 3P
PSIZ1
PSIZ2
OPN_F
7INCHIF
FBM
FAXIF
SPK
JST 2P
FFC24P
(JST 2P)
CN3
Core
FAX board
(Board-FXS)
Speaker
POWER_IN
CD2_CUIF
To CU/PU board
FFC 50P
CIS1
CIS1
CIS
(JST 14P)
JST 14P
FFC50P
Core
Core
Core
Core
JST 14P
Panel board
(Board-TP1)
FB Unit ADF Unit
7-inch tauch Panel
7-inch tauch Panel
Switch board
(Board-THS)
(IC_Card reader)
(USB memory)
FFC 22P
FFC 22P
FFC 40P
ADF Open F sensor
Document detect sensor1
Document detect sensor2
JST 5p
AMP 4P
Tube Tube
JST 8p
Core

Table of Contents

Related product manuals