EasyManua.ls Logo

Oki ES8473 - System Configuration

Oki ES8473
271 pages
Print Icon
To Next Page IconTo Next Page
To Next Page IconTo Next Page
To Previous Page IconTo Previous Page
To Previous Page IconTo Previous Page
Loading...
AMP3P
AMP3P
AMP3P
AMP4P
AMP12P
9715S-
12Z02
AMP4P
AMP5P
AMP6PAMP5P
AMP2P
AMP12P
AMP3P
AMP3P
AMP7P
JST6P
AMP11P
MFP potision
IN sensor
HOP sensor
Paper end
sensor
Paper size
switch
IN sensor
Bottom sensor
Front sensor
Rear sensor
9715S-
11Z02
AMP4P
AMP3P
AMP6P
SNS03
SNS12
CL1FAN
MOTOR
TH
AMP3P
AMP12P
MAIN1
AMP2P
AMP2P
AMP3P
9715B-
12Z02
AMP13P
MAIN2
MAIN1
CL1
MOTOR
AMP12P
AMP2P
Duplex FAN
Separator solenoid
Hopping clutch
Feed clutch
Duplex clutch
JST3P
AMP12P
AMP11P
9715B-
11Z02
JST24P
AMP5P
AMP5P
AMP3P
AMP6P
AMP3P
JST5P
FSNS
PUIF
RELAY
Scanner <- ->Printer
MPT PE
PE_HOP
WR sensor
IN1 sensor
IN2 sensor
JST5P
FSNS
SNSS
SNSS
AMP14P
MOTERCL
OPTION
PSIZE IDMFAN
SNS03
SNS12 PSZ
CL2
SATA
POWER
SATAIF
STP
EXIT2
FACEUP
WLAN
WLAN
Module
Face up cover
open close detect
switch
EXIT2
sensor
Offline
stapler
Motor cooling
FAN
Paper size
switch
To 2nd Tray
To MFP or upper tray
To under tray
To Duplex Unit
Front Assy <--> Printer
HOPCL
DCID
DCHEAT
SIDEFAN
RFID
HVOLT
B21F
HVOLT
CL1
SNSIF
MOTIF
PM
REV
FAX
FAX
SETCOV
Paper route
setting Solenoid
Stacker full sensor
Cover open sensor
Speaker
OPE
RTC
FUSERIN
RCR LCR
DENS
SOL
BELTFAN
POWFAN
EXITFUSER
CUIF
SUPOW
SCN OP
SUPOW
SUIF
OPE
Speaker
ID UP/DOWN
sensor
FFC6P
AMP4P
JST9P
JST9P
AMP2P
JST8P
TonerLow
sensor
TonerLow
sensor
TonerLow
sensor
TonerLow
sensor
AMP3P
JST8P
AMP4P
FFC30P
FFC30P
JST2P
JST2P
JST2PJST2P
K2
Y2
M2
C2
Cover Open switch
Fuser FAN1
Inside temperature thermistor
FFC10P
FFC10P
AMP6P
AMP3P
AMP3P
JST6P
JST7P
AMP12P
JST4
P
JST24P
AC
9715B-
12Z02
K-HEAD
Y-HEAD
M-HEAD
C-HEAD
FFC
24P
FFC
24P
FFC
24P
FFC
24P
FFC
24P
FFC
24P
FFC
24P
FFC
24P
JST4P
JST3P
FFC13P
FFC13P
AMP4P
JST3P
AMP3P relay
Hopping CL
TOP cover
open switch
WR sensor board
(Board-RSG)
MPT paper end sensor
Paper end sensor
HOP sensor board
(Board-HSC)
Duplex Unit 2nd(3rd/4th)Tray
Environment
sensor board
(Board-8TH)
ID motor(DC)
Fuser motor(DC)
Belt motor
Hopping motor
Discharging light Board-P6D
Discharging light Board-P6D
Discharging light Board-P6D
Discharging light Board-P6D
MPT CL
Reg CL
ID UpDown CL
JST3P
JST24P
POWER
JST2P
LAN
AMP2P
AMP3P
HOP sensor
JST3P
FFC4P
FFC4P
AMP4P
AMP3P
FFC4P
FFC4P
MOLEX5P
MOLEX5P
Fuser release sensor
Exit sensor
Shutter solenoid
Belt FAN
Fuser IN sensor
Color registration
sensor board
(Board-PRC)
Color Density sensor
JST3P relay
JST3P
AMP2P
JST8P
Core
FFC6P
AMP2P relay
AMP2P relay
JST2P
AMP2P
AMP3P
Low voltage
FAN
USB MEM
Core
USB
DEV
FFC6P
FFC6P
AC inlet
Core
JST14P
FFC50P
JST14P
FFC50P
FFC24P
AMP8P
USB
HUB
IC_CRAD
FRONT
USB
Extension cable
IC card
reader
SATA I/F
GLAN
PHY
FFC22P
HOST USB
2Bin Unit
JST2P
JST11
JST10
AMP8
2bin LED board
(Board-1LD)
Paper detect sensor
Scanner open switch
JST2P
AMP3P
JST2P
RFID
Board-POL
RFID R/W
CU/PU board
(Board-6CU)
Toner sensor board
(Board-TSA)
Fuser right side FAN
High-Voltage
Power board
(Board-EHV)
Low-Voltage Power board
(1H609WA)
CD2
PC I/F
HDD
DDR2
DIMM(1GB)
DDR2
(128MB)x2
2bin relay board
(Board-7RL)
Scanner board
(Board-6SU)
FAX board
(Board-FXS)
Relay board
(Board-P6Z)
Fuser Unit
7 inch OPE
BIN1
Stacker Full sensor
Core
Core
Duplex unit board
(Board-GOH-1)
2nd(3rd/4th)Tray unit board
(Board-GOH-2)
Oki Data CONFIDENTIAL
45850101TH Rev.1
1-2
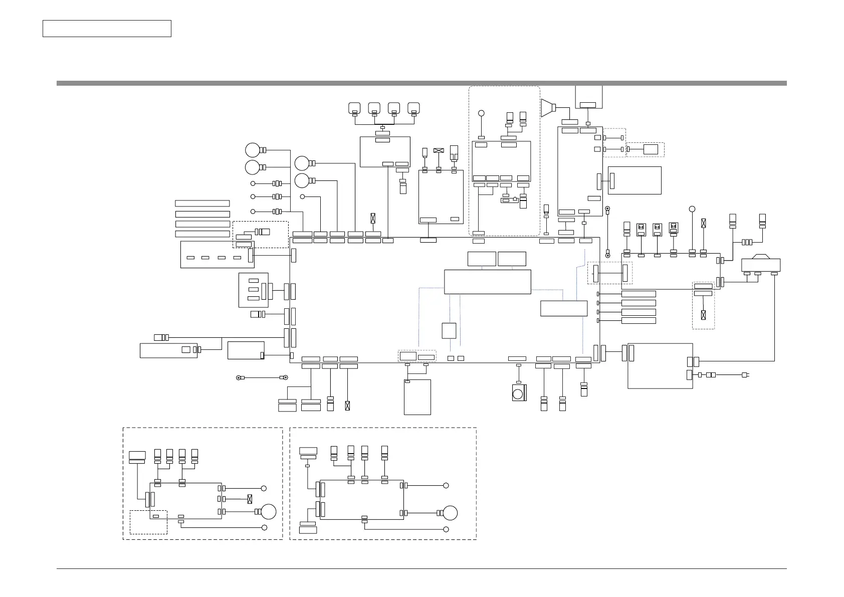
1. CONFIGURATION
1.1 System configuration
System Configurations of the MFP Unit.
The system configuration of this product is shown in
Figure 1-1
Figure 1-1-1 (Printing Section side)

Table of Contents

Related product manuals