EasyManua.ls Logo

Olympus CX21 - Replacing Circuit Board; CX21 Wiring Diagram; Replacement of Circuit Board; Socket

Olympus CX21
25 pages
Print Icon
To Next Page IconTo Next Page
To Next Page IconTo Next Page
To Previous Page IconTo Previous Page
To Previous Page IconTo Previous Page
Loading...
CX21 MAINTENANCE MANUAL REPAIR PROCEDURE
- 18 -
4. Replacing Circuit Board
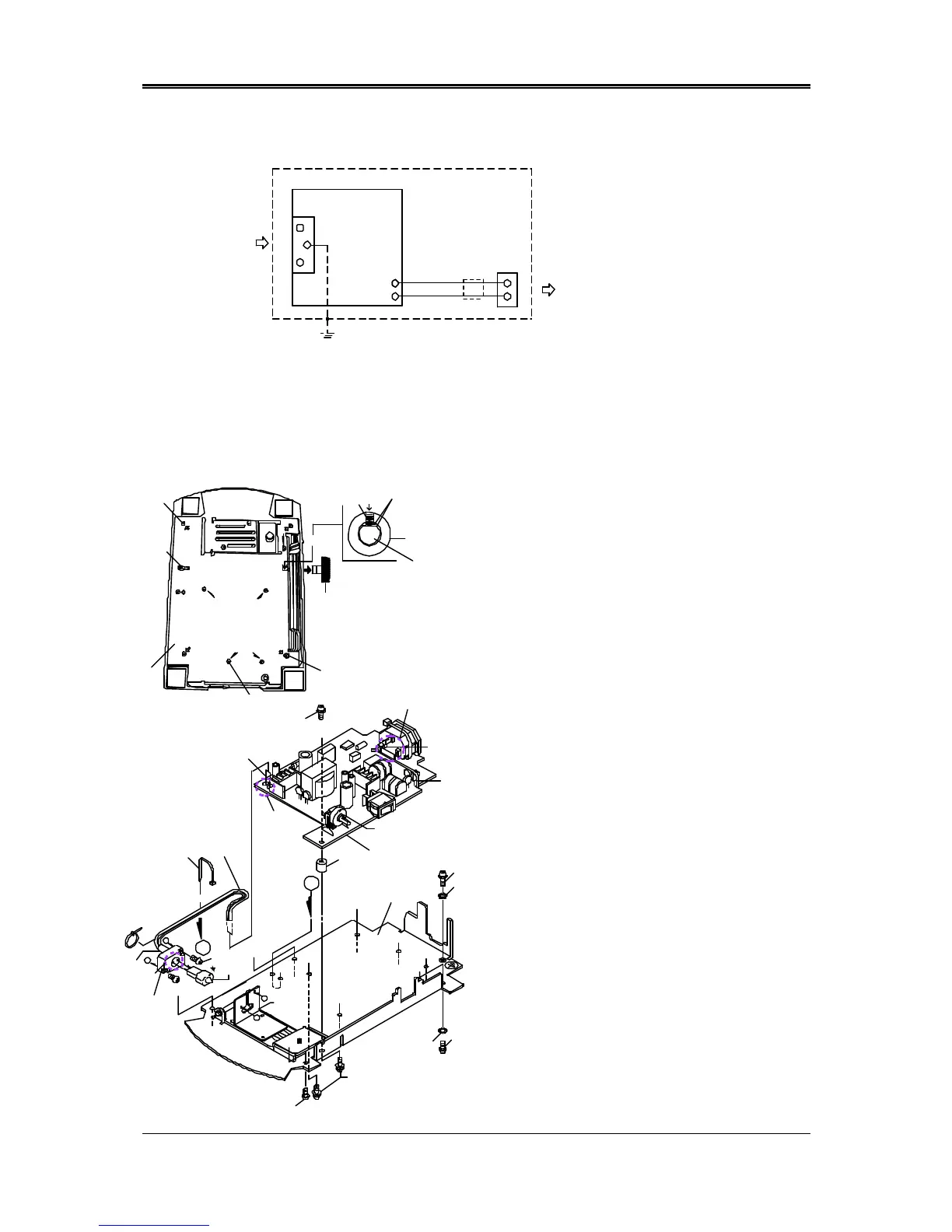
4-1 CX21 wiring diagram
6V20W
Halogen Lamp
INPUT
100-120/
220-240VAC
50/60Hz
(Inlet)
U1
L
N
E
1
X1
2
X2
X3
XDS1
Circuit Board
If the lamp is not lit, check if the halogen bulb (6V20W) is broken or lamp socket is burned and
also check that the voltage is being outputted each from (1), (2), (3) using multimeter to identify
the defective part. (Refer to the figure below.)
In case where there is a problem in the circuit board, replace the circuit board as a whole because
the components can not be supplied. Since the rheostat assy is incorporated in the circuit board,
4-2 Replacement of circuit board / socket
C
(a)
100-120V /
220-240VAC
(1)
(2)
C
6V20WHAL
D
(3)
D
D
D
(a)
(a)
(a)
(a)
(b)
(b)
(b)
(b)
(b)
slit
Dial side
Shaft
D-cut surface
*1*2 (a)
(A)
*3 (b)
X1/X2 : Binder
X3 : Tube
XDS1 : Socket
*3
*3
*2
(B)
(E)
(C)
(B)
(D)
*4
*5
(G)
(H)
*6
*2
(F)
Screw with washer
(a): screw (*2) for fixing
the base plate (B).
< Fig. 1 >
< Fig. 2 >
< 5 pcs. >
(b): screw (*3) for fixing
< 5 pcs. , 5 pcs. on board>
Only use it
on this side.
( refer to Fig.1. )
soldering
Socket
cable
(H)
(I)
the voltage adjustment is not necessary. ( It has been already adjusted: Min. 1.5V or less, Max. 4.5V +/-0.3 )
Rheostat assy
(1) Insert a Allen wrench from the slit of bottom
and loosen the screw (*1) as shown in Fig.1.
Screw : ACU3X5SA (*1), 1pc.
(3) Take off the bottom plate (B) by removing the
screws (*2) indicated by (a) as shown in Fig.1
and Fig.2.
Screws : CUK3X6SA (*2), 5pcs.
Washer : HWB3SA, 1pc.
(only use it on the lower right as show in Fig. 1.)
(2) Pull out the dial (A) in arrow direction.
(4) Remove the spacers (C) by removing the
screw (*3) indicated by (b) as shown in Fig.1
and Fig. 2.
Screws : CUKSK3X6SA (*3), 10pcs.
(5) Remove the ground wire (D) from the bottom
plate (B).
Screw : CUKSK4X6SA (*4), 1pc.
(Spacer: 5pcs; 2 screws are used in 1 spacer
as shown in Fig.2.)
(6) Disconnect the socket cable from the part (2)
Washer : HWB4SA, (*5), 1pc.
by unsoldering it.
(7) Take off the circuit board (E) and replace it.
* If the socket (G) is replaced, remove the screws
(*6) from the socket mount (F), cut the two
binders (H) and remove the tube (I).
(8) Assemble them in reverse order .
A004
A005
A006
A007
A008

Other manuals for Olympus CX21

Related product manuals