EasyManua.ls Logo

Olympus DS 30 - Notes on the Folders

Olympus DS 30
305 pages
Print Icon
To Next Page IconTo Next Page
To Next Page IconTo Next Page
To Previous Page IconTo Previous Page
To Previous Page IconTo Previous Page
Loading...
19
1
Notes on the Folders
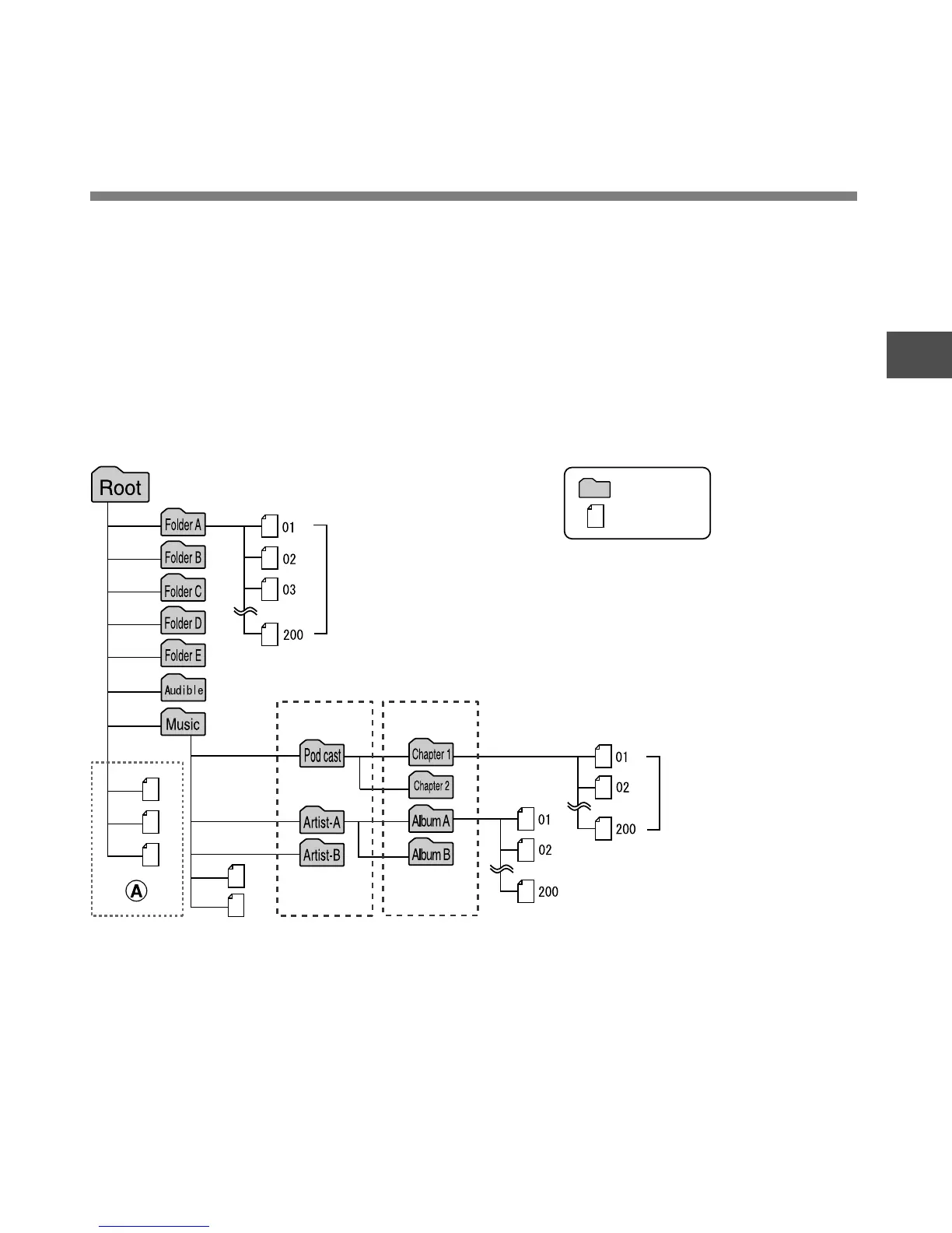
There are a total of eight folders in the recorder that are in a tree format. Under the “Root” folder
are “Folder A” through “Folder E”, “Audible” and “Music” folders, and recorded or transferred
language and music data from a computer can be saved as “files”. “Folder A” through “Folder E”
are voice-recording folders, so choose one of these five folders when recording on this recorder.
Up to 200 files can be saved in each folder, and up to two layers can be created within the “Music” folders.
“Audible” folder can be purchased from an Audible web site by using the “Audible Manager”, and files
transferred to the recorder are saved in this folder (in ACELP/MP3 format).
A “Podcast” folder, for saving files distributed by Podcasting, is prepared in advance inside the
“Music” folder.
..................................................................................................................................................
Notes
Up to 128 folders can be created under the “Music” folder including “Music” and “Podcast”.
When using Windows Media Player 10, click [Start Sync] instead of setting the synchronization options. All
the files will be transferred to the part A above.
It is not possible to create a folder in the “Audible” folder.
First layer Second layer
Folder
File
Save up to
200 files.
Each folder in “Folder A”
through “Folder E” can
save up to 200 voice files.
Notes on the Folders

Table of Contents

Other manuals for Olympus DS 30

Related product manuals