EasyManua.ls Logo

Olympus PSD-10 - 3 CONSTRUCTION

Olympus PSD-10
28 pages
Print Icon
To Next Page IconTo Next Page
To Next Page IconTo Next Page
To Previous Page IconTo Previous Page
To Previous Page IconTo Previous Page
Loading...
3
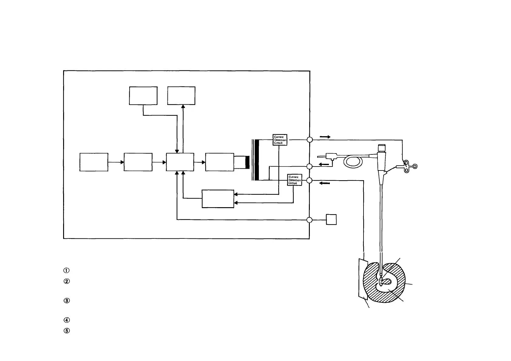
CONSTRUCTION
Panel
Panel
Control
Display
Circuit
Circuit
OsciIlator
Waveform
Generating
Circuit
Control
Circuit
Amplifier
Comparator
Endoscope
Foot-
switch
Active
electrode
When the footswitch is depressed, active current (IA) flows through the A-cord.
Return current (IP) flowing through the patient plate to the P-cord connector is moni-
tored. The feedback ratio I
P/IA is computed.
If the ratio is more than a preset value, the feedback ratio monitor determines that exces-
sive current leakage is not present in the circuitry and allows the selected current to flow.
The current stops when the footswitch is released.
Waveform and output level can be selected by push-button switches.
Patient
Body cavity
Patient-plate
(neutral
electrode)
Non-Controlled Document

Related product manuals