Home
omi
Dehumidifier
ED24-SR
Page 23 (B) Electric Circuit Diagram)
omi ED24-SR - B) Electric Circuit Diagram; B) Schéma Électrique
31 pages
Manual
Save Page as PDF
To Next Page
To Next Page
To Previous Page
To Previous Page
Loading...
Cod. 710.0138.62.00
Rev00 – 03.2016
22 - 30
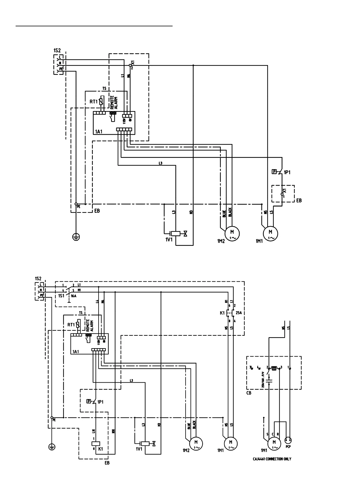
B) WIRING DI
A
GR
AM - SCHEMA ÉLECTRIQUE
Cod. 714.0164.01.00 – Rev. 00
Models ED18 to
ED72 (11
5V/1Ph/60Hz
)
Cod. 714.0165.01.00 – Rev. 00
Models ED108 to
ED180 (
115V/1Ph/60
Hz)
22
24
Table of Contents
Main Page
Table of Contents
2
General Information
4
Functional Description
4
Safe Use of the Dryer
4
Installation
5
Installation Site
5
Start up
6
Control Panel
6
Keys Function
7
Condensate Discharge Parameters
7
Programming
7
Anomaly Warning
8
Remote Signalling Alarm
8
Before Start up
9
Start up
9
Maintenance, Troubleshooting
9
Maintenance
9
Troubleshooting
9
Dismantling
11
Utilisation du Séchoir en Toute Sécurité
13
Installation
14
Réception et Transport
14
Lieu D'installation
14
Mise en Service
15
Pupitre de Commande
15
Fonction des Touches
16
Programmation des Paramètres
16
Signalisation des Anomalies
17
Signalisation D'alarme a Distance
17
Opérations Préliminaires à la Mise en Marche
18
Mise en Marche
18
Entretien, Recherche des Pannes et Demantelement
18
Entretien
18
Recherche des Pannes
18
Démantèlement
20
A) Refrigerant Circuit
22
B) Electric Circuit Diagram
23
B) Schéma Électrique
23
C) Technical Data Sheet
25
C) Caractéristiques Techniques
25
D) Correction Factors
26
D) Facteurs de Correction
26
E) Dryer Dimensions
27
E) Dimensions du Sécheur
27
F) Basic Spare Parts
29
F) Pièces de Rechange Essentielles
29
Related product manuals
omi ED18
16 pages
omi ED 18
78 pages
omi ED 270
78 pages
omi ED HP40
75 pages
omi ED Series
116 pages
omi ED88 HP45
16 pages
omi ED108 HP45
16 pages
omi ED360 HP45
16 pages
omi ED1200 HP45
16 pages
omi EL 72
69 pages
omi EL 36
69 pages
omi ESD Series
122 pages