EasyManua.ls Logo

Omron OMNUC R88D-WT15HF - Page 74

Omron OMNUC R88D-WT15HF
484 pages
Print Icon
To Next Page IconTo Next Page
To Next Page IconTo Next Page
To Previous Page IconTo Previous Page
To Previous Page IconTo Previous Page
Loading...
2-43
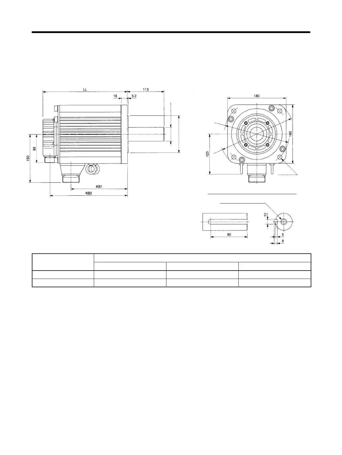
H 1,000-r/min Servomotors without a Brake
D 200 V AC: 4 kW/5.5 kW
R88M-W4K010H(-S2)/-W5K010H(-S2) [Incremental]
R88M-W4K010T(-S2)/-W5K010T(-S2) [Absolute]
Four,
13.5 dia.
200 dia.
42h6 dia.
230 dia.
Dimensions of shaft end with key (-S2)
M16 (Effective depth: 32)
114.3 dia.
0
–0.025
Model
Dimensions (mm)
LL KB1 KB2
R88M-W4K010j-j
260 174 238
R88M-W5K010j-j
334 248 312
Note The external dimensions are the same for IP67 (waterproof) models (-Oj).
Standard Models and Specifications
Chapter 2

Table of Contents

Related product manuals