EasyManua.ls Logo

Omron VS mini J7 - Standard Connections

Omron VS mini J7
177 pages
Print Icon
To Next Page IconTo Next Page
To Next Page IconTo Next Page
To Previous Page IconTo Previous Page
To Previous Page IconTo Previous Page
Loading...
16
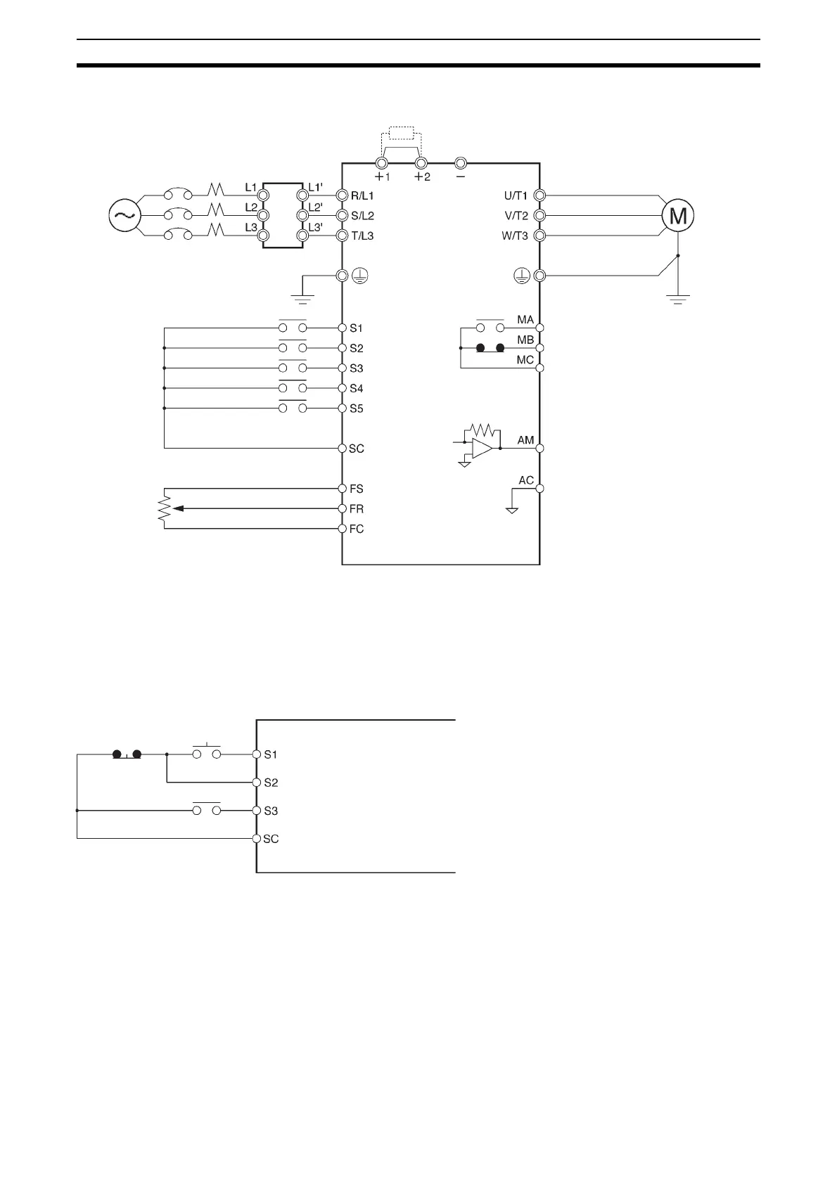
Wiring Chapter 2-2
2-2-3 Standard Connections
Note 1. Connect single-phase 200 V AC to terminals R/L1 and S/L2 of the CIMR-
J7AZB_.
2. The braking resistor cannot be connected because no braking transistor is
incorporated.
Example of 3-wire Sequence Connections
Note Set parameter n37 for 3-wire sequence input.
Noise Filter
DC reactor
(optional)
3-phase 200 V AC
Single-phase 200 V AC
(see note 1)
3-phase 400 V AC
Multi-function contact output
NO
NC
Common
Analog monitor output
Analog monitor output common
Forward/Stop
Multi-function input 1 (S2)
Multi-function input 2 (S3)
Multi-function input 3 (S4)
Multi-function input 4 (S5)
Sequence input common
Frequency reference power
supply 20 mA at +12 V
Frequency reference input
Frequency reference common
(2k, 1/4 W min.)
FREQ
adjuster
Stop
switch
(NC)
RUN
switch
(NO)
Direction switch
RUN input (Operates with the stop switch and RUN switch closed.)
Stop input (Stops with the stop switch opened.)
Forward/Stop reference (Forward with the direction switch opened
and reverse with the direction switch closed.)
Sequence input common

Table of Contents

Related product manuals