EasyManua.ls Logo

Omron VS mini J7 - 4-1 Procedure for Test Run

Omron VS mini J7
177 pages
Print Icon
To Next Page IconTo Next Page
To Next Page IconTo Next Page
To Previous Page IconTo Previous Page
To Previous Page IconTo Previous Page
Loading...
29
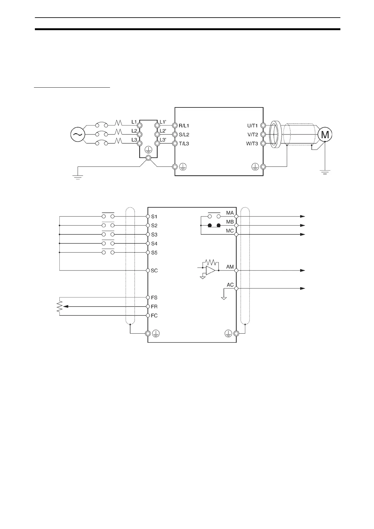
Wiring Chapter 2-2
2-2-6 Conforming to EC Directive
The following description provides the wiring method of the Inverter to meet
DC Directive requirements. If the following requirements are not satisfied, the
whole equipment incorporating the Inverter will need further confirmation.
Standard Connection
Main Circuit Terminals
Control Circuit Terminals
Note I/O signals can be connected to a single shielded cable.
MCCBs
Noise Filter
3-phase 200 V AC
Single-phase 200 V AC
3-phase 400 V AC
Clamp core
Forward/Stop
Sequence input common
Frequency reference
power supply at +12 V
Multi-function input 1 (S2)
Multi-function input 2 (S3)
Multi-function input 3 (S4)
Multi-function input 4 (S5)
Frequency reference input
Frequency reference common
FREQ
adjuster
(2k, 1/4 W min.)
Multi-function contact output
NO
NC
Common
Analog-monitor output
Analog-monitor output common

Table of Contents

Related product manuals