EasyManua.ls Logo

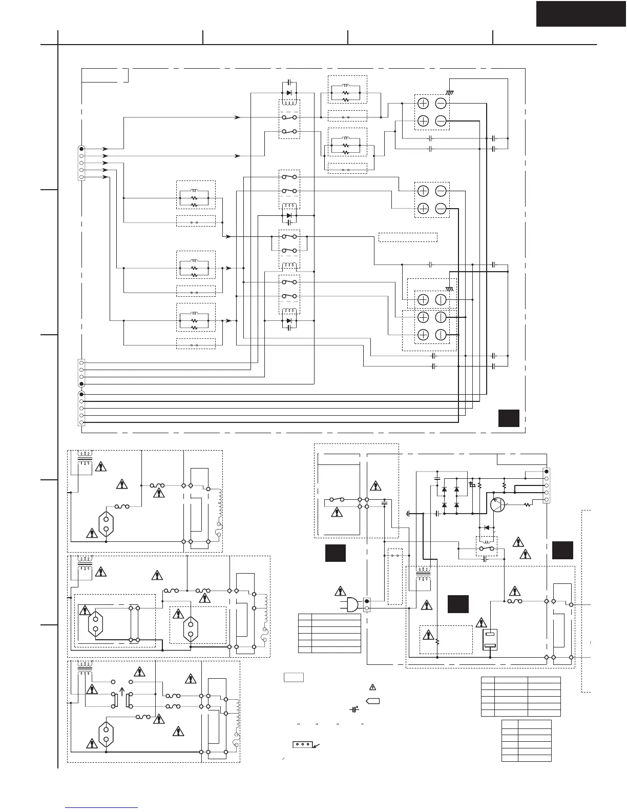
Onkyo TX-SR500/E - Schematic Diagram 6-1 Primary and SP Terminal Sections

Onkyo TX-SR500/E
44 pages
Print Icon
To Next Page IconTo Next Page
To Next Page IconTo Next Page
To Previous Page IconTo Previous Page
To Previous Page IconTo Previous Page
Loading...
0.1V
0.8V
.
IS DC VOLTAGE, AT NO INPUT SIGNAL.
R923 1K
L6802 S1.3C
P/W/G-TYPE
L6803 S1.3C
P/W/G-TYPE
L6804 S1.3C
P/W/G-TYPE
L6800 S1.3C
P/W/G-TYPE
L6801 S1.3C
P/W/G-TYPE
P931A
TO NNAF-7417
(SCH.5-1)
RL901
RL6600
RL6601
RL6603
RL6604
C923
223Z
C921
223Z
C901
103M
/275VAC
C902
472M
/250VAC
C6842102J *
* ARE P/G TYPE
ONLY
C6843 102J
*
C6844102J
*
C6852
102K
*
C6853
102K
*
C6854
102K
*
C6600
103J
C6601
103Z
C6604 103Z
C6840102J
*
C6841102J
*
C6850
102K
*
C6851
102K
*
D923
D921-D924
GP104003E OR
RL1N4003
D924
D921
D922
D925
D6600
D6601
D6604
J6306
D TYPE ONLY
J
D/J-TYPE
J
D/J-TYPE
J
D/J-TYPE
J
D/J-TYPE
J
D/J-TYPE
R901
3.3M
D-TYPE ONLY
R92482
(1/2W)
R926
4.7K
R6812
22
R6802
22
R6813
22
R6803 22
R6814
22
R6804
22
R6810
22
R6800
22
R6811
22
R6801
22
F903
T2.5AL250V
F902
*
F902
*
F901
*
F903
T2.5AL250V
F902
*
F903
T2.5AL250V
F901
*
C922
220/35
P926A
P925
P926
P911A
P925A
P913
P911
P913A
P911 P911A
P913A
P912A
P913
P912
P911
P911A
P912A
P912
P912
P911A
P912A
P911
P918
P917
P918A
P917A
Q921
KTC3199-GR
2SC1740S-R,S
2SC2458-GR
P901A
AC-H
AC-G
T902
W TYPE
T902
G TYPE
T902
P TYPE
T902
D/J TYPE
SEE LEFT DIAGRAM
FOR OTHER TYPE
P901
S906
POWER
P/G/W/J TYPE ONLY
S902
VOLTAGE
SELECTOR
220V
120V
T901
THERMAL FUSE
T901
THERMAL FUSE
T901
THERMAL FUSE
THERMAL FUSE
P6801
SPEAKERS-B
L
R
FRONT
P6800
SPEAKERS-A
L
R
FRONT
P6802
SPEAKER
CENTER
SL
SR
SURROUND SPEAKERS
JL6803B
TO NAAF-7417
(SCH.5-2)
JL6804B
TO NAAF-7417
(SCH.5-2)
JL6805B
TO NAAF-7417
(SCH.5-2)
E921
BY MARK
ARE CRITICAL FOR
SAFETY
IDENTIFIED
NOTE
THE COMPONENTS
REPLACE ONLY
WITH PART
NUMBER SPECIFIED.
.
.
VOLTAGE(MEASUREDWITH VOLTMETER) IS
DC VOLTAGE. (NO INPUT SIGNAL)
.
ELECTROLYTIC CAPACITORS (
)
ARE IN F/WV.
.
ALL CAPACITORS ARE IN pF/50WV UNLESS OTHERWISE NOTED.
EX) 030 3pF 330 33pF 331 330pF 333 0.033uF
u
ALL RESISTORS ARE IN OHMS 1/4WATTS UNLESS OTHERWISE NOTED.
.
THE THICK LINES ON PC BOARD ARE THE PRINTING SIDE OF THE PARTS.
EX) PRINTING SIDE
CIRCUIT IS SUBJECT TO CHANGE FOR IMPROVEMENT.
.
.
P902
120W
AC OUTLET
1A MAX
P902A
AC OUTLET
100WMAX
GK TYPE
P902
AC OUTLET
100WMAX
GT TYPE
P902
AC OUTLET
100WMAX
P902
AC OUTLET
100WMAX
LSP
RSP
CSP
LSSP
RSSP
BRLD
FRLD
CSRLD
+24V
LSPE
RSPE
CSPE
LSSPE
RSSPE
+13VS
+13VS
MPUGND
MPUGND
POWER
7
3
3
7
7
1
3
7
TYPE F901 F902
D 6.3A/125V NO
P NO T3.15AL250V
G NO T3.15AL250V
J 8A/125V NO
W 6.3A/125V
T3.15AL250V
TYPE
AC
D 120V 60HZ
P 230V 50HZ
G 220V 50/60HZ
J 100V 50/60HZ
W
120V/220V 50/60HZ
T902
TYPE
D NPT-1358D
P NPT-1358P
G NPT-1358DG
J NPT-1358J
W
NPT-1358DG
NAPS-7420
NASW-7418
NAPS-7419
NAETC-7412
NAPS-7419
NAPS-7419
NAPS-7419
TX-SR500/E
SCHEMATIC DIAGRAM 6-1 ޓPRIMARY AND SP TERMINAL SECTIONS
U19
U20
U18
U12
A
1
2
3
4
5
BCD

Related product manuals