EasyManua.ls Logo

Onkyo TX-SR500/E - Page 17

Onkyo TX-SR500/E
44 pages
Print Icon
To Next Page IconTo Next Page
To Next Page IconTo Next Page
To Previous Page IconTo Previous Page
To Previous Page IconTo Previous Page
Loading...
TX-SR500/E
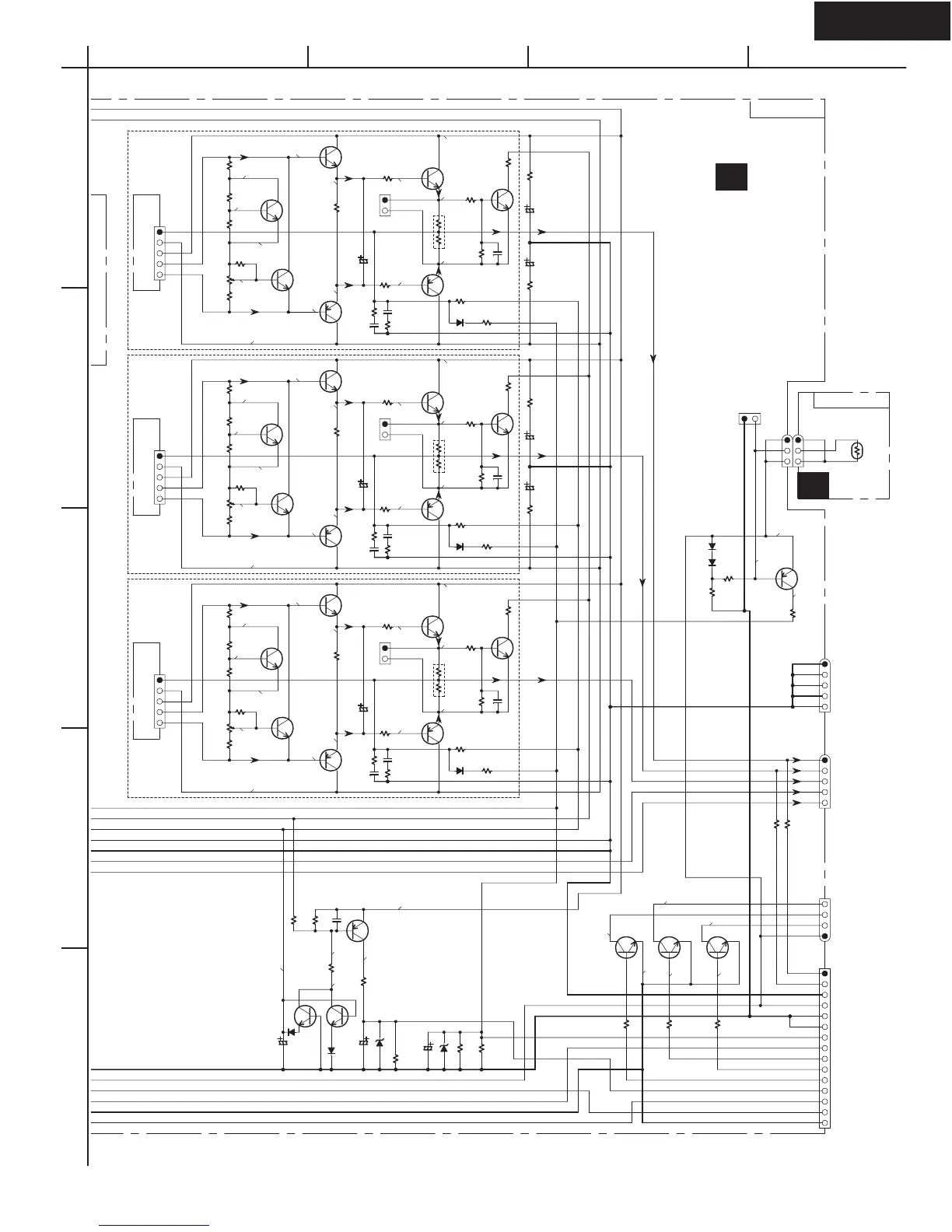
SCHEMATIC DIAGRAM 5-2 ޓPOWER AMPLIFIER 4
TO
NAAF 7409
(PART-4)
JL6805A
TO NAETC-7412
(SCH.6-1)
P6931
TO NAETC-7410
(SCH.6-2)
JL6804A
TO NAETC-7412
(SCH.6-1)
JL6803A
TO NAETC-7412
(SCH.6-1)
D6703
MTZJ5.1B D6704
MTZJ5.1B
0V
24V
24V
0.8V
0V 0V
24V
24V
0V
0V
0.05V
50V
50V
50V
-50V
-0.5V
0.5V
1.1V
-1V
-0.5V
1V
0.2V
-0.3V
-0.3V
0.5V
50V
0V
0V
-50V
-0.5V
0.5V
1.1V
-1V
-0.5V
1V
0.2V
-0.3V
-0.3V
0.5V
50V
0V
0V
-50V
-0.5V
0.5V
1.1V
-1V
-0.5V
1V
0.2V
-0.3V
-0.3V
0.5V
50V
0V
0V
Q6701 Q6702
Q6602Q6603Q6601
Q6032
Q6072
Q6022
Q6012
Q6052
Q6031
Q6071
Q6021
Q6011
Q6051
Q6030
Q6070
Q6020
Q6010
Q6050
R6308
4.7K
R6602
1K
R6603
1K
R6601
1K
R6704
47K
R6701
22K
R6702
10K
R6710
47K
[10K]
R6709
5.6K
R6706
22K
R6511
(1/2W)
R6521
(1/2W)
R6510
(1/2W)
R6520
(1/2W)
R6708
33K
R6850
390
(1/2W)
R6851
390
(1/2W)
R6306
10K
R6307
2.2K
R6052
3.9K
R6082
2.2
(1/4W)
R6182
47K
R6072
100
(1/4W)
R6132
R6232
8.2
(1W)
R6012
3.9K
R6002
5.6K
R6032
470
R6162
33K
R6152
4.7K
R6142
22K
R6092
2.2
(1/4W)
R6172
47K
R6051
3.9K
R6081
2.2
(1/4W)
R6181
47K
R6071
100
(1/4W)
R6131
R6231
8.2
(1W)
R6011
3.9K
R6001
5.6K
R6031
470
R6161
33K
R6151
4.7K
R6141
22K
R6091
2.2
(1/4W)
R6171
47K
R6050
3.9K
R6080
2.2
(1/4W)
R6180
47K
R6070
100
(1/4W)
R6130
R6230
8.2
(1W)
R6010
3.9K
R6000
5.6K
R6030
470
R6160
33K
R6150
4.7K
R6140
22K
R6090
2.2
(1/4W)
R6170
47K
C6701
100/6.3
C6704
1/50
C6706
100/6.3
C6511C6521 C6510C6520
C6042
47/50
C6041
47/50
C6040
47/50
C6032
C6232
473J
C6052
C6031
C6231
473J
C6051
C6030
C6230
473J
C6050
R6042
1K
R6041
1K
R6040
1K
R6102
0.22
X2
(2W)
R6101
0.22
X2
(2W)
R6100
0.22
X2
(2W)
D6702
D6701
D6307
D6306
D6002
D6001
D6000
R6022
R6021
R6020
P6002
TO NAAF-7409
(SCH.4-2)
P6001
TO NAAF-7409
(SCH.4-2)
P6000
TO NAAF-7409
(SCH.4-2)
Q6042
Q6062
Q6041
Q6061
Q6040
Q6060
Q6703
Q6303
C6703
223Z
R6380
PTH9M04BF
222TS2F333
THERMAL SENS.
P6082
ID+
ID-
P6081
ID+
ID-
P6080
ID+
ID-
P6301
TH1
COM
JL6402A
JL6402B
NF
-B1
+B1
B+
B-
+24V
TH1
NF
-B1
+B1
B+
B-
NF
-B1
+B1
B+
B-
BRLD
+B1
FRLD
CSRLD
+24V
HPL
HPR
E
+24V
MPUGND
MPUGND
VOLH
SEC1H
SPB
SPCS
SPF
+13VS
PRO
POWER
+13VS
POWER
RLGND
RSSPE
LSSPE
CSPE
RSPE
LSPE
RSSP
LSSP
CSP
RSP
LSP
C
R
L
NAETC-7424
U17
U24
NAAF-7417
A
1
2
3
4
5
BCD

Related product manuals