EasyManua.ls Logo

Onkyo TX-SR600 - Connecting the Remote Zone (Zone 2) Speakers; (TX-SR700;700 E Only); When Using the ZONE 2 SPEAKERS Terminals; When Using the ZONE 2 PRE out Terminals

Onkyo TX-SR600
80 pages
Print Icon
To Next Page IconTo Next Page
To Next Page IconTo Next Page
To Previous Page IconTo Previous Page
To Previous Page IconTo Previous Page
Loading...
23
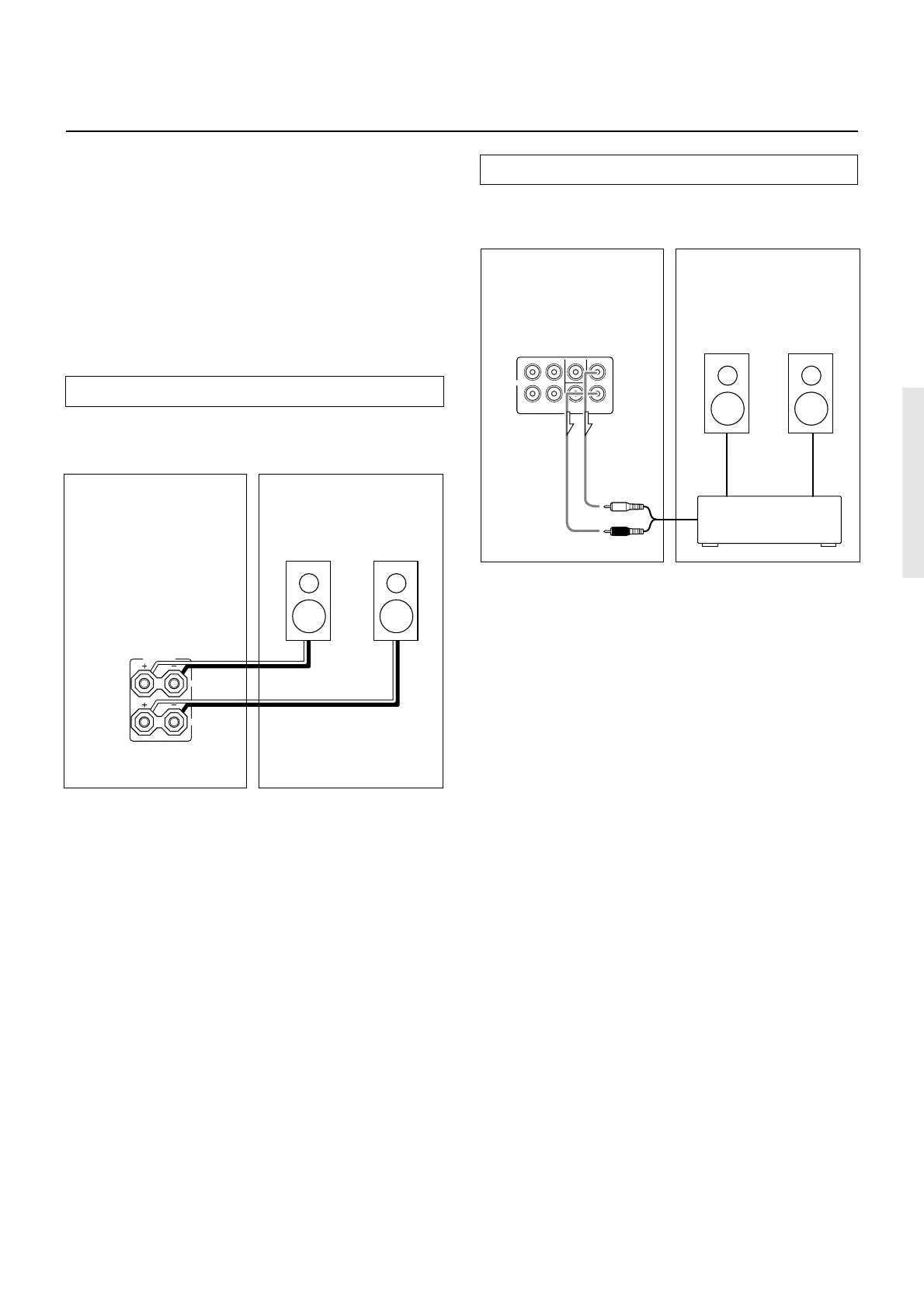
Connecting the remote zone (Zone 2) speakers
(TX-SR700/700E only)
The TX-SR700/700E allows you to listen to two separate input
sources at the same time. This allows you to, for example, place
speakers in two different rooms so that two or more people can enjoy
two different kinds of music at the same time. The room where the
TX-SR700/700E is actually located is referred to as the main room
while the separate room is referred to as the remote zone (Zone 2). In
addition, the IR IN terminal of the TX-SR700/700E allows you to
control the TX-SR700/700E from the remote zone (Zone 2) with the
remote controller even though the remote zone is physically
separated. The diagram below shows how to make the proper
connections for the remote zone.
When using the ZONE 2 SPEAKERS terminals
If you are using a 5.1-channel speaker system in the main room, you
can connect the speakers for the remote zone (Zone 2) to the open
ZONE 2 SPEAKERS terminals.
Note:
It is important to be aware of the speaker impedance (see page 31).
ZONE
2
SPEAKERS
R
L
Remote Zone (Zone 2)Main Room
Zone 2
Right
speaker
Zone 2
Left
speaker
FRONT
SURROUND
CENTER
ZONE 2
SURROUND
BACK
R
L
R
L
PRE OUT
Remote Zone (Zone 2)Main Room
Zone 2
Right
speaker
Zone 2
Left
speaker
Power amplifier
Left (white)
Right (red)
TX-SR700/700E
TX-SR700/700E
When using the ZONE 2 PRE OUT terminals
If you are using a 5.1-channel speaker system in the main room, you
can connect the amplifier for the remote zone (Zone 2) to the open
ZONE 2 PRE OUT terminals and connect the remote zone speakers.

Table of Contents

Related product manuals