EasyManua.ls Logo

Onkyo TX-SR600 - Page 27

Onkyo TX-SR600
80 pages
Print Icon
To Next Page IconTo Next Page
To Next Page IconTo Next Page
To Previous Page IconTo Previous Page
To Previous Page IconTo Previous Page
Loading...
27
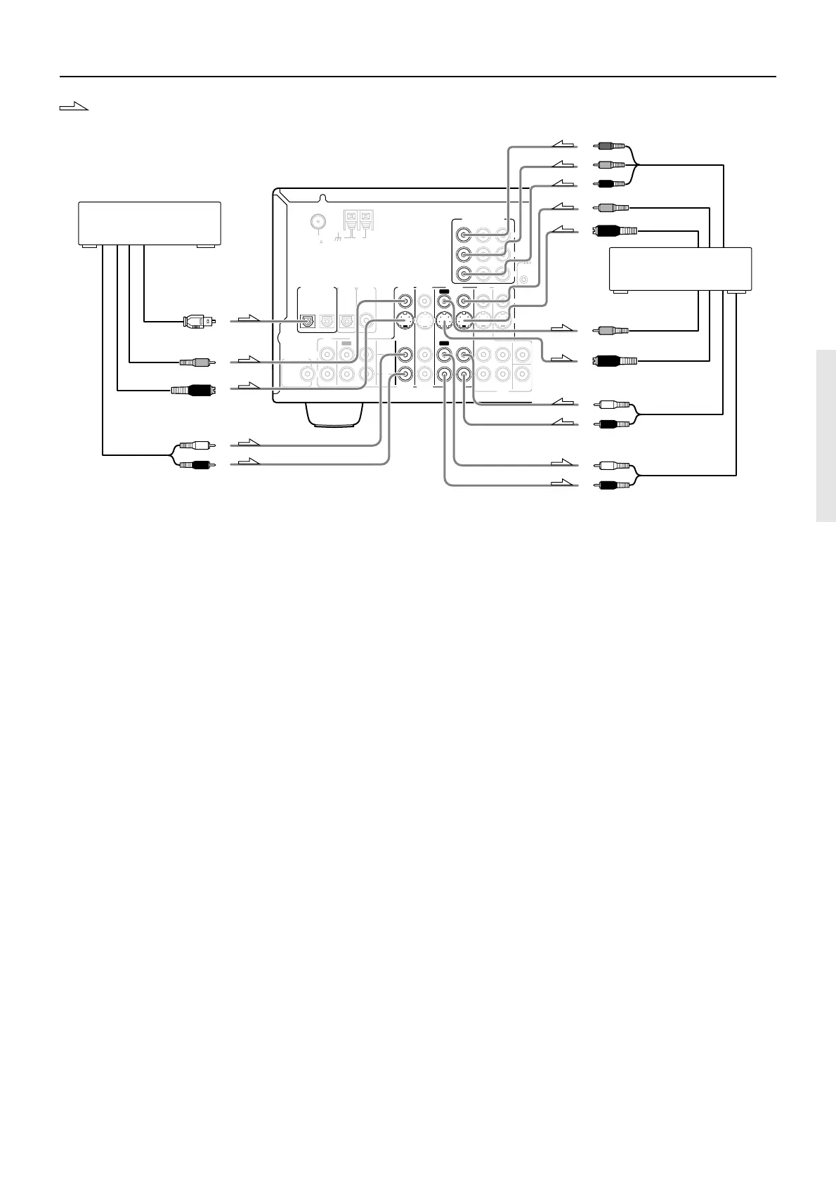
Connections (TX-SR600/600E)
4. Connecting a video cassette recorder (VIDEO 1)
Using RCA video cables, connect the video output jack (composite)
of the video cassette recorder to the VIDEO 1 VIDEO IN jack of the
TX-SR600/600E and connect the video input jack of the video
cassette recorder to the VIDEO 1 VIDEO OUT jack of the TX-
SR600/600E. Or if the video cassette recorder has S video input and
output jacks, using S video cables, connect the S video output jack of
the video cassette recorder to the VIDEO 1 S VIDEO IN jack of the
TX-SR600/600E and connect the video input jack of the video
cassette redorder to the VIDEO 1 S VIDEO OUT jack of the TX-
SR600/600E. Or if the video cassette recorder has component video
outputs, connect them to the COMPONENT VIDEO INPUT 1 or 2
jacks on the TX-SR600/600E.
With the initial settings of the TX-SR600/600E, the VIDEO 1
input source is set for the COMPONENT VIDEO INPUT 2
jacks.
If you connect the video cassette recorder to the COMPONENT
VIDEO INPUT 1 jacks, this must be changed at Input Setup
Component Video (see page 54).
Using RCA audio cables, connect the audio output jacks of the video
cassette recorder to the VIDEO 1 IN audio jacks of the TX-SR600/
600E and connect the audio input jacks of the video cassette recorder
to the VIDEO 1 OUT audio jacks of the TX-SR600/600E. Make sure
that you properly connect the left channels to the L jacks and the
right channels to the R jacks.
With the initial settings of the TX-SR600/600E, nothing is
allocated as the digital input source for VIDEO 1 (----).
If you connect the digital audio output, be sure to make the appropriate
changes at Input Setup Digital Input (see page 53).
5. Connecting a satellite tuner, television, or settop box
(VIDEO 2 or 3)
Using an RCA video cable, connect the video output jack
(composite) of the device to the VIDEO 2 (or 3) VIDEO IN jack of
the TX-SR600/600E. Or if the device has an S video output jack,
connect it to the VIDEO 2 (or 3) S VIDEO IN jack of the TX-SR600/
600E using an S video cable. Or if the device has component video
outputs, connect them to the COMPONENT VIDEO INPUT 1 or 2
jacks on the TX-SR600/600E.
With the initial settings of the TX-SR600/600E, the VIDEO 2
and 3 input sources are set for the COMPONENT VIDEO
INPUT 2 jacks.
If you connect the device to the COMPONENT VIDEO INPUT 1
jacks, this must be changed at Input Setup Component Video
(see page 54).
Using an RCA audio cable, connect the audio output jack of the
device to the VIDEO 2 (or 3) IN audio jacks of the TX-SR600/600E.
Make sure that you properly connect the left channel to the L jack
and the right channel to the R jack.
If the device has a digital output, connect it to either the DIGITAL
INPUT COAXIAL jack or the DIGITAL INPUT OPTICAL jack of
the TX-SR600/600E depending on the type of connector on the
device.
With the initial settings of the TX-SR600/600E, the VIDEO 3
input source is set for digital input at the OPTICAL 2 jack (OPT
2).
If the digital connection is made at a different jack, this must be
changed at Input Setup Digital Input (see page 53).
With the initial settings of the TX-SR600/600E, nothing is
allocated as the digital input source for VIDEO 2 (----).
If you connect the digital audio output, be sure to make the appropriate
changes at Input Setup Digital Input (see page 53).
: Signal flow
L
REMO
T
CONTR
O
ANTENNA
FM
75
AM
COAXIAL
OPTICAL
1
2
IN
IN
IN
IN
FRONT
SURR
CENTER
SUB
WOOFER
VIDEO 2
VIDEO 1
OUT
DVD
MONITOR
OUT
DVD
TAPE
CD
SUBWOOFER
PRE OUT
L
R
R
VIDEO 3
VIDEO 2
VIDEO 3
VIDEO 1
VIDEO
OPTICAL
ININ
IN
IN
DIGITAL
OUTPUT
IN
INPUT 1
INPUT 2
OUTPUT
COMPONENT VIDEO
PR
P
B
Y
OUT
OUT
DIGITAL
INPUT
L
R
S VIDEO
DIGITAL INPUT
5. Satellite tuner or television
(VIDEO 2/3)
4. VCR (VIDEO 1)
Component video output
P
R
P
B
Y
Video output
S video output
Video input
S video input
Video output
S Video output
Analog audio input
Analog audio output
L (white)
R (red)
L (white)
R (red)
L (white)
R (red)
Analog audio output
Digital audio output
(optical)

Table of Contents

Related product manuals