EasyManua.ls Logo

Onkyo TX-SR604E - Electrolytic Capacitors

Onkyo TX-SR604E
112 pages
Print Icon
To Next Page IconTo Next Page
To Next Page IconTo Next Page
To Previous Page IconTo Previous Page
To Previous Page IconTo Previous Page
Loading...
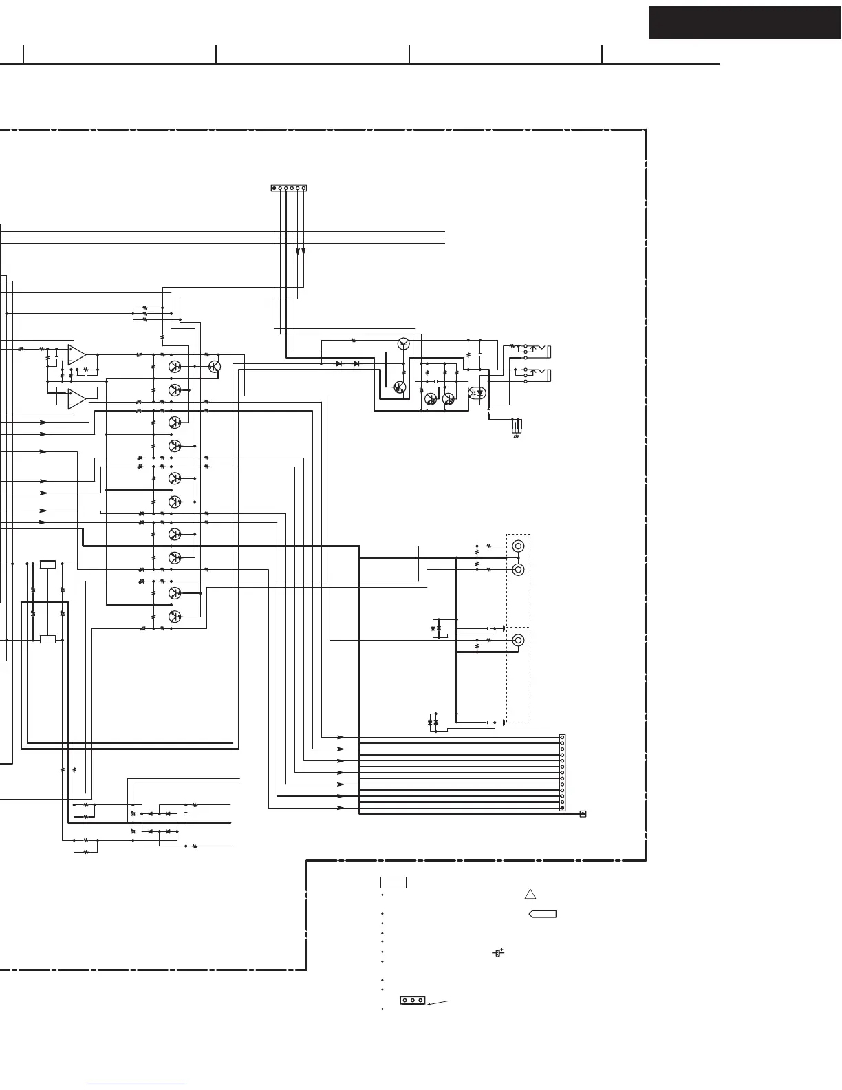
SCHEMATIC DIAGRAM-1(SD-1)
AUDIO SECTION
TX-SR604/604E/8460
A
1
2
3
4
5
BCDEFGH
L_OUT
SW_OUT
GND_TRG
SL_OUT
SR_OUT
R_OUT
SW_OUT1
Z2_R
Z2_L
SBR_OUT
SBL_OUT
C_OUT
C_OUT
L_OUT
R_OUT
SL_OUT
SR_OUT
SBL_OUT
SBR_OUT
MIC
TUPACKR
V4L
RI
ADLT+
ADRT+
-12V
VLCLK
VLDATA
+12V
GNDDG
SEC1H
PROTECT
VOLH
AMUT
DACSBL
DACSR
XM_R
XM_L
+12V
-12V
TUPACKL
V4R
DACL
DACSW
DACC
DACR
DACSL
SBR
GND_S1
GNDTU
SBL
SR
SL
R
L
C
+22V
-22V
S1L+
S1L-
DMIXR
DAC_FL
DMIXL
DAC_SW
-12V
+12V
DAC_FR
GND_AMP
GNDv4
GND_AMP
GNDA
DACSBR
+12VTRG
+5.6IR
IR
TZ2
PROTECT
SEC1H
VOLH
GND_IR
SBZ2MUT
Z2EMUT
GND_E
TO MAIN AMP
RI
CD
TAPE OUT
TAPE
VIDEO2
VIDEO1
VIDEO1_OUT
VIDEO2_OUT
TO MAIN AMP
DVD MULTI IN
VIDEO3
ZONE2 LINE OUT
PRE OUT
R
L
SW
TO NADG-8816
(SD-6:A3)
TO NADG-8817
(SD-7:H1)
TO XM
FROM AMP
(SD-2:B5)
Downmix
NAAF-8911 (1/2)
IR IN
OUT ZONE2
12V TRIG
C5603
47/50
C5601
47/50
C5602
47/50
C5556
47/25
C5557
47/25
C5561
223J
R5631
47K
R5630
220
R5632
15K
R5633
1.2K
R5634
10K
C5552
47/25
C5554
47/25
C5555
47/25
C5671
10/50
R5813
0
R5621
R5622
R5623
R5624
R5613
R5612
R5611
2.2k
C5608
47/50
R5608
220K
R5616
R5606
220K
R5607
220K
R5615
C5605
47/50
R5614
C5604
47/50
R5604
220K
R5605
220K
R5602
220K
R5603
220K
R5600
220K
R5601
220K
R5618
2.2K
R5609
220K
C6226
104Z
R6226
100K
R6222
10K
R6223
10K
R6224
3.3K
C6221
223K
R6227
3.3
D6222
D6221
Q6223
RN1402
Q6222
RN1402
R6228
1K
Q6227
RN1402
Q6226
2SB1068-U
R5617
R5627
0
C5606
47/50
C5607
47/50
R5610
270
R5620
100
R5625
R5626
R5506
330
R5507
330
R5508
330
R5509
330
R5510
330
R5511
330
R5512
330
R5513
330
R5514
330
R5515
330
R5516
330
R5517
330
C5507
221J
C5508
221J
C5509
221J
C5510
221J
C5513
221J
C5514
221J
R5518
330
C5631
221J
R5504
330
R5505
330
C5504
221K
R5519
330
R5520
330
R5521
330
R5522
330
R5523
330
C5522
221J
C5523
221J
C5521
221J
C5525
221J
C5526
221J
R5524
330
R5525
330
R5526
330
R5619
2.2K
C5609
47/50
R5543
220K
R5544
220K
R5545
220K
R5546
220K
R5547
220K
R5548
220K
R5549
220K
R5550
220K
R5551
220K
R5552
220K
R5553
220K
R5554
220K
R5555
220K
R5556
220K
R5557
220K
R5558
220K
R5559
220K
R5560
220K
R5561
220K
R5562
220K
R5563
220K
R5564
220K
R5565
220K
R5566
220K
Q5501
R2S15211FP
64
INL9
63
INR9
62
INLA/RECL1
61
INRA/RECR1
60
INL8
59
INR8
58
INL7
57
INR7
56
INL6
55
INR6
54
INL5
53
INR5
52
INL4
51
INR4
50
INL3
49
INR3
48
INL2
47
INR2
46
INL1
45
INR1
44
AVEE
43
CLOCK
42
DATA
41
DGND
40
MONO
39
SUBL
38
SUBR
37
ADCR
36
ADCL
35
FRIN2
34
FLIN2
33
SRIN2
32
SLIN2
31
SWIN2
30
CIN2
29
SBRIN2
28
SBLIN2
27
TRE_R
26
BASS_R2
25
BASS_R1
24
AVCC
23
TRE_L
22
BASS_L2
21
BASS_L1
20
FRC
19
FROUT
18
AGND
17
FLOUT
16
FLC
15
6-C
14
6-OUT
13
AGND
12
5-OUT
11
5-C
10
4-C
9
4-OUT
8
AGND
7
3-OUT
6
3-C
5
2-C
4
2-OUT
3
AGND
2
1-OUT
1
1-C
80
SBRIN1
79
SBLIN1
78
SRIN1
77
SLIN1
76
SWIN1
75
CIN1
74
FRIN1
73
FLIN1
72
RECL3
71
RECR3
70
INL11/RECL5
69
INR11/RECR5
68
INL10/RECL4
67
INR10/RECR4
66
INLB/RECL2
65
INRB/RECR2
(Botom view)
Q6221
PC817X
C5551
47/25
R5575
220K
R5579
220K
R5576
220K
R5580
220K
R5581
220K
R5583
220K
R5582
220K
P7900
C5670
10/50
C5672
220/25
C5673
220/25
C5630
47/50
P7904
R5567
2.2k
R5568
2.2k
R5500
330
C6222
100/25
+
C5503
221K
C5564
223J
C5517
221J
C5518
221J
C5519
221K
C5520
221K
C5524
221K
C5632
103J
P7907
R5503
330
D5717
D5708
D5718
D5707
R5585
1.8K
C5560
823J
R5586
1.8K
C5562
474J
C5563
823J
R5589
1K
R5527
330
R5528
330
R5531
100
C5675
470/16
Q5600
RN1441
Q5601
RN1441
Q5603
RN1441
Q5602
RN1441
Q5604
RN1441
Q5605
RN1441
Q5606
RN1441
Q5610
RN1441
Q5609
RN1441
P7902
P5504B
13
12
11
10
9
8
7
6
5
4
3
2
1
Q5608
RN1441
C5558
47/25
C5559
474J
C5553
47/25
D9003
D9004
C9003
1000/35
D9002
RL1N4003 x4
C9001
334J
R5660
2.2(1W)
R5661
R5593
1.2K
R5590
10K
R5594
10K
R5592
470
R5595
10K
R5591
10K
R5599
10K
R5596
470
R5597
1.2K
C5666
220/25
R5666
22
C5590
330J
R5598
10K
C5591
330J
R5675
68
R5674
68
R5685
680
Q5670
78M12
3
O
2
G
1
I
R5677
8.2(2W)
R5678
P5503B
R5588
10K
R5587
10K
R5672
47(2W)
Q5607
RN1441
R5670
R5673
R5671
68(2W)
D5672
MTZJ7.5C
D5671
R5684
680
Q5684
2SC1815
Q5685
2SA1015
R5680
220K
R5681
220K
R5682
220K
C5573
47/50
C5572
47/50
C5575
47/50
C5574
47/50
C5571
47/50
C5570
47/50
C5569
47/50
C5576
47/50
C5707
221J
C5708
221J
C6229
103Z
C5565
47/25
C5566
47/25
D9001
R6221
100
P6221
R5667
22
P7908
Q5671
79M12
3
O
2
I
1
G
P301
6
5
4
3
2
1
P303
14
13
12
11
10
9
8
7
6
5
4
3
2
1
JL5502A
1
2
3
4
5
6
7
P304
3
2
1
P302
1
2
3
4
5
6
7
8
9
10
11
12
13
14
C5684
220/25
C5674
470/16
C5667
220/25
C5685
220/25
R5571
22K
Q5630A
NE5532
3
2
1
4
Q5630B
NE5532
5
6
8
7
Q5503
NE5532
7
8
6
5
Q5503
NE5532
1
2
3
4
P5505
P6991
R5577
47K
R5578
47K
C5701
102J
C5702
102J
C5703
102J
C5704
102J
C5705
102J
C5706
102J
C5600
47/50
C9004
470/35
U15
AMPLIFIER PC BOARD
P7903
P7905
P7906
2.2K
2.2K
2.2K
2.2K
2.2K
2.2K
0
0
0
0
0
0
TO NADG-8816
(SD-6:A3)
TO NADG-8816
(SD-6:A2)
TO NADG-8816 (SD-6:A2)
TO NAAF-8917
(SD-3:A1)
(SD-2:A3)
(SD-2:A3)
47(2W)
68(2W)
2.2(1W)
8.2(2W)
1SS352
1SS352
MTZJ7.5C
+12V
-7.5V
7.5V
THE COMPONENTS IDENTIFIED BY MARK ARE CRITICAL FOR SAFETY
REPLACE ONLY WITH PART NUMBER SPECIFIED.
VOLTAGE (MEASURED WITH VOLTMETER) IS DC VOLTAGE.(NO INPUT SIGNAL).
ALL PNP TRANSISTORS ARE EQUIVALENT TO 2SA1015-GR UNLESS OTHERWISE NOTED.
ALL NPN TRANSISTORS ARE EQUIVALENT TO 2SC1815-GR UNLESS OTHERWISE NOTED.
ALL DIODES ARE EQUIVALENT TO 1SS133 UNLESS OTHERWISE NOTED.
ELECTROLYTIC CAPACITORS ( ) ARE IN uF/WV.
ALL CAPACITORS ARE IN pF/50WV UNLESS OTHERWISE NOTED.
EX) 030- 3pF 330- 33pF 331- 330pF 333- 0.033uF
ALL RESISTORS ARE IN OHMS 1/4WATTS UNLESS OTHERWISE NOTED.
THE THICK LINES ON PC BOARD ARE THE PRINTING SIDE OF THE PARTS.
EX) PRINTING SIDE
CIRCUIT IS SUBJECT TO CHANGE FOR IMPROVEMENT.
!
NOTE
R
L
R
L
R
L
R
L
R
L
R
L
R
L
R
L
FR
FL
SR
SL
SBR
SBL
SW
C
+22V
<Note>
SD-x:XY is short for Shcematic Diagram-x and
each socket's location, X=A to H, Y=1 to 5.

Table of Contents

Related product manuals