EasyManua.ls Logo

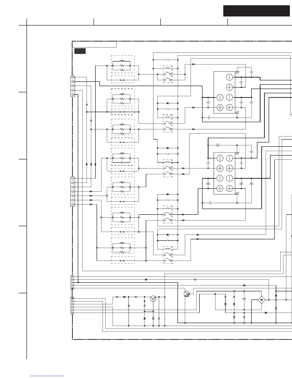
Onkyo TX-SR604E - Schematic Diagrams - SD-5 Speaker Out Section

Onkyo TX-SR604E
112 pages
Print Icon
To Next Page IconTo Next Page
To Next Page IconTo Next Page
To Previous Page IconTo Previous Page
To Previous Page IconTo Previous Page
Loading...
TX-SR604/604E/8460
SCHEMATIC DIAGRAM-5(SD-5)
SPEAKER OUT SECTION
TX-SR604/604E/8460
A
1
2
3
4
5
BCDEFGH
SPRLB
SPRLSB
SPRLF
SPRLCS
SBRSP
SRSP
SLSP
SBLSP
CSP
RSP
LSP
HPR
LSPE
HPL
SEC2-2
-VP
HPDET
+5VDIS
SEC2-1
SEC2-1
SEC2-2
FLAC2
FLAC1
SEC3-1
SEC3-2
APOWER
+5V_VD
SBLSPE
SBRSPE
SRSPE
SLSPE
LSPE
RSPE
CSPE
VPOWER
APOWER
+10VDSP
POFF
FLAC1
FLAC2
+5VDIS
POFF2
HPDET
+5V_XM
RLGND
RLGND
+22V
+22V
-VP
MPUGND
GND_VD
GND_VD
GND_XM
VPOWER
+5VDSP
GND_HD
SPBROUT
SPBLOUT
SBLSPE
SBRSPE
POFF
POWERD
MPUGND
SPRLB
SPRLF
SPRLCS
GND_VD
+5V_VDD
+12VD
+10S
POFF2
TO NADG-8816 (SD-6:D1)
10S+12VD
TO NAAF-8911 (SD-2:D5)
SBL
SBR
SR
SL
C
R
L
TO NAAF-88911 (SD-2:E5)
D-TYPE ONLY
P/W/G-TYPE
(PURE AUDIO)
NAETC-8819 (2/2)
R9002
3.3(2W)
R6690
10(1/2W)
P6602
5 10
P6601
5 8
C6655
102J
C6656
102J
C6654
102J
C6646
103J
C6644
103J
C6645
103J
C6643
103J
C6653
102J
C6650
102J
C6652
102J
C6642
103J
C6651
102J
C6641
103J
J6851
D-TYPE
R6992
390(1/2W)
R6691
390(1/2W)
L6602 S1.3C
P/W/G-TYPE
R6602 22
R6612
22
L6600 S1.3C
P/W/G-TYPE
R6600 22
R6610
22
L6601
S1.3C
P/W/G-TYPE
R6601 22
R6611
22
L6603
S1.3C
P/W/G-TYPE
R6603 22
R6613
22
L6604 S1.3C
P/W/G-TYPE
R6604 22
R6614
22
L6605
S1.3C
P/W/G-TYPE
R6605 22
R6615
22
R6616
22
R6606
22
L6606 S1.3C
P/W/G-TYPE
J6625
D-TYPE
J6626
D-TYPE
J6620
D-TYPE
J6619
D-TYPE
J6604
D-TYPE
J6600
D-TYPE
RL6602
1
3
45
2
6
RL6600
1
3
45
2
6
RL6603
6
2
5 4
3
1
RL6605
1
3
45
2
6
RL6607
6
2
5 4
3
1
Q9001
2SC2235-Y
C9011
10000/16
JL6605B
05
04
03
02
01
JL6600B
07
06
05
04
03
02
01
R9028
0.47(1/2W)
D9022
RL1N4003
R9001
3.3(2W)
R9020
10k
L9001
NCH-2541_470K
C9012
334J
D9021
CRS09
R9014
100k
Q9002
RN1405
C9024
223Z
R9021
1.5k
R9008
1.5k
R9004
33K
C9006
223Z
R9003
8.2K
R9006
8.2K
C9005
47/50
Q9022
BA00JC5WT
1
Vc
2
Vin
3
GND
4
Vo
5
Adj
JL6603B
01
02
03
04
05
06
07
08
09
R9022
100k
R9024
33k
R9023
6.8k
C9021
470/16
+
C9031
470/16
+
C9023
470/6.3
+
C9025
470/6.3
+
C9013
3.3/50
R9027
10k
P2005B
16
15
14
13
12
11
10
9
8
7
6
5
4
3
2
1
JL9101B
6
5
4
3
2
1
R9018
0
Q9021
SI-8008
1
VIN
5
SS
3
GND
4
VADJ
2
SW
C9001
470/63
+
C9032
470/6.3
+
R9011
4.7(1/2W)
R9017
0
R9029
0.47(1/2W)
Q9031
MPC2905HF
1
I
2
G
3
O
JL6604B
4
3
2
1
JL901B
1
2
3
4
5
Q6601
DTC123JKA
C6640
103J
D9011
D5SBA20
4
2
1
3
JL8001A
4
3
2
1
Q9031A
4
3
2
1
R9005
220(1/2W)
R9010
82(1/2W)
D9002
RL1N4003
Q6602
DTC123JKA
Q6603
DTC123JKA
Q6604
DTC123JKA
L4015
LBC2518
047K
R9012
R9013
C6607
223Z
C6605
223Z
C6603
223Z
C6600
223Z
C6602
223Z
D6607
1SS352
D6605
1SS352
D6603
1SS352
D6600
1SS352
D9013
1SS352
D9015
1SS352
D9014
1SS352
D9017
1SS352
D9012
1SS352
D9020
1SS352
D9005
UDZS36B
D9024
UDZS5.6B
C9022
223Z
U14
VIDEO PC BOARD
NAETC-8918
Zone 2
C6648
C6647
103J
C6657
102J
C6658
102J
P6607
U20
SPEAKER TERMINAL
PC BOARD
C6647, 6648, 6657, 6658
EXCEPT D TYPE
103J
SBR
SBL
JL6604A
TO SD-4:G3
TO SD-4:G1
NAETC-8790 (SD-8:B5)
TO NAPS-8787
(SD-9:F1)
TO NAETC-8788
(SD-9:G2)
TO NAVD-8928
(SD-10:B1 )
1
1
+6V
D:+12V
P,W,G:+10V
THE COMPONENTS IDENTIFIED BY MARK ARE CRITICAL FOR SAFETY
REPLACE ONLY WITH PART NUMBER SPECIFIED.
VOLTAGE (MEASURED WITH VOLTMETER) IS DC VOLTAGE.(NO INPUT SIGNAL).
ALL PNP TRANSISTORS ARE EQUIVALENT TO 2SA1015-GR UNLESS OTHERWISE NOTED.
ALL NPN TRANSISTORS ARE EQUIVALENT TO 2SC1815-GR UNLESS OTHERWISE NOTED.
ALL DIODES ARE EQUIVALENT TO 1SS133 UNLESS OTHERWISE NOTED.
ELECTROLYTIC CAPACITORS ( ) ARE IN uF/WV.
ALL CAPACITORS ARE IN pF/50WV UNLESS OTHERWISE NOTED.
EX) 030- 3pF 330- 33pF 331- 330pF 333- 0.033uF
ALL RESISTORS ARE IN OHMS 1/4WATTS UNLESS OTHERWISE NOTED.
THE THICK LINES ON PC BOARD ARE THE PRINTING SIDE OF THE PARTS.
EX) PRINTING SIDE
CIRCUIT IS SUBJECT TO CHANGE FOR IMPROVEMENT.
!
NOTE
+5V_VD
<Note>
SD-x:XY is short for Shcematic Diagram-x and
each socket's location, X=A to H, Y=1 to 5.

Table of Contents

Related product manuals