EasyManua.ls Logo

Onkyo TX-SR604E - Power Trans

Onkyo TX-SR604E
112 pages
Print Icon
To Next Page IconTo Next Page
To Next Page IconTo Next Page
To Previous Page IconTo Previous Page
To Previous Page IconTo Previous Page
Loading...
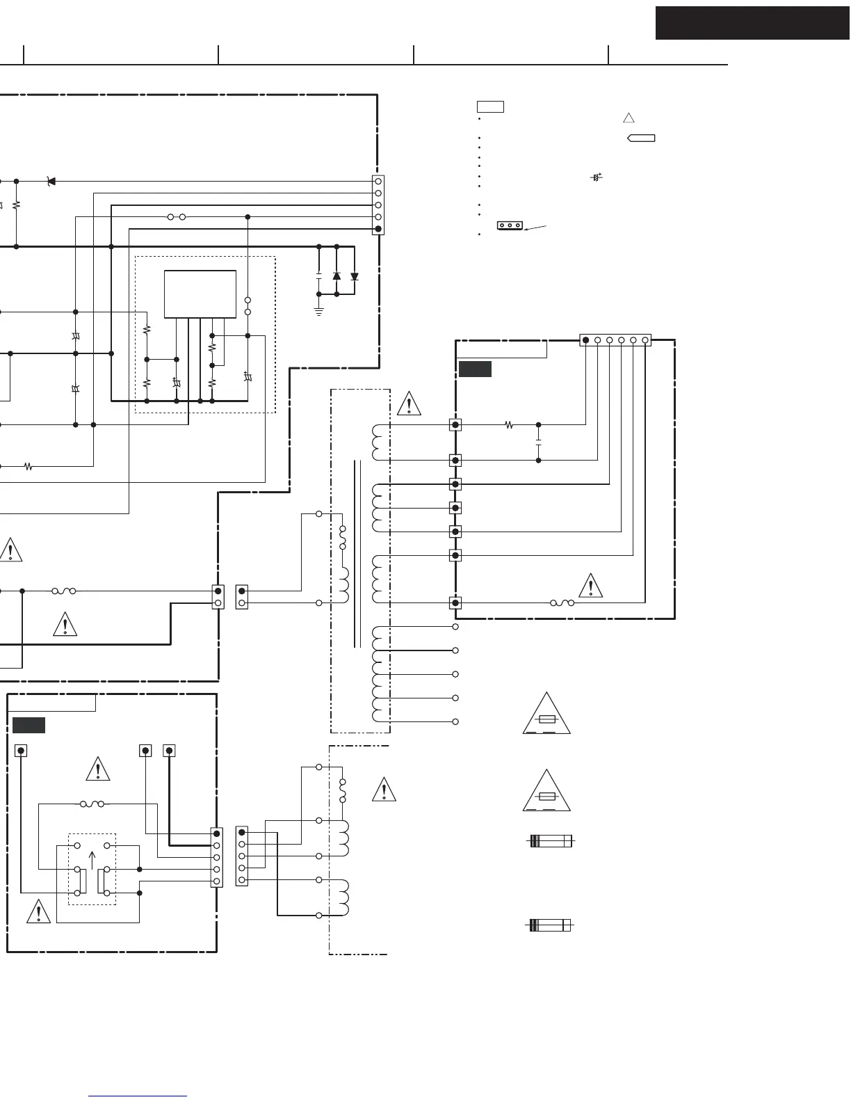
TX-SR604/604E/8460
SCHEMATIC DIAGRAM-9(SD-9)
POWER SUPPLY SECTION
A
1
2
3
4
5
BCDEFGH
+12VD
MPUGND
+10VS
FLAC1
FLAC2
POFF
POWERD
SEC3_2
SEC3_1
SEC2_1
SEC2_2
5
4
3
1
2
3
1
ONLY W-TYPE
EXCEPT W-TYPE
S3
S2
S4
S1
TO NAPS-8912, P15-P19
T901
2200/16
EXCEPT W-TYPE
F902
120V
220V
F903
NAETC-8788
NASW-8794
T902
NPT-1519JQ
NPT-1519GQ
NPT-1519JQ
NPT-1519GQ
D
P
G
W
TYPE
POWER TRANSFORMER
TYPE
D
P
G
W
AC
120V/220-240V 50/60HZ
220-230V 50/60HZ
230-240V 50HZ
120V 60HZ
TO NAVD-8819
(SD-2:A5)
TO NAVD-8819
(SD-5:A5)
(SD-5:A5)
F901
F910
T5AL250V
5A 125V
RL901
3
4 1
2
C933
4.7/50
C930
100/35
+
D933
1SS133
D935
1SS133
C931
10/50
C932
100/16
D925
1SS133
E901
P911
1
2
C901
103M/275VAC
C902
104J
R930
100K
R931
100K
R932
82K
R933
10K
J932
R934
100K
R921
56(1/2W)
P923B
P924B P925B
D931
1SS133
J931
P901A
2
1
14
9
8
13
12
10
C9101
104J
R9102
5.6 (1/2W)
C922
+
JL901A
5
4
3
2
1
C921
223Z
D930
1SS133
D923
1SS133
D922
1SS133
D924
1SS133
D921
1SS133
D934
MTZJ5.1B
11
P912
1
2
3
4
5
5
4
3
2
1
2
1
P902
JL9101A
1
2
3
4
5
6
T902
NPT-1519*
1
2
3
4
5
6
7
8
9
Q930
SI-3010KF
1
Vc
2
Vin
3
GND
4
Vout
5
ADJ
CE SYMBOLE INDIQUE QUE LE FUSIBLE UTLISE EST
A LENT, E POUR UNE PROTECTION PERMANENTE,N'UTILISER
QUE DES FUSIBLES DE MEME TYPE. CE DARNIER EST
INDIQUE LA QU LE PRESENT SYMBOL EST APPOSE.
THAT THE FUSE USED IS SLOW OPERATING TYPE
RATING REFER TO THE MAKING ADJACENT TO THE SYMBOL.
THIS SYMBOL LOCATED NEAR THE FUSE INDICATES
FOR CONTINUED PROTECTION AGAINST FIRE FUSE
HAZARD,REPLACE WITH SAME TYPE FUSE. FOR FUSE
CAUTIONF AFIN D'ASSURER UNE PROTECTION
PERMANENTE CONTRE LES RISQUES
D'INCENDIE, REMPLACER UNIQUEMENT
PAR UN FUSIBLE DE MEME TYPE
ET CALIBRATION COMME INDIQUE.
ATTENTION
V A
S902
4
5
6 3
2
1
AV
CAUTION
AND RATING INDICATED.
ONLY WITH FUSE OF SAME TYPE
AGAINST FIRE HAZARD, REPLACE
FOR CONTINUED PROTECTION
D912
1SS133
D911
1SS133
C911
102J
AC CORD
NAPS-8787
T901
W-TYPE ONLY
T901
NPT-1518D
NPT-1518P
NPT-1518G
NPT-1518DQ
PP, GQ
AC OUTLET
100W MAX
GR
U08
PRI SWITCH PC BOARD
U04
SEC TERMINAL-1
PC BOARD
U03
POWER SUPPLY PC BOARD
W-TYPE ONLY
F903
F901
RL901
4 1
P911
1
2
C901
103M/275VAC
P902
T5AL250V
T2.5AL250V
AC OUTLET
100W MAX
F903
F901
RL901
4 1
P911
1
2
C901
103M/275VAC
P902
T5AL250V
T2.5AL250V
NAETC-8793
P942B
P941B
P945
U07
OUTLET TERMINAL
PC BOARD
GK
AC OUTLET
100W MAX
F903
F901
RL901
4 1
P911
1
2
C901
103M/275VAC
T5AL250V
T2.5AL250V
P941A
P942A
WT, WO
AC OUTLET
100W MAX
F903
F901
RL901
4 1
P911
1
2
C901
103M/275VAC
P902
T5AL250V
T2.5AL250V
P923A
P924A
P925A
AC OUTLET
100W MAX
5A 125V
10A 125V
PA
AC OUTLET
100W MAX
F903
F901
RL901
4 1
P911
1
2
C901
103M/275VAC
P902
T5AL250V
T2.5AL250V
POWER TRANS
THE COMPONENTS IDENTIFIED BY MARK ARE CRITICAL FOR SAFETY
REPLACE ONLY WITH PART NUMBER SPECIFIED.
VOLTAGE (MEASURED WITH VOLTMETER) IS DC VOLTAGE.(NO INPUT SIGNAL).
ALL PNP TRANSISTORS ARE EQUIVALENT TO 2SA1015-GR UNLESS OTHERWISE NOTED.
ALL NPN TRANSISTORS ARE EQUIVALENT TO 2SC1815-GR UNLESS OTHERWISE NOTED.
ALL DIODES ARE EQUIVALENT TO 1SS133 UNLESS OTHERWISE NOTED.
ELECTROLYTIC CAPACITORS ( ) ARE IN uF/WV.
ALL CAPACITORS ARE IN pF/50WV UNLESS OTHERWISE NOTED.
EX) 030- 3pF 330- 33pF 331- 330pF 333- 0.033uF
ALL RESISTORS ARE IN OHMS 1/4WATTS UNLESS OTHERWISE NOTED.
THE THICK LINES ON PC BOARD ARE THE PRINTING SIDE OF THE PARTS.
EX) PRINTING SIDE
CIRCUIT IS SUBJECT TO CHANGE FOR IMPROVEMENT.
!
NOTE
<Note>
SD-x:XY is short for Shcematic Diagram-x and
each socket's location, X=A to H, Y=1 to 5.

Table of Contents

Related product manuals