EasyManua.ls Logo

Onkyo TX-SR604E - IC Block Diagrams and Terminal Descriptions -16; Q282: ES29 LV400 (4 Mbit Flash Memory)

Onkyo TX-SR604E
112 pages
Print Icon
To Next Page IconTo Next Page
To Next Page IconTo Next Page
To Previous Page IconTo Previous Page
To Previous Page IconTo Previous Page
Loading...
TX-SR604/604E/8460
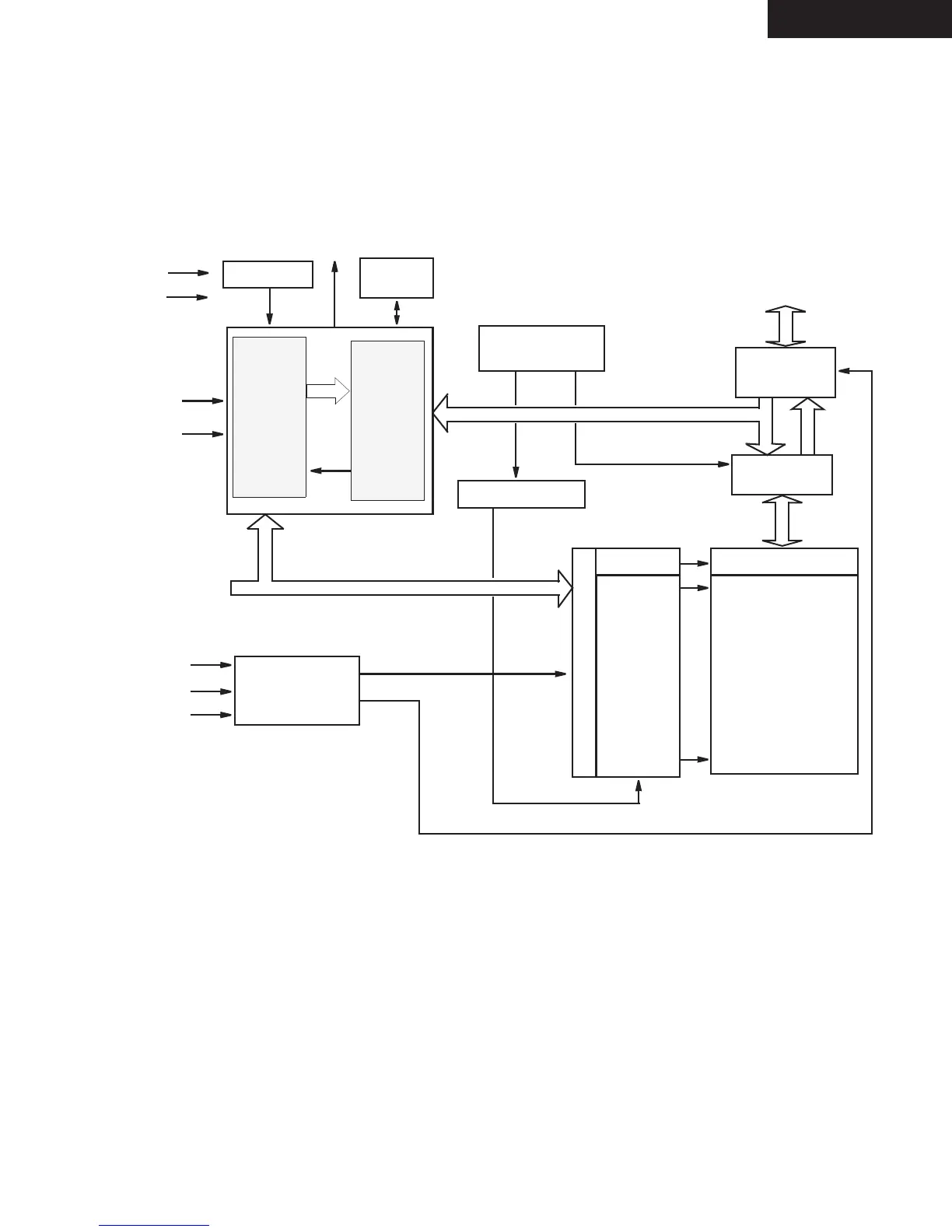
IC BLOCK DIAGRAMS AND TERMINAL DESCRIPTIONS -16
Q282 : ES29LV400 (4 Mbit Flash Memory)
BLOCK DIAGRAM
Command
Registe
r
Analog Bias
Generato
r
Address Latch
BYTE#
CE#
OE#
A<0:17>
RESET#
Vcc
Vss
Chip Enable
Output Enable
Logi
c
Vcc Dete
ctor
Timer/
Counter
Y-Decode
r
X-Deco
der
Y-Decode
r
Ce
ll Array
Data Latch/
Sense Amp
s
Input/Output
Buff
ers
Sector Swit
ches
DQ0-DQ15(A-1
)
RY/BY
#
Write
State
Machin
e
WE
#

Table of Contents

Related product manuals