EasyManua.ls Logo

Onkyo TX-SR805

Onkyo TX-SR805
120 pages
To Next Page IconTo Next Page
To Next Page IconTo Next Page
To Previous Page IconTo Previous Page
To Previous Page IconTo Previous Page
Loading...
42
Connecting Your Components
—Continued
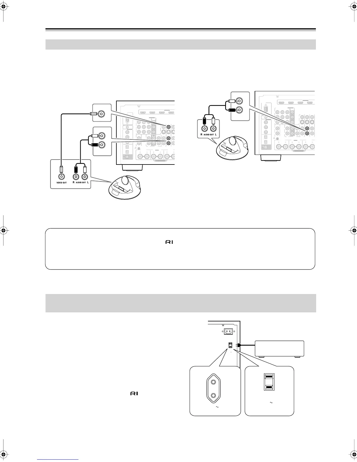
If Your iPod Supports Video:
Connect your RI Dock’s audio output jacks to the
AV receiver’s GAME/TV IN L/R jacks, and connect
its video output jack to the AV receiver’s GAME/TV
IN V jack.
(Onkyo DS-A2 hookup shown below.)
If you have an Onkyo DS-A1 RI Dock, connect its video
output jack to the AV receiver’s GAME/TV IN S jack.
If Your iPod Doesn’t Support Video:
Connect your RI Dock’s audio output jacks to the
AV receiver’s GAME/TV IN L/R jacks.
(Onkyo DS-A2 hookup shown below.)
The AV receiver has AC outlets on its rear panel that can be
used to connect the power cords of other components that you
intend to use with the AV receiver. These components can
then be left turned on so that they turn on and off as and when
the AV receiver is set to On or Standby.
Caution:
Make sure that the total capacity of the components that
you connect to the AC OUTLETS does not exceed the
stated capacity (e.g., TOTAL 120 W).
Notes:
Onkyo components connected via should be con-
nected directly to a wall outlet, not an AC OUTLET on the
AV receiver.
The number of AC OUTLETS, socket type, and total
capacity depends on the country in which you purchased
the AV receiver.
Connecting an RI Dock
RS232
DIGITAL
COAXIAL
OPTICAL
REMOTE
CONTROL
IN 1
IN 1
IN 2
IN IN IN IN
PHONO
ZONE2 R FRONT R
FRONT R
(BTL)
SURR BACK R
CD TAPE AUX 1
GAME/TV
GAME/TV CBL/S
A
CBL/S
A
AUX 1
GND
IN 2
IN 3
LL
V
S
RR
ASSIGNABLE
(DVD)
(CBL/SAT)
(VCR/DVR)
(GAME/TV)
(CD)
OUT
HDMI
IIN 2IN 3IN 4
ASSIGNABLE
COMPONENT VIDEO
ASSIGNABLE
IN 3
Y
C
B
/P
B
C
R
/P
R
IN 2 IN
1(DVD)
MONITOR
OUT
OUT
IN IN
Bi-AMP
L
R
IN
GAME/TV
V
GAME/TV
RS232
DIGITAL
COAXIAL
OPTICAL
REMOTE
CONTROL
IN 1
IN 1
IN 2
IN IN IN IN
PHONO
ZONE2 R FRONT R
FRONT R
(BTL)
SURR BACK R
CD TAPE AUX 1
GAME/TV
GAME/TV CBL/SAT
CBL/SAT
AUX 1
GND
IN 2
IN 3
LL
V
S
RR
ASSIGNABLE
(DVD)
(CBL/SAT)
(VCR/DVR)
(GAME/TV)
(CD)
OUT
HDMI
IN 1IN 2IN 3IN 4
ASSIGNABLE
COMPONENT VIDEO
ASSIGNABLE
IN 3
Y
C
B
/P
B
C
R
/P
R
IN 2 IN
1(DVD)
MONITOR
OUT
OUT
IN IN
O
U
Bi-AMP
L
R
IN
GAME/TV
Connecting the Power Cords of Other Components (North American and
European models only)
Notes:
Connect the RI Dock to the AV receiver with an cable (see page 43).
Set the RI Dock’s RI MODE switch to HDD.
Set the AV receiver’s Input Display to DOCK (see page 51).
See the RI Dock’s instruction manual for more information.
AC OUTLET
AC INLET
AC 120V
SWITCHED
120W 1A MAX.
60Hz
AC OUTLET
AC 120V
SWITCHED
120W 1A MAX.
60Hz
AC OUTLET
AC 220-240V
SWITCHED
100W 0.45-0.41A MAX.
50/60Hz
European model American model
TX-SR805875En.book Page 42 Thursday, April 26, 2007 3:00 PM

Table of Contents

Other manuals for Onkyo TX-SR805

Related product manuals