EasyManua.ls Logo

Onkyo TX-SR876 - Q8401: SII9134 CTU (HDMI Transmitter)

Onkyo TX-SR876
285 pages
Print Icon
To Next Page IconTo Next Page
To Next Page IconTo Next Page
To Previous Page IconTo Previous Page
To Previous Page IconTo Previous Page
Loading...
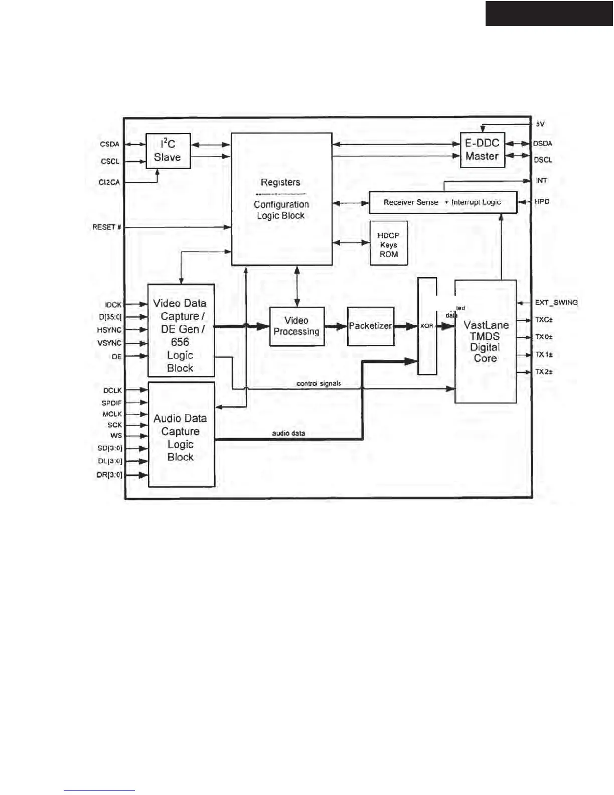
IC BLOCK DIAGRAMS AND TERMINAL DESCRIPTIONS -57
Q8401: SII9134CTU (HDMI Transmitter)
BLOCK DIAGRAM
TX-SR876/SA876
audio data
control signals
encrypted
data

Table of Contents

Other manuals for Onkyo TX-SR876

Related product manuals