EasyManua.ls Logo

Onkyo TX-SR876

Onkyo TX-SR876
285 pages
To Next Page IconTo Next Page
To Next Page IconTo Next Page
To Previous Page IconTo Previous Page
To Previous Page IconTo Previous Page
Loading...
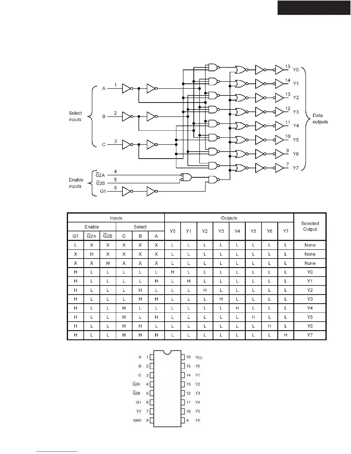
IC BLOCK DIAGRAMS AND TERMINAL DESCRIPTIONS -69
Q7171: TC74VHC238FT (3-8 Line Decoder)
PIN CONFIGURATION
TX-SR876/SA876
Logic Diagram
BLOCK DIAGRAM

Table of Contents

Other manuals for Onkyo TX-SR876

Related product manuals