EasyManua.ls Logo

OnRobot RG6 - Page 183

OnRobot RG6
282 pages
Print Icon
To Next Page IconTo Next Page
To Next Page IconTo Next Page
To Previous Page IconTo Previous Page
To Previous Page IconTo Previous Page
Loading...
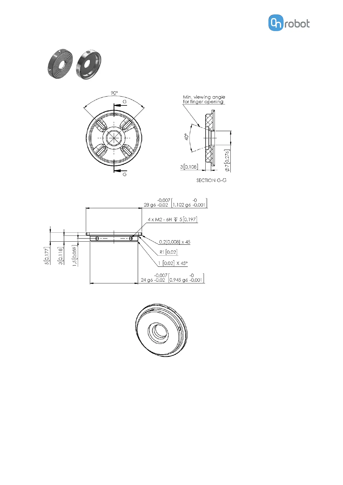
Dimensions of the Gripper’s finger, in millimeters.
HARDWARE SPECIFICATION
183

Table of Contents

Other manuals for OnRobot RG6

Related product manuals