EasyManua.ls Logo

Optronics PG11 - Dimensions

Optronics PG11
48 pages
Print Icon
To Next Page IconTo Next Page
To Next Page IconTo Next Page
To Previous Page IconTo Previous Page
To Previous Page IconTo Previous Page
Loading...
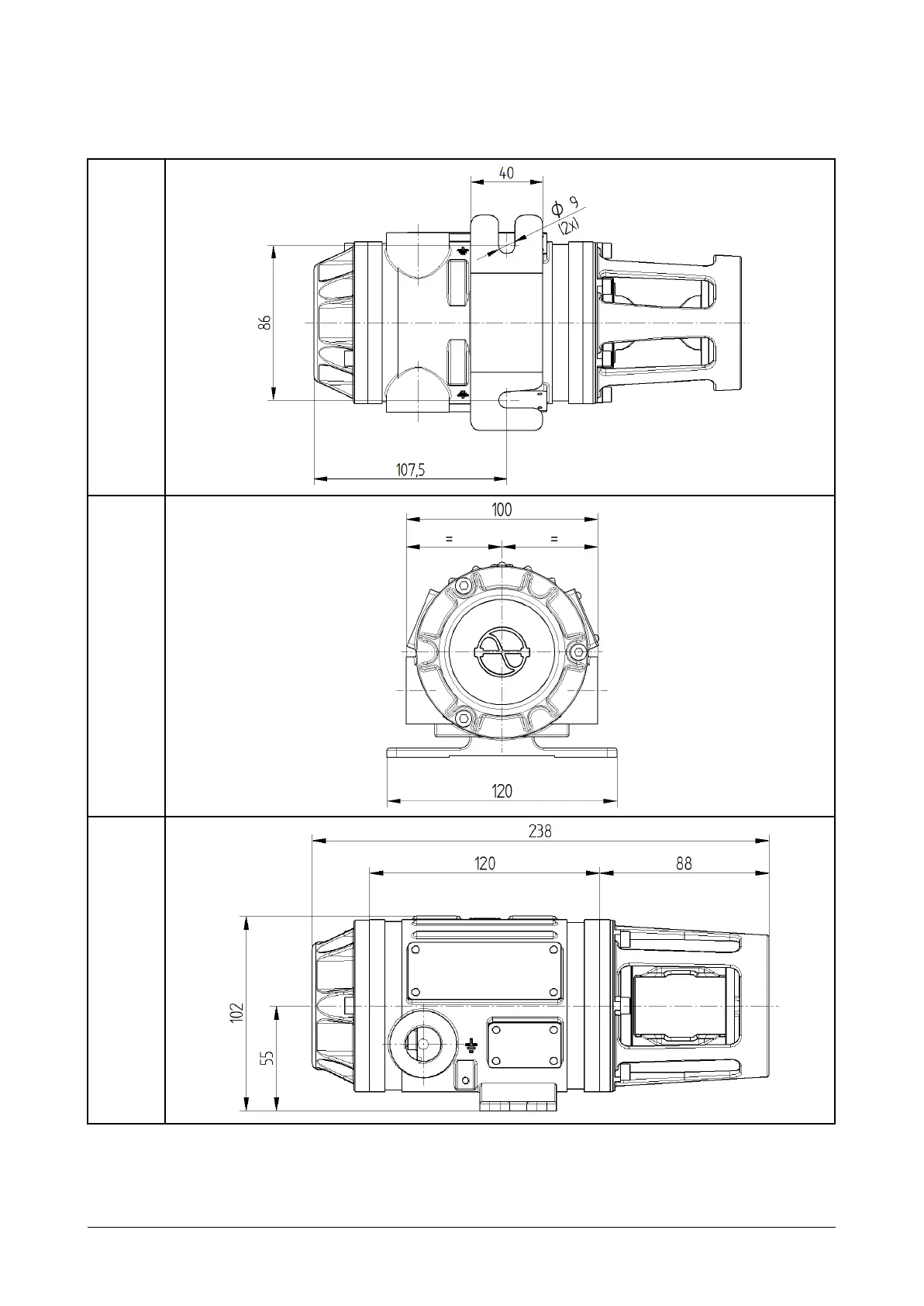
1.2 Dimensions PG11
Mount
Width
Length
and
height
Document 022-80036-OM Revision R03 Page 7 of 48

Table of Contents