EasyManua.ls Logo

PACOM PDR420 - Rear Panel Connectors

Default Icon
29 pages
Print Icon
To Next Page IconTo Next Page
To Next Page IconTo Next Page
To Previous Page IconTo Previous Page
To Previous Page IconTo Previous Page
Loading...
Users Manual
2
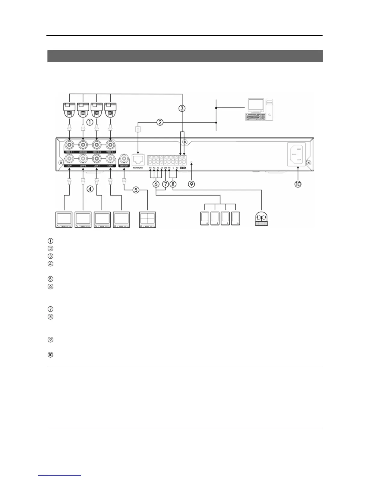
REAR PANEL CONNECTORS
No special tools are required to install the DVR. Refer to the installation manuals for the other items that
make up part of your system. Your DVR should be completely installed before proceeding.
Video In: Connect the coaxial cables from the video sources.
Network: Connect a Cat5 cable with an RJ-45 jack.
RS-485 Port: Connect a PTZ camera. Refer to Appendix Connector Pin Outs for details.
Loop: Connect the video source to another video-out device through loop BNC connectors if
necessary.
Video Out: Connect the SPOT monitor.
Alarm In: Connect alarm-in devices. The threshold voltage for NC (Normally Closed) is above
4.3Vand for NO (Normally Open) is below 0.3V, and it should be stable at least 0.5 seconds to be
detected.
GND: Connect the ground side of the alarm input to the GND connector.
Alarm Out: Connect an alarm-out device to NC (Normally Closed) and C (Common) connectors or
NO (Normally Open) and C (Common) connectors. Permitted current is up to 0.5 A for 125 VAC, 1
A for 30 VDC.
Factory Reset Switch: Use this switch on rare occasions that you want to return all the settings to the
original factory settings. Refer to the Factory Reset section for details.
Power Cord: Connect the power cord to the DVR and then to the wall outlet.
NOTES:
Ÿ The Loop BNC connectors are auto terminated. Do NOT connect a cable to the Loop BNC unless it is
connected to another terminated device because it will cause poor quality video.
Ÿ To make connections on the Alarm Connector Strip, press and hold the button and insert the wire in
the hole below the button. After releasing the button, tug gently on the wire to make certain it is
connected. To disconnect a wire, press and hold the button above the wire and pull out the wire.
Ÿ This Network Port is not connected with cables or wires intended to connect to the outdoor directly.

Related product manuals