EasyManua.ls Logo

Palfinger PTV 33 - Electrical Schematic

Palfinger PTV 33
77 pages
Print Icon
To Next Page IconTo Next Page
To Next Page IconTo Next Page
To Previous Page IconTo Previous Page
To Previous Page IconTo Previous Page
Loading...
PTV 35/44/55/66 Installation Manual
Rev. 1.1 61
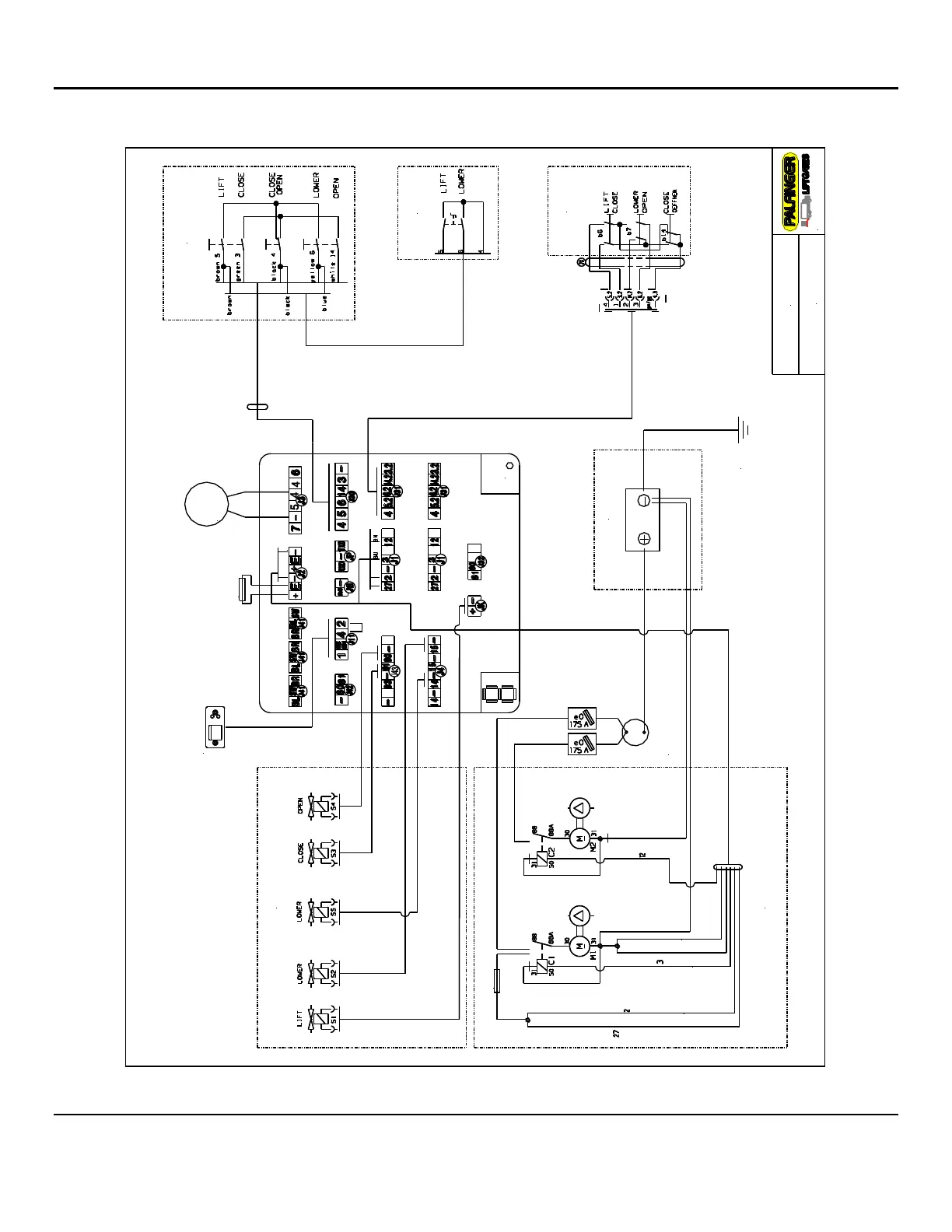
13.9 Electrical Schematic
15939 Piuma Ave. Cerritos, CA 90703
70-1121-001_a
PTV Electrical Schematic
Power LED
Volt
Gauge
Ground
to Chassis
Master Shut
Off Switch
Pump and Electric Motors
15 A
Fuse
15 A
Fuse
Cab Shutoff Switch
(Optional)
Valves
Power Source
Auxiliary
Hand Control
Column
Toggle Switch
External
Control Switch
Yl/gn
-
3
-
1
2
2 1
3
Yl/gn
BU
BN

Table of Contents

Related product manuals