EasyManua.ls Logo

Palfinger PTV 33 - Hydraulic Schematic

Palfinger PTV 33
77 pages
Print Icon
To Next Page IconTo Next Page
To Next Page IconTo Next Page
To Previous Page IconTo Previous Page
To Previous Page IconTo Previous Page
Loading...
PTV 35/44/55/66 Installation Manual
Rev. 1.1 52
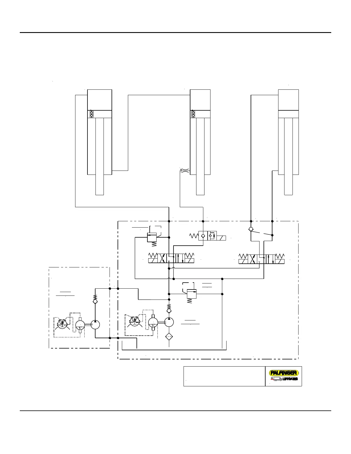
12.5 Hydraulic Schematic
HYDRAULIC, SCHEMATIC, PTV
BUCHER PUMP (
90-1118-001)
15939 Piuma Ave. Cerritos, CA 90703
M
207
BAR
3000
PSI
AB
69 BAR
1000
PSI
C
D
1.72
CC/REV
0.105
IN³/REV
T1
P1
M
1.72
CC/REV
0.105
IN³/REV
S1
S2
S5
S4
S3
M+S1 = LIFT
M+S2+S5 = POWER DOWN
S5 = GRAVITY DOWN
M+S4 = TILT OPEN
M+S3 = TILT CLOSE
LIFT CYLINDER 1
LIFT CYLINDER 2
OPEN CLOSE
CYLINDER
SECONDARY PUMP UNIT
(OPTIONAL)
PRIMARY PUMP UNIT
RESERVOIR
2.6 GPM

Table of Contents

Related product manuals