EasyManua.ls Logo

Panasonic BL-C230A - How To Remove Speaker Holder Assy [No.9]

Panasonic BL-C230A
75 pages
Print Icon
To Next Page IconTo Next Page
To Next Page IconTo Next Page
To Previous Page IconTo Previous Page
To Previous Page IconTo Previous Page
Loading...
45
BL-C230A
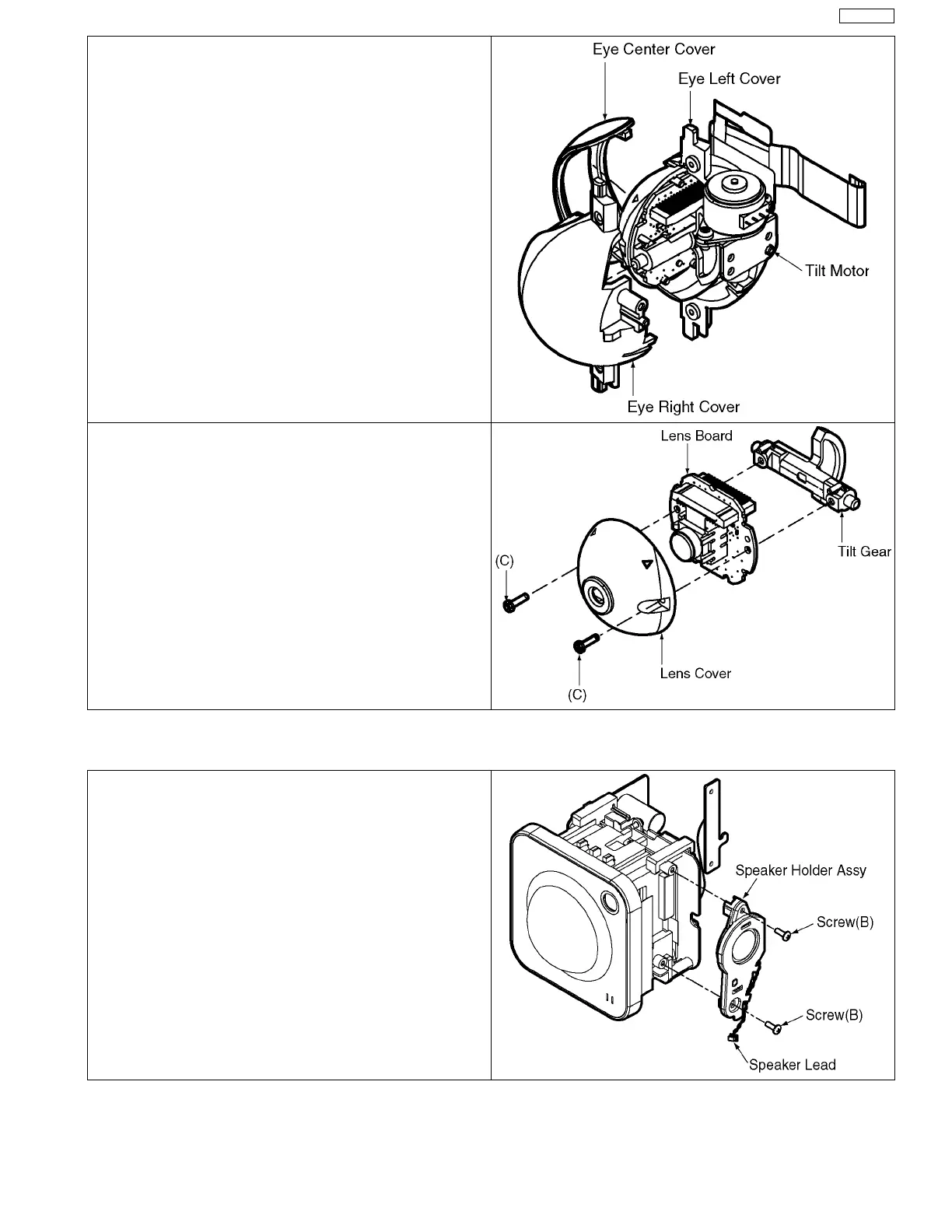
9.1.9. How To Remove Speaker Holder Ass’y [No.9] (Procedure No.19)
5. Remove the Eye Right Cover, Eye Center Cover and the Eye Left
Cover.
6. Remove a Flat Cable and remove the Tilt Motor.
7. Remove two Screws (C) and remove the Lens Board.
1. Remove two Screws (B).
2. Remove the Speaker Lead and the Speaker Holder Ass’y.

Table of Contents

Other manuals for Panasonic BL-C230A

Related product manuals