EasyManua.ls Logo

Panasonic CU-2E18SBE - Wiring Connection Diagrams

Panasonic CU-2E18SBE
182 pages
Print Icon
To Next Page IconTo Next Page
To Next Page IconTo Next Page
To Previous Page IconTo Previous Page
To Previous Page IconTo Previous Page
Loading...
28
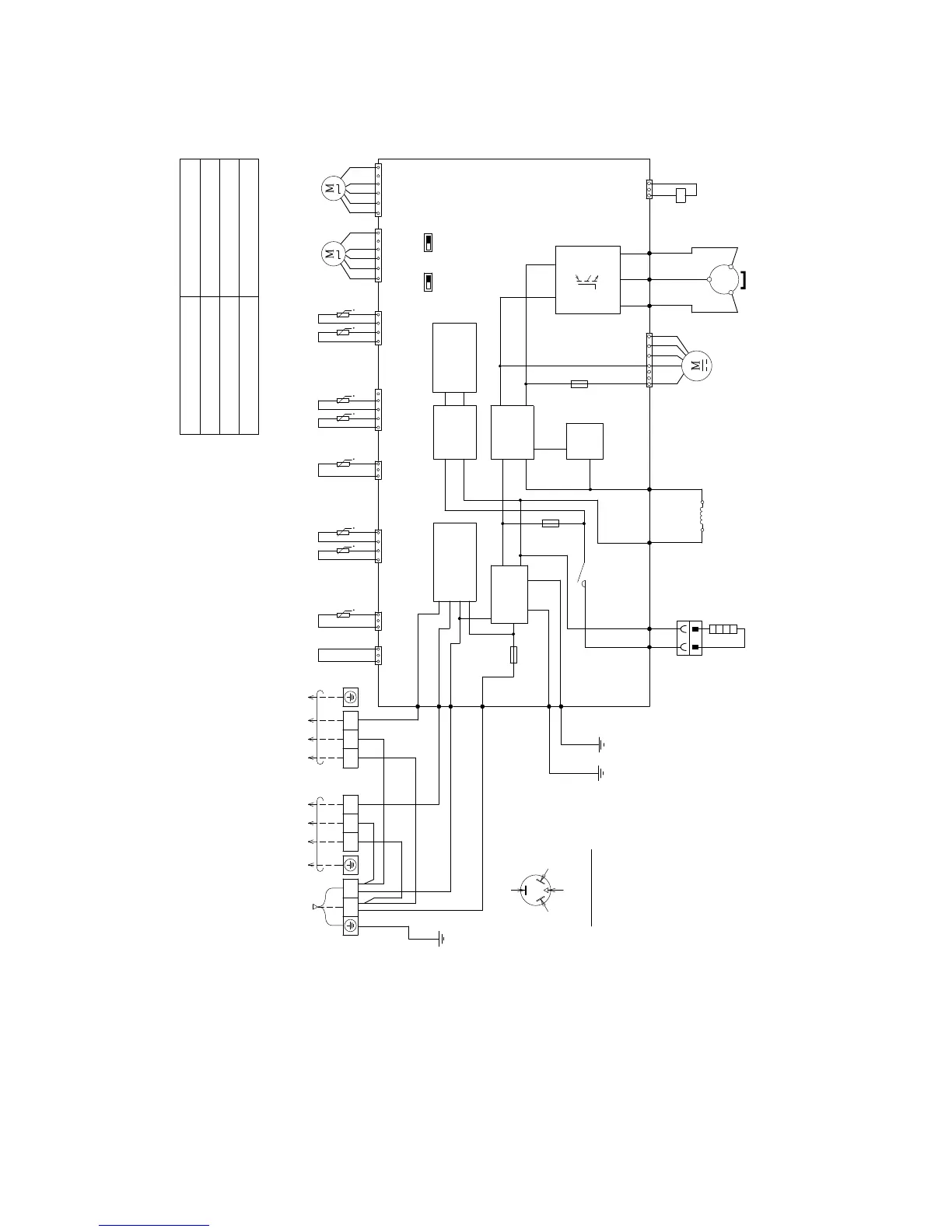
6. Wiring Connection Diagram
6.1 CU-2E12SBE CU-2E15SBE CU-2E18SBE
R
e
s
i
s
t
a
nc
e
o
f
C
o
m
p
r
e
s
s
o
r
W
inding
s
CONNECTION
U-V
U-W
V-W
1.152
1.152
1.152
5RD132XFC21 (Ω)
ELECTRONIC CONTROLLER
(MAIN)
REMARKS:
BLACK; (BLK)
WHITE; (WHT)
YELLOW; (YLW/YEL)
GREEN; (GRN)
ORANGE; (ORG)
YELLOW/GREEN; (YLW/GRN)
BLUE; (BLU)
RED; (RED)
GRAY; (GRY)
BROWN; (BRW)
1
LN
23 123
TO INDOOR UNIT A
POWER SUPPLY
WHT
WHT
BLK
BRW
BLK
BLK
WHT
RED
DATA 2
(BROWN)
CN-EV1 (WHITE)
161614 1
3
1
5
1
4
C
N
-
E
V
2
(
Y
E
L
L
O
W
)
C
N
-
T
H
1
(
W
H
I
T
E
)
C
N
-
T
H
2
(
B
L
U
E
)
C
N
-
T
H
3
(
W
H
I
T
E
)
C
N
-
T
H
4
(
R
E
D
)
SW-DEW
SW-COOLING
OUTDOOR AIR TEMP. SENSOR
(THERMISTOR)
OUTDOOR HEAT EXCHANGER
TEMP. SENSOR (THERMISTOR)
DEFROST TEMP. SENSOR
(THERMISTOR)
LIQUID PIPE TEMP. SENSOR
(UNIT A) (THERMISTOR)
LIQUID PIPE TEMP. SENSOR
(UNIT B) (THERMISTOR)
GAS PIPE TEMP. SENSOR
(UNIT A) (THERMISTOR)
GAS PIPE TEMP. SENSOR
(UNIT B) (THERMISTOR)
t
t
t
1
3
C
N
-
T
A
N
K
(
W
H
I
T
E
)
W
H
T
TANK TEMP. SENSOR
(THERMISTOR)
t
1
3
C
N
-
H
E
A
T
(
W
H
I
T
E
)
t
t
t
t
D
A
T
A
1
(
R
E
D
)
C
O
M
M
U
N
I
C
A
T
I
O
N
C
I
R
C
U
I
T
RECTIFICATION
CIRCUIT
RECTIFICATION
CIRCUIT
PFC
CIRCUIT
N
U
(RED)
U
(BLUE)
V
(YELLOW)
W
Q23
VW
P
SWITCHING POWER
SUPPLY CIRCUIT
N
O
I
S
E
F
I
L
T
E
R
C
I
R
C
U
I
T
A
C
-
W
H
T
(
W
H
I
T
E
)
A
C
-
B
L
K
(
B
L
A
C
K
)
F
U
S
E
3
2
5
A
2
5
0
V
FUSE2
T2.5A L250V
FUSE1
T3.15A L250V
H
T
1
(
O
R
A
N
G
E
)
H
T
2
(
O
R
A
N
G
E
)
F
G
1
(
G
R
E
E
N
)
R
Y
-
H
T
GRY
GRN
GRN
GRY
RED
RED
BLK
WHT
BLU
BLU
YLW
YLW
F
G
2
(
G
R
E
E
N
)
L
1
-
I
(
G
R
A
Y
)
L
1
-
O
(
G
R
A
Y
)
C
N
-
H
O
T
(
W
H
I
T
E
)
C
N
-
F
M
1
(
W
H
I
T
E
)
1
1
4
7
3
R
E
A
C
T
O
R
F
A
N
M
O
T
O
R
C
O
M
P
R
E
S
S
O
R
M
S
3
~
E
L
E
C
T
R
O
-
M
A
G
N
E
T
I
C
C
O
I
L
(
4
-
W
A
Y
V
A
L
V
E
)
C
O
N
N
E
C
T
O
R
(
Y
L
W
)
ORG
ORG
H
E
A
T
E
R
Y
E
L
L
O
W
(
Y
E
L
)
R
E
D
(
R
E
D
)
T
R
A
D
E
M
A
R
K
T
H
E
P
A
R
E
N
T
H
E
S
I
Z
E
D
L
E
T
T
E
R
S
I
S
I
N
D
I
C
A
T
E
D
O
N
T
E
R
M
I
N
A
L
C
O
V
E
R
.
COMPRESSOR TERMINAL
B
L
U
E
(
B
L
U
)
TERMINAL BOARD
TERMINAL BOARD
TERMINAL BOARD
UNIT A
ELECTRO-MAGNETIC
COIL
UNIT B
ELECTRO-MAGNETIC
COIL
YLW/GRN
T
O
I
N
D
O
O
R
U
N
I
T
B

Table of Contents

Related product manuals