EasyManua.ls Logo

Panasonic CU-2E18SBE - Cu-3 E23 Sbe

Panasonic CU-2E18SBE
182 pages
Print Icon
To Next Page IconTo Next Page
To Next Page IconTo Next Page
To Previous Page IconTo Previous Page
To Previous Page IconTo Previous Page
Loading...
29
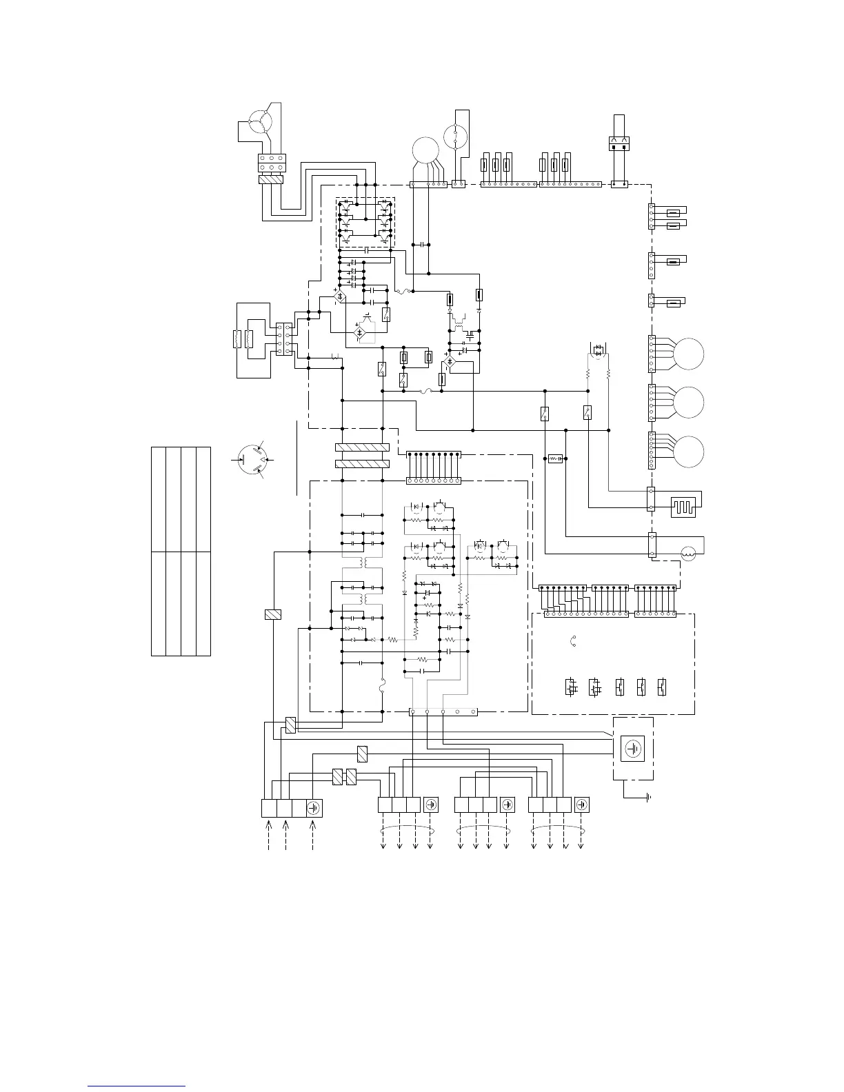
6.2 CU-3E23SBE
R
e
s
i
s
tanc
e
o
f
C
o
m
p
r
e
s
s
o
rWin
d
in
g
s
CONNECTION
U-V
U-W
V-W
0.720
0.726
0.708
5KD184XAB21 ()
HIGH PRESSURE SW
LIQUID PIPE SENSOR A
LIQUID PIPE SENSOR B
LIQUID PIPE SENSOR C
SENSOR COMPLETE
SENSOR COMPLETE
SENSOR
C
O
M
P
L
E
T
E
SENSOR
C
O
M
P
L
E
T
E
SENSOR
C
O
M
P
L
E
T
E
ELECTRO-
MAGNETIC COIL
(EXPAND VALVE)
ELECTRO-
MAGNETIC COIL
(EXPAND VALVE)
ELECTRO-
MAGNETIC COIL
(EXPAND VALVE)
ELECTRO-
MAGNETIC
COIL
CRANK
CASE
HEATER
MMM
CN-TH4
WHITE
CN-TH1
WHITE
OUTLET TEMP. SENSOR
(THERMISTOR)
COND. TEMP. SENSOR
(THERMISTOR)
PIPE TEMP. SENSOR(OFF)
(THERMISTOR)
DIS. T. TEMP. SENSOR
(THERMISTOR)
4
4
1
CN-TH2
YELLOW
CN-DIS
WHITE
CN-EV3
BLUE
CN-EV2
YELLOW
CN-EV1
YELLOW
CN-HT1
BLACK
CN-HOT
BLUE
CN-DISP 2
WHITE
CN-DISP 1
WHITE
CN-NMODE
YELLOW
CN-NMODE 1
WHITE
CN-DISP 1
WHITE
JP1
COOL ONLY
ELECTRONIC CONTROLLER
(DISPLAY)
ELECTRONIC CONTROLLER
(SUB)
POWER S AVE
PRIORITY MODE
PUMP DOWN
OPERATION TEST
WIRING CHECK
GROUND PLATE
Y/G
TO INDOOR UNIT C
1
2
3
TO INDOOR UNIT B
1
BL
W
2
3
TO INDOOR UNIT A
P
WE
R
SU
P
P
L
Y
1
BL
TERMINAL BOARD
TERMINAL BOARD
CORE
CORE
CORE
BL
G
G
BL
W
Y/G
W
CORE
CORE
WHITE
ACN1
BLACK
ACL1
CN-COM
R
B
Y
1
3
5
7
9
FUSE 401
30A 250V
FG1 FG2
YELLOW (W)
BLUE (V) RED (U)
GRY
GRY
GRY
L1-I L2-I L2-O L1-O
DB3
P
N
1
FM
FAN
MOTOR
CN-FM1
WHITE
FUSE1
T 3.15A
L 250V
RY -PWR
RY -AC
PTC1
PTC2
DB2
FUSE2
T2.5A
L 250V
CORE
CORE
BL
CN-BLK
1
1
9
CN-DATA
WHITE
CN-DATA
WHITE
9
CN-WHT
W
AC-BLK
AC-WHT
RY-C
CN-PSW1
BLUE
7
1
R
R
2
U
V
W
DB1
CT400
GRY
REACTOR
BL
R
33
B
BL BL
Y
CORE
1
1
COMPRESSOR
R
B
Y
BL
1
1
4CONNECTOR
WHITE
4
REACTOR
(TRADEMARK)
COMP. TERMINAL
L
N
W
2
3
REMARKS
B:BLUE
BL : BLACK
W:WHITE
R:RED
Y : YELLOW
GRY : GRAY
G : GREEN
Y/G : YELLOW/GREEN
3
3
8
1
1
1
1
1
1
1
W
W
W
W
W
W
W
W
W
W
W
W
W
W
W
W
W
W
W
W
W
W
W
W
W
W
W
W
W
W
14
77
6
8
11 1
1
1
2
66
CN-TH3
WHITE
T1
ELECTRONIC CONTROLLER
(MAIN)
RY-HOT
RY -HT
CR3
1
1
10
11
GAS PIPE SENSOR A
GAS PIPE SENSOR B
GAS PIPE SENSOR C
CN-HEAT
(WHITE)
CONNECTOR
(WHITE)
W
W
W
1
3

Table of Contents

Related product manuals