EasyManua.ls Logo

Panasonic DMR-E53EG - Page 252

Panasonic DMR-E53EG
285 pages
Print Icon
To Next Page IconTo Next Page
To Next Page IconTo Next Page
To Previous Page IconTo Previous Page
To Previous Page IconTo Previous Page
Loading...
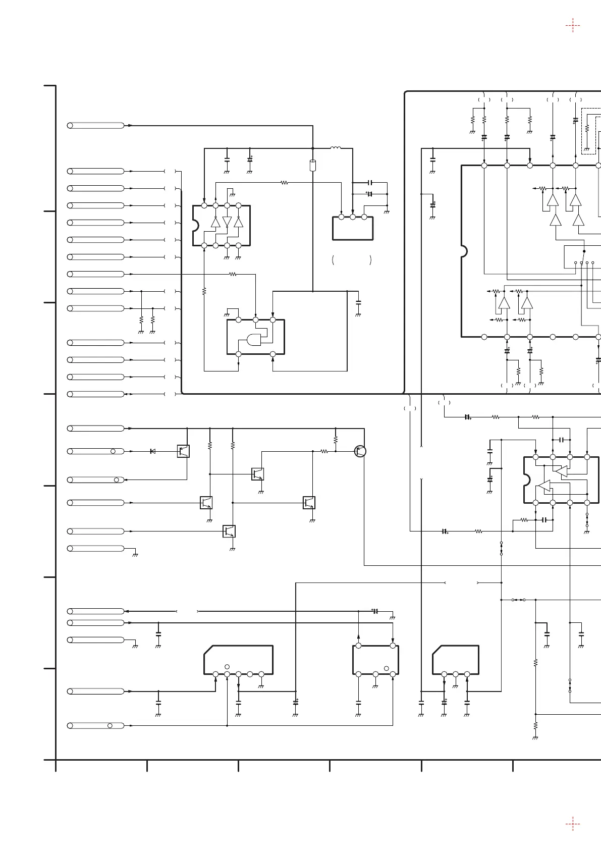
17.6. Audio Main Section (Main P.C.B. (4/5)) Schematic Diagram (A)
L
H
H
H
H
H
K4007
REG.AU+12V
(AMP)
0.1
C4061
6V470
C4056
R4061 10K
EXCEPT E55EB
R4060 10K
10P
C4039
10P
C4040
EXCEPT E55EB
0
R4018
E55EB
E55EB
K4012
E55EB
L2 IN RL2 IN L
R CHL CH
AU +5V
REG.AU+9V
0.1
C4059
(REG.AU+5V)
C0CBCDD00002
IC4011
AU 5VM
0.1
C4055
P X SW 5.8V
VOUT VIN
:ONGNDNR
54
321
50V1
C4013
50V1
C4015
10K
R4054
10K
R4052
0.1
C4065
K4002
K4008
K4006
K4004
0
R4049
50V10
C4011
10K
R4056
10K
R4053
GND
VCC
16V220
C4092
0.1
C4052
A8A7A6A5A14A13A4A3
A19A11A12A18A17A16A15A10A9
A17
A18
A19
A16
A15
A14
A13
R4090 220
R4093 220
0.1
C4074
0.1
C4022
16V470
C4024
A2
A1
A12
A11
A10
A9
A8
A7
A6
A5
A4
A3
A2
A1
IN THE PARTS LIST,AND MAY BE SLIGHTLY DIFFERNT OR AMENDED SINCE THIS DRAWING WAS PREPARED.
NOTE:DO NOT USE THE PART NUMBER SHOWN ON THIS DRAWING FOR ORDERRING.THE CORRECT PART NUMBER IS SHOWN
VCC
GND
V
V
M
M
V
M
M
M
M
M
P
T
P
P
M
M
T
M
T
T
T
T
T
V
V
M
M
M
M
M
M
M
P
82K
R4008
82K
R4009
1K
R4087
100
R4070
0.1
C4091
J0JGC0000020
LB4001
22u
L4002
C4069 0.1
C4067 6.3V47
100
R4099
6V47
C4054
0.1
C4053
R4005 0
33K
R4012
100
R4010
100
R4011
16V220
C4008
16V10
C4019
16V10
C4021
82K
R4022
82K
R4021
50V1
C4027
1K
R4015
1K
R4023
50V1
C4031
50V4.7
C4001
2.2M:E55EB
0:EXCEPT E55EB
R4006
50V4.7
C4002
0.01
C4003
0.01
C4004
50V1
C4005
1K
R4001
50V1
C4006
1K
R4013
50V1
C4007
50V1
C4010
0.1
C4012
50V10
C4014
50V10
C4017
R4020 47K
R4019 47K
50V1
C4023
50V1
C4025
560P
C4083
(MUTE)
2SD132800L
Q4008
(MUTE)
2SD132800L
Q4009
2SD132800L
Q4007
(MUTE)
(MUTE)
2SD132800L
Q4006
2700
R4089
2700
R4088
2700
R4079
2700
R4078
R4081 820
R4080 100
R4077 100
R4076 820
47K
R4074
47K
R4071
C4063 16V477500
R4046
15K
R4055
68P
C4060
68P
C4057
16V47
C4064
15K
R4057
7500
R4047
10V220
C4072
10V220
C4070
10K
R4067
10K
R4066
0.1
C4077
16V470
C4076
0.1
C4075
0.1
C4026
16V470
C4029
0.1
C4030
=84H
SLAVE
OUT
RFSCLSDAGND1/2VCCD/A RD/A LAADC RAADC LVCC
BIAS
RF
SENSE
LEVEL
R
A4 IN
L
A4 IN
R
L3 IN
L
L3 IN
CAP1R
DECODER
L
DECODER
R
TUNER
L
TUNER
AU GND
GND
D5V
POWER ON
X SW 13V
XDMUTE
XTMUTE
SCART AUDIO MUTE
SCART MUTE
IIC DATA
IIC CLK
L2 IN R
L2 IN L
A4 IN R
A4 IN L
L3 IN R
L3 IN L
TUNER R
TUNER L
MIXROUT DM
MIXLOUT DM
IECOUT
AU GND
DECODER R
DECODER L
RFC A OUT
560P
C4082
MIX R OUT2
MIX R OUT1
MIX L OUT1
MIX L OUT2
AADC R
AADC L
10V220
C4062
16V47
C4033
16V47
C4034
(IEC BUFFER)
C0JBAA000134
IC4007
123
54
AUDIO OUT
OPTICAL DIGITAL
(IEC BUFFER)
10K
R4014
10K
R4017
10K
R4004
10K
R4002
(MUTE)
2SB1218A0L
Q4004
(MUTE)
UNR521100L
QR4005
(MUTE)
UNR521100L
QR4004
(MUTE)
UNR521100L
QR4003
UNR521100L
QR4002
(MUTE)
MA2C165001VT
D4001
(AMP)
(MUTE)
UNR511300L
QR4012
X SW 5.2V
3
1
MA3Z142D0LG
D4005
2
-
+
-
+
C0ABBB000216
IC4009
8765
1
VCC
234
VO1
VO2
IN1- IN1+
IN2+
VEE
IN2-
IN
AN78L09M-E1
IC4013
(REG.AU+9V)
OUT
GND
321
(AUDIO PROCESS)
C1AB00001920
IC4001
SWITCH
SELECTOR
INPUT
1/2VCC
VCC
2AMP
( :OFF)
ON/OFF
POWER
LOGIC
IIC BUS
-+ -+
+
+-
17181920212223242526272829303132
+--+
16151413121110987654321
-
+
+
-
GND
NC
VOUT
(REG.AU+12V)
C0DBZJE00003
IC4010
C0ABBB000118
IC4012
MA3Z142D0LG
D4006
3
1
2
VIN
K7AAAB000013
IC4006
C0JBAB000178
IC4005
:ON
54321
321
GND
VCC
IN
IN2-
VEE
IN2+
IN1+IN1-
VO2
VO1
4321
5678
VCC
4321
5678
1110987654321
G
F
E
D
C
B
A
DMR-E53EG,E55EB/EG/EBL/EP
Audio Main Section
(Main P.C.B.(4/5))
Schematic Diagram(A)
D
P:Sub Power Supply Section(Page: )
A
M:Main Net Section(Page: )
B
V:Video I/O Section(Page: )
C
A:Audio Main Section(Page: )
D
T:Timer Section(Page: )
E
52

Table of Contents

Related product manuals