EasyManua.ls Logo

Panasonic DMR-E53EG - Checking and Repairing of Digital P.C.B

Panasonic DMR-E53EG
285 pages
Print Icon
To Next Page IconTo Next Page
To Next Page IconTo Next Page
To Previous Page IconTo Previous Page
To Previous Page IconTo Previous Page
Loading...
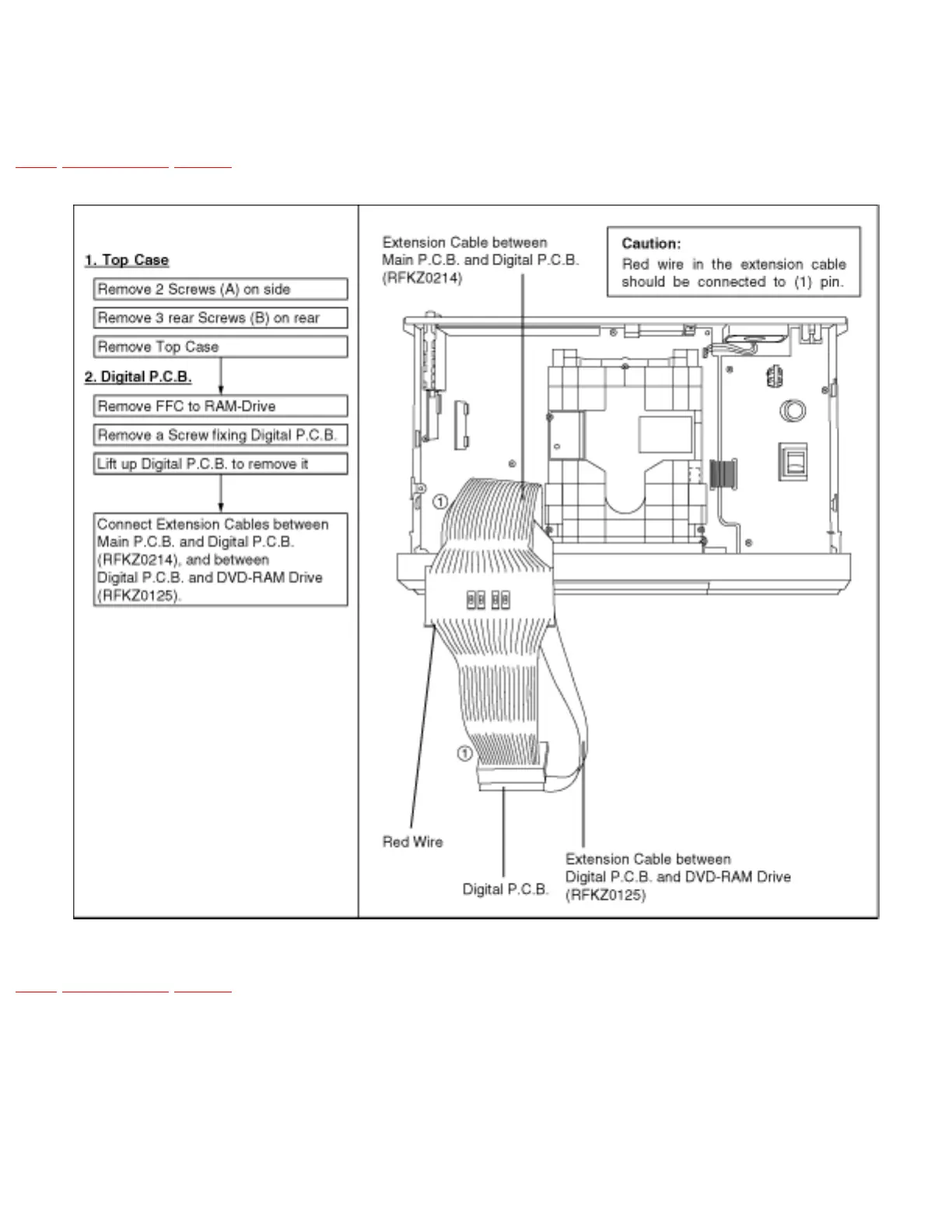
11.3 Checking and Repairing of Digital P.C.B.
TOP PREVIOUS NEXT
TOP PREVIOUS NEXT

Table of Contents

Related product manuals