EasyManua.ls Logo

Panasonic DMR-E53EG - VIF Decoder P.C.B. and Nicam Decoder P.C.B

Panasonic DMR-E53EG
285 pages
Print Icon
To Next Page IconTo Next Page
To Next Page IconTo Next Page
To Previous Page IconTo Previous Page
To Previous Page IconTo Previous Page
Loading...
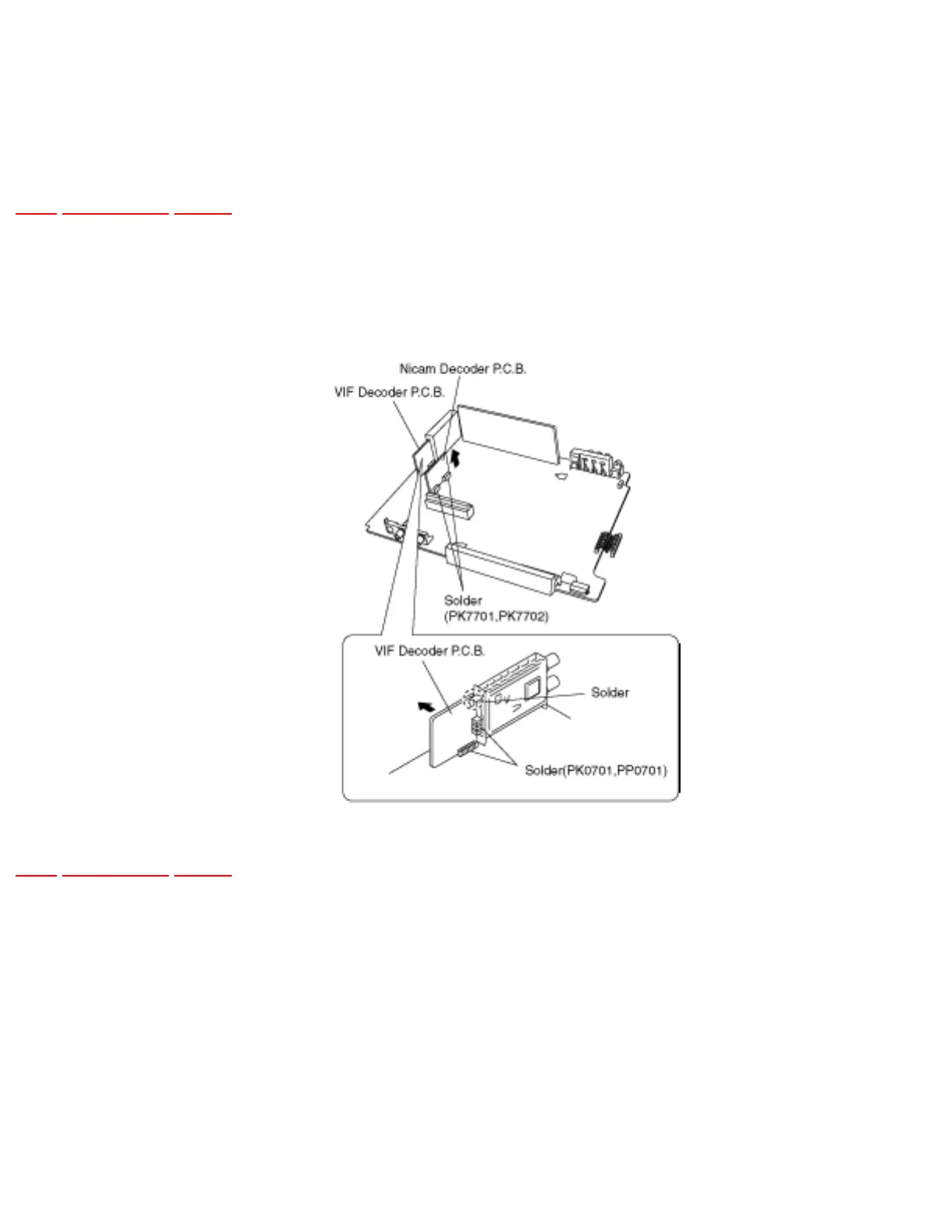
9.12 VIF Decoder P.C.B. and Nicam Decoder P.C.
B.
TOP PREVIOUS NEXT
1. Remove the solders.
2. Pull out the VIF Decoder P.C.B. and Nicam Decoder P.C.B.
TOP PREVIOUS NEXT

Table of Contents

Related product manuals