EasyManua.ls Logo

Panasonic DMR-E53EG - Page 277

Panasonic DMR-E53EG
285 pages
Print Icon
To Next Page IconTo Next Page
To Next Page IconTo Next Page
To Previous Page IconTo Previous Page
To Previous Page IconTo Previous Page
Loading...
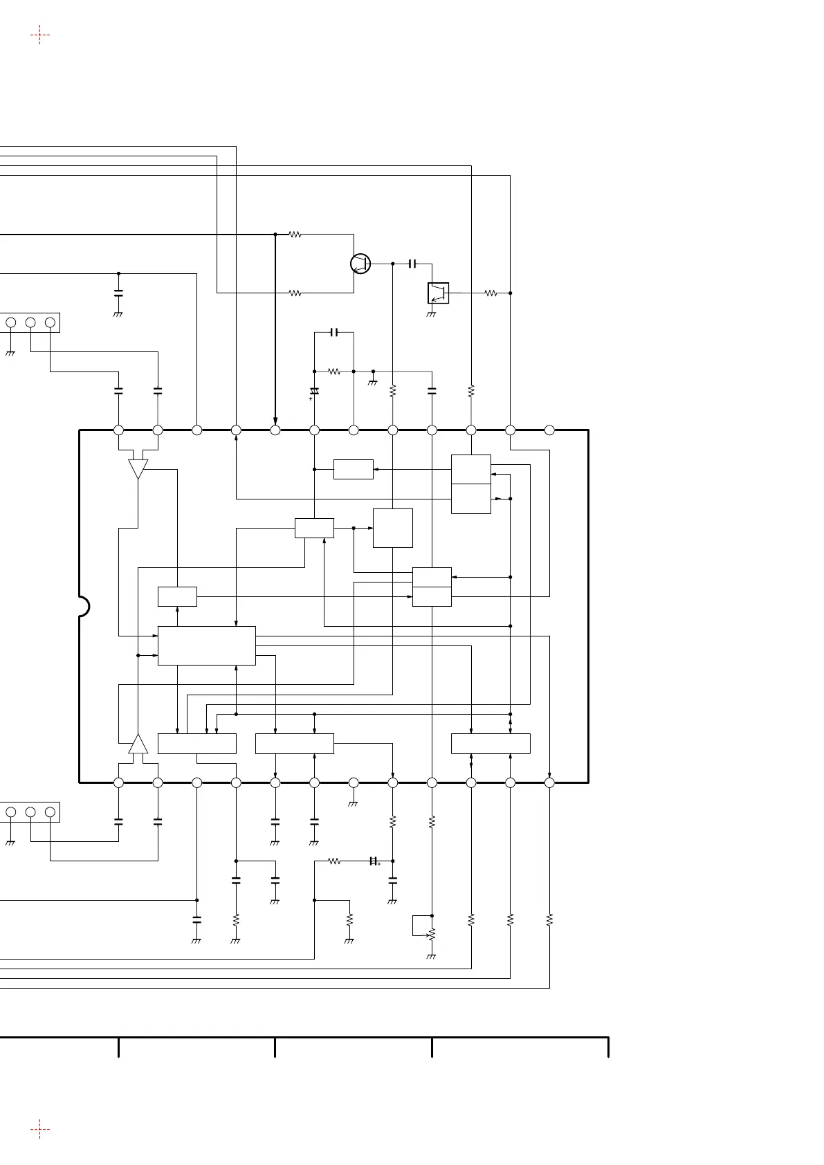
17.13. VIF Decoder Schematic Diagram (For DMR-E53EG and DMR-E55EG)
A
B
C
D
E
F
1234567 8
1
2
3
4
PP0701
(TO TUNER UNIT)
4MHz
AGC
IF
GND
C0728
50V0.1
C0717
0.01
C0730
16V22
R0735
100
R0734
6800
R0711
5600
L0706
150u
L0707
150u
R0709
22K
C0705
0.01
R0710
22K
D0703
MA3Z080E0L
R0707
22K
R0706
22K
L0704
150u
D0701
MA3Z080D0L
C0702
150P
C0701
0.01
L0703
0.68u
C0704
27P
X0704
J0B4045A0002
L0702
0.18u
DU7402-19
DU7402-20
DU7402-21
DU7402-22
DU7402-23
DU7402-24
DU7402-25
DU7402-26
DU7402-27
PK0701
1
2
3
4
5
6
7
8
9
IIC CLOCK
IIC DATA
TUNER AUDIO
SIF OUT
AFC S-CURVE
TUNER VIDEO
REG 5V
GND
C0729
0.01
R0732
1K
C0723
16V100
C0722
0.1
R0708
5600
C0706
0.01
C0707
0.01
L0705
150u
C0743
18P
X0706
EFCKK9453D
12345
Q0703
2SB0709AWL
(AMP)
C0708
0.01
C0738
39P
12345
X0707
EFCKG3958M
123456789101112
131415161718192021222324
OUTPUT2 VP A GND
RC VCO
DIGITAL
VCO
CONTROL
AFC
DETECTOR
VIDEO
TRAPS
4.5 TO
6.5MHz
VIF-PLL
VIF-AGC
TUNER
AGC
SIF-AGC
SINGLE REFERENCE
QSS MIXER/
INTERCARRIER MIXER
AND AM-DEMODULATOR
NARROW-BAND
FM-PLL DETECTOR
OUTPUT1
AUDIO PROCESSING
AND SWITCHES
D GND
IIC-BUS
TRANSCEIVER
IC0701
C1AB00001598
C0709
0.01
C0710
0.01
C0735
0.01
C0715
0.01
C0716
390P
C0714
0.01
C0712
0.47
R0741
0
C0725
50V2.2
C0726
1500P
R0750
5600
R0757
7500
R0717
5600
R0755
100
R0756
100
R0737
100
C0741
0.01
Q0702
2SD0601ASL
(AMP)
C0733
50V0.22
R0726
560
C0719
0.47
C0740
0
C0734
1500P
R0713
180
C0739
47P
R0733
39K
R0724
150
R0738
0
C0721
0.01
C0720
0.01
NOTE:THE MEASUREMENT MODE OF THE DC VOLTAGE ON THIS DIAGRAM IS STOP MODE.
NOTE:DO NOT USE PART NUMBER SHOWN ON THIS SCHEMATIC DIAGRAM FOR
ORDERING.WHEN YOU ORDER A PART,PLEASE REFER TO PARTS LIST.
C0742
47P
TO MAIN P.C.B.
(MAIN NET SECTION)
R0722
5600
VR0701
EVNCYAA03B14
R0727
100
C0703
0.01
4.4
4.2
0
0.2
0.2
1.0
5.0
2.7
2.1
4.5
1.0
1.6
0
1.1
QR0702
B1GBHBHH0002
(SWITCHING)
1.9 1.9 4.4 0.1 5.0 1.5 1.8 0.1 2.6 4.4 0
2.0 2.0 0.1 2.5 2.5 2.5 2.4 1.2 4.2 4.4 2.1
DMR-E53EG/E55EG
VIF Decoder
Schematic Diagram
64

Table of Contents

Related product manuals